Запчасти Case IH STEIGER (10-03) - 3-POINT HITCH, SERIES II, LATER STYLE Options & Miscellaneous

Схема запчастей Case IH STEIGER - (10-03) - 3-POINT HITCH, SERIES II, LATER STYLE Options & Miscellaneous
13
18
1
8
10
16
26
7
8
18
24
6
15
20
5
12
19
1
27
9
6
9
19
10
6
22
5
5
2
23
6
17
25
28
4
14
5
3
21
11
FIT
1:1
100%

Артикул

Название

Примечание

Количество

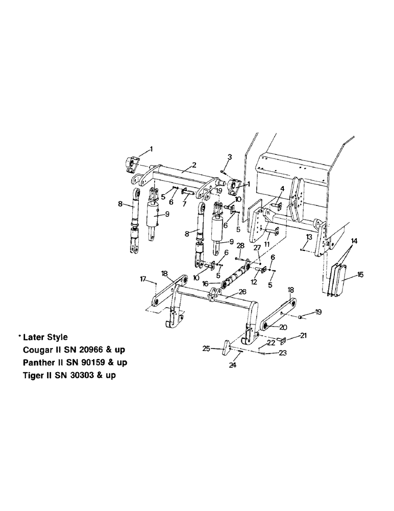
1

40-126

BLOCK

PILLOW BLOCK ASSY.

2шт.

2

1-4854

SHAFT

ROCKER SHAFT ASSY. (Replaces 40-529)

1шт.

3

19-59

BOLT,Hex, 5/8" - 11 x 1 1/2", Gr 5

CAPSCREW, 5/8 NC x 1-1/2

8шт.

4

40-382

PIN

2шт.

5

19-675

BOLT,Hex, 5/8" - 11 x 1 1/4", Gr 5

CAPSCREW, 5/8 NC x 1-1/4

14шт.

6

19-111

WASHER,5/8"

5/8

14шт.

7

40-440

PIN

2шт.

8

40-373

ARM ASSY.

ADJUSTING ARM ASSY.

2шт.

9

CYL. ASSY. (See cyl. parts on following figure)

2шт.

10

40-430

PIN

4шт.

11

40-380

PIN

2шт.

12

40-432

PIN

2шт.

13

19-204

CAPSCREW, 1/2 NC x 2-1/4

4шт.

14

40-521

MOUNTING PARTS

WEAR SHIM (12 ga)

4шт.

15

40-519

MOUNTING PARTS

WEAR SHIM (3/4")

2шт.

16

70-1829T91

UPPER LINK

CENTER LINK ASSY. (replaces 40-513)

1шт.

17

80710

LUBE NIPPLE,1/8” – 27 Dryseal PTF

NIPPLE, LUBE, (Use on Refs. 1 & 8) 1/8"-27 x .66 lg

10шт.

31-95

FITTING

ZERK (Use on ref 10)

2шт.

31-96

FITTING

ZERK (Used on ref 18)

4шт.

18

50-38

LINK

LOWER LINK

2шт.

19

15-21

RING RACE

BUSHING

4шт.

20

40-106

HOUSING

uniball

4шт.

40-302

LINK

UNIBALL

4шт.

21

40-438

PIN

2шт.

22

19-358

PIN

HAIRPIN

1шт.

23

19-257

CLEVIS PIN,1/2" x 3"

PIN, 1/2 x 3

2шт.

24

19-258

PIN, ROLL,1/2" x 2 1/2", Slotted

Pin, 1/2" x 2 1/2", Slotted

2шт.

25

40-504

HANDLE

LATCH, quick hitch

2шт.

26

40-330

HITCH ASSY, TRAILER

QUICK HITCH ASSY.

1шт.

27

19-84

NUT,3/4"-10, G5

3/4 NC

1шт.

28

19-698

BOLT,Hex, 3/4" - 10 x 5", Gr 5

CAPSCREW, 3/4 NC x 5

1шт.

Выбрано товаров: 31