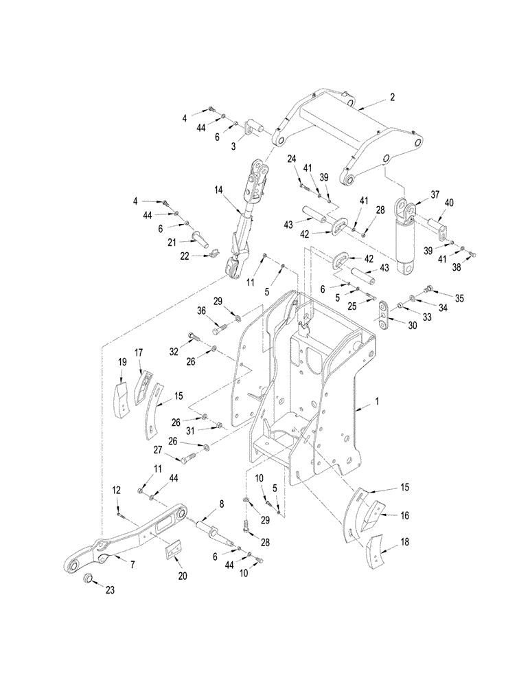
Запчасти Case IH STEIGER 330 (09-01) - THREE POINT HITCH (09) - CHASSIS

Схема запчастей Case IH STEIGER 330 - (09-01) - THREE POINT HITCH (09) - CHASSIS
14
2
23
16
44
15
28
26
6
27
41
26
18
10
34
12
39
1
4
29
30
36
24
35
15
43
28
5
5
25
11
31
38
40
8
6
33
10
3
44
19
11
6
22
44
41
5
42
37
43
4
17
6
7
32
29
20
26
44
21
39
41
42
FIT
1:1
100%

Артикул

Название

Примечание

Количество

1

403740A1

BRACKET

Three Point HItch

1шт.

2

403742A1

ROCKSHAFT

See Figure: 09-02

1шт.

3

87444051

PIN

2шт.

4

627-16035

BOLT,Hex, M16 x 2 x 35mm, Cl 10.9, Full Thd

4шт.

5

896-15016

WASHER,17.5mm ID x 34mm OD x 5mm Thk

8шт.

6

70-5967T1

SPACER,16.7mm ID x 22.2mm OD x 11.2mm

8шт.

7

403718A1

ARM

Draft, Inc. 23

2шт.

8

347641A1

PIN

Left-Hand, Not Illustrated

1шт.

9

348061A1

PIN

Right-Hand

1шт.

10

627-16060

BOLT,Hex, M16 x 2 x 60mm, Cl 10.9, Full Thd

10шт.

11

829-1416

NUT,M16, Cl 10

4шт.

12

827-12065

BOLT,Hex, M12 x 1.75 x 65mm, Cl 10.9

4шт.

13

NSS

NOT SOLD SEPARAT

Link Assy., Lift, Right-Hand, See Figure: 09-06, Not Illustrated

1шт.

14

NSS

NOT SOLD SEPARAT

Link Assy., Lift, Left-Hand, See Figure: 09-06

1шт.

15

403735A1

PLATE

Mounting

2шт.

16

403744A1

BLOCK ASSY.

No Sway, RH Upper

1шт.

17

403745A1

BLOCK ASSY.

No Sway, LH Upper

1шт.

18

403746A1

BLOCK ASSY.

No Sway, RH Lower

1шт.

19

403747A1

BLOCK ASSY.

No Sway, LH Lower

1шт.

20

403748A1

BLOCK ASSY.

Wear

2шт.

21

322096A1

PIN,31.85mm OD x 132mm L

Mounting

2шт.

22

A30338

PIN

Klik

2шт.

23

275912A1

BALL,51.31mm ID x 82.35mm OD

2шт.

24

827-16060

BOLT,Hex, M16 x 2 x 60mm, Cl 10.9

2шт.

25

827-16080

BOLT,Hex, M16 x 2 x 80mm, Cl 10.9

2шт.

26

896-11024

WASHER,26mm ID x 44mm OD x 5mm Thk

28шт.

27

827-24110

BOLT,Hex, M24 x 3 x 110mm, Cl 10.9

4шт.

28

829-1416

NUT,M16, Cl 10

2шт.

29

896-11020

WASHER,22mm ID x 37mm OD x 4mm Thk

6шт.

30

259389A1

PLATE

Retaining

2шт.

31

829-1424

NUT,M24, Cl 10

12шт.

32

627-24060

BOLT,Hex, M24 x 3 x 60mm, Cl 10.9, Full Thd

12шт.

33

70-5967T1

SPACER,16.7mm ID x 22.2mm OD x 11.2mm

2шт.

34

896-11016

WASHER,17.5mm ID x 30mm OD x 4mm Thk

12шт.

35

627-16025

BOLT,Hex, M16 x 2 x 25mm, Cl 10.9, Full Thd

2шт.

36

627-20050

BOLT,Hex, M20 x 2.5 x 50mm, Cl 10.9, Full Thd

4шт.

37

407145A1

CYLINDER ASSY.,Double Acting, 50.8mm Rod, 293.29mm Stroke

Lift, TPH, See Figure: 08-38

2шт.

407145A1R

Reman Lift, TPH, See Figure: 08-38

REMAN-HYD CYLINDER

2шт.

407145A1C

Return Number

CORE-HYD CYLINDER

2шт.

38

627-16035

BOLT,Hex, M16 x 2 x 35mm, Cl 10.9, Full Thd

4шт.

39

70-5967T1

SPACER,16.7mm ID x 22.2mm OD x 11.2mm

4шт.

40

70-5973T2

PIN

Mounting

2шт.

41

896-11016

WASHER,17.5mm ID x 30mm OD x 4mm Thk

6шт.

42

403204A1

PLATE

Retainer

2шт.

43

321188A2

PIN,50.9mm OD x 215mm L

Mounting

2шт.

44

896-11016

WASHER,17.5mm ID x 30mm OD x 4mm Thk

12шт.

Выбрано товаров: 0