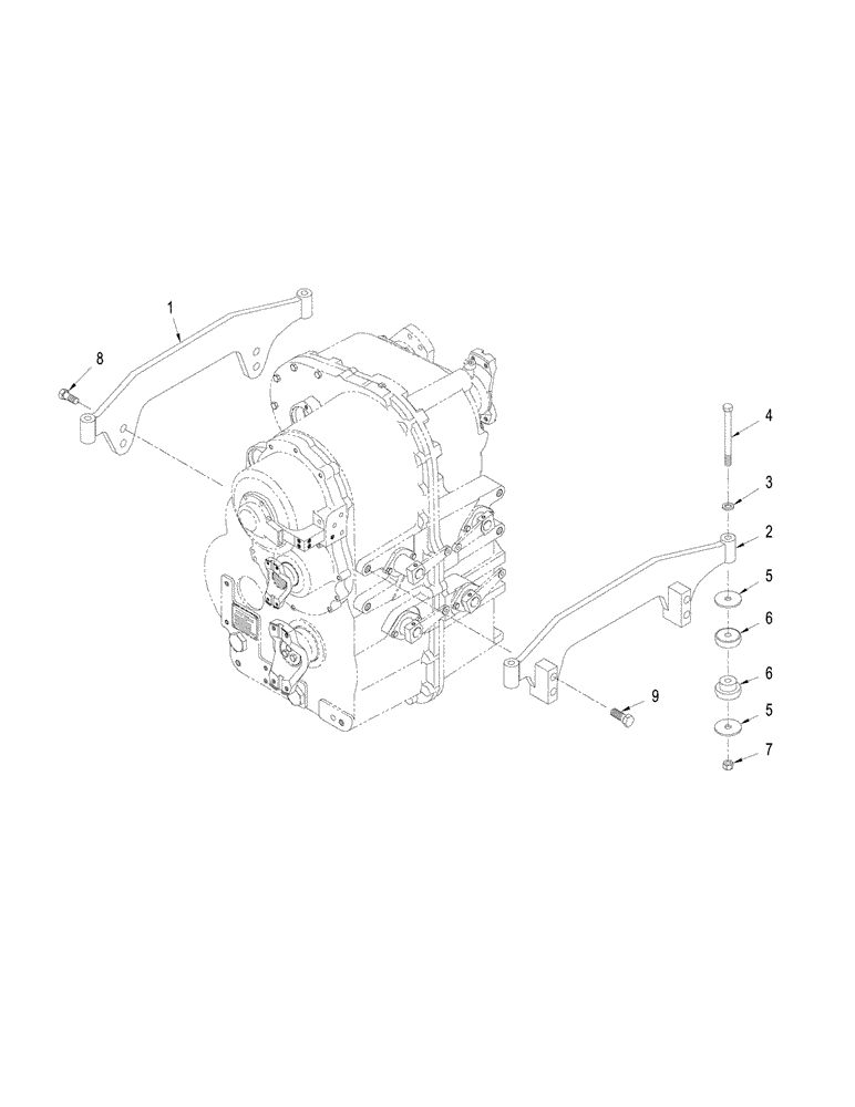
Запчасти Case IH STEIGER 335 (06-22) - TRANSMISSION MOUNTING, MANUAL SHIFT TRANSMISSION (06) - POWER TRAIN

Схема запчастей Case IH STEIGER 335 - (06-22) - TRANSMISSION MOUNTING, MANUAL SHIFT TRANSMISSION (06) - POWER TRAIN
2
7
3
6
9
1
5
4
5
6
8
FIT
1:1
100%

Артикул

Название

Примечание

Количество

1

407288A1

PLATE

Transmission Mounting, LH

1шт.

2

397261A1

PLATE

Transmission Mounting, RH

1шт.

3

896-11016

WASHER,17.5mm ID x 30mm OD x 4mm Thk

4шт.

4

827-16180

BOLT,Hex, M16 x 2 x 180mm, Cl 10.9

4шт.

5

379610A1

WASHER

8шт.

6

227810A1

RUBBER MOUNTING

4шт.

7

829-1416

NUT,M16, Cl 10

4шт.

8

627-20050

BOLT,Hex, M20 x 2.5 x 50mm, Cl 10.9, Full Thd

4шт.

9

827-20120

BOLT,Hex, M20 x 2.5 x 120mm, Cl 10.9

4шт.

Выбрано товаров: 9