Запчасти Case IH STEIGER 335 (08-16) - HYDRAULIC TANK ASSEMBLY (08) - HYDRAULICS

Схема запчастей Case IH STEIGER 335 - (08-16) - HYDRAULIC TANK ASSEMBLY (08) - HYDRAULICS
21
8
4
19
18
23
24
20
2
18
5
15
15
17
7
14
13
12
11
6
16
1
15
15
9
22
10
14
3
FIT
1:1
100%

Артикул

Название

Примечание

Количество

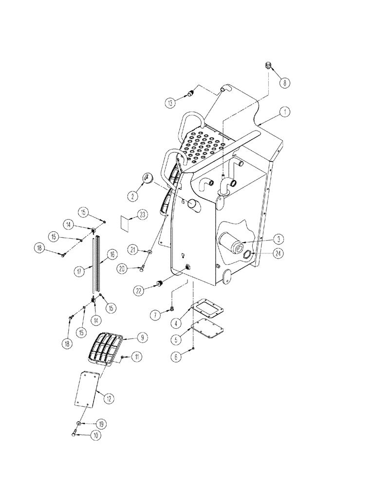
1

87313192

TANK

Hydraulic Oil

1шт.

2

325737A1

CAP

Oil Filler

1шт.

3

87408715

FILTER STRAINER

Hydraulic Oil

1шт.

4

435031A1

GASKET

Access Cover

1шт.

5

435030A1

COVER

Access

1шт.

6

832-10408

NUT,M8 x 1.25, Cl 8.8

8шт.

7

217-410

PLUG,Hex Hd, 1/2" - 14 NPT

1шт.

8

1971726C1

BREATHER,1/4" - 18

Hydraulic Tank

1шт.

9

87301185

STEP

Lower, Hydraulic Tank

4шт.

10

827-10045

BOLT,Hex, M10 x 1.5 x 45mm, Cl 10.9

8шт.

11

832-10410

NUT,M10 x 1.5, Cl 8

16шт.

12

384116A1

SUPPORT

Lower Step, Hydraulic Tank

2шт.

13

363226A1

BUMPER

Rubber

1шт.

14

352767A1

FITTING

Sight Gauge

2шт.

15

337248A1

O-RING,0.139" Thk x 0.484" ID, -206, Cl 5, 75 Duro

4шт.

16

349869A1

CHANNEL

Sight Guage

1шт.

17

355179A1

HOSE

Sight Gauge

1шт.

18

844-10035

BOLT,Hex, M10 x 35mm, Cl 8.8

2шт.

19

896-15010

WASHER,11mm ID x 24mm OD x 3mm Thk

8шт.

20

627-10035

BOLT,Hex, M10 x 1.5 x 35mm, Cl 10.9, Full Thd

8шт.

21

895-11010

WASHER,11mm ID x 20mm OD x 2mm Thk

8шт.

22

217-445

PLUG,Hex Soc, 1-1/4" - 11-1/2 NPTF

1шт.

23

434856A1

DECAL

Hydraulic Oil Level

1шт.

24

435032A1

LOCK NUT

1шт.

Выбрано товаров: 24