Запчасти Case IH STEIGER 335 (08-38) - CYLINDER ASSEMBLY - THREE POINT HITCH (08) - HYDRAULICS

Схема запчастей Case IH STEIGER 335 - (08-38) - CYLINDER ASSEMBLY - THREE POINT HITCH (08) - HYDRAULICS
6
21
3
9
20
21
21
19
21
21
15
5
11
21
2
21
13
21
21
21
14
21
12
21
21
7
16
17
10
1
18
4
8
FIT
1:1
100%

Артикул

Название

Примечание

Количество

87304295

CYLINDER,Double Acting, 50mm Rod, 293.3mm Stroke

Lift, Three Point Hitch, Inc. 1 - 18

1шт.

87304295R

REMAN-HYD CYLINDER

STEIGER 335 (8/07-)

1шт.

87304295C

CORE-HYD CYLINDER

Return Number

1шт.

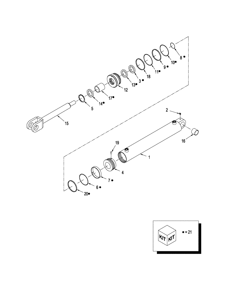
1

87378715

TUBE

Barrel

1шт.

2

219-36

LUBE NIPPLE,45 Degree Elbow, 1/8" - 27 NPTF

1шт.

3

87378716

WASHER

Seal, Teflon, End Cap

1шт.

4

87378713

PISTON

1шт.

5

NSS

NOT SOLD SEPARAT

Ring, Backup

1шт.

6

NSS

NOT SOLD SEPARAT

Seal, Piston

1шт.

7

NSS

NOT SOLD SEPARAT

Ring, Wear

2шт.

8

NSS

NOT SOLD SEPARAT

O-Ring

1шт.

9

NSS

NOT SOLD SEPARAT

Ring, Backup

1шт.

10

NSS

NOT SOLD SEPARAT

O-Ring

1шт.

11

NSS

NOT SOLD SEPARAT

O-Ring

1шт.

12

87378714

COVER

End

1шт.

13

NSS

NOT SOLD SEPARAT

Ring, Backup

1шт.

14

NSS

NOT SOLD SEPARAT

Wiper, Seal

1шт.

15

87378708

ROD

1шт.

16

87378707

BUSHING

Wear

1шт.

17

87378717

BUSHING

Rod Wear

1шт.

18

NSS

NOT SOLD SEPARAT

Seal, Rod

1шт.

19

877-20816

SET SCREW,M8 x 16mm

1шт.

20

NSS

NOT SOLD SEPARAT

Seal, Piston, Teflon

1шт.

21

87378691

SEAL KIT

Inc. 5 - 11, 13, 14 & 17

1шт.

Выбрано товаров: 0