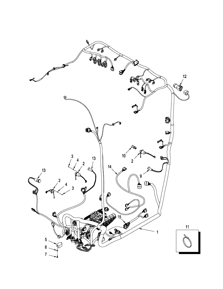
Запчасти Case IH STEIGER 335 (04-13) - HARNESS - MAIN CAB, DELUXE AND LUXURY CABS (04) - ELECTRICAL SYSTEMS

Схема запчастей Case IH STEIGER 335 - (04-13) - HARNESS - MAIN CAB, DELUXE AND LUXURY CABS (04) - ELECTRICAL SYSTEMS
2
4
4
1
13
2
5
14
12
15
13
10
3
3
2
9
6
11
7
FIT
1:1
100%

Артикул

Название

Примечание

Количество

1

87537317

MODULE

Electronics, Inc. 1, See Figure: 04-25

1шт.

With Power Shift Transmission

1шт.

1

87537318

MODULE

Electronics, Inc. 1, See Figure: 04-25

1шт.

With Manual Shift Transmission

1шт.

2

NSS

NOT SOLD SEPARAT

Harness, Main Cab

1шт.

The Main Cab Harness is Supplied with The Electronics Module Assy. Also See Figure: 04-25 for Additional Electronics Module Components.

1шт.

3

383986A1

RIVET

12шт.

4

895-11003

WASHER,3.2mm ID x 7mm OD x 0.5mm Thk

12шт.

5

20-2041T2

CIRCUIT BREAKER

1шт.

6

895-11006

WASHER,6.6mm ID x 12mm OD x 1.6mm Thk

5шт.

7

840-1620

SCREW,Pan, M6 x 20mm, Cl 4.8

2шт.

8

279265A2

SWITCH

Differential Lock Brake, Not Illustrated

1шт.

9

87452321

OUTLET

Power Port

1шт.

10

388810A1

ELEMENT

Pop-Out Lighter, If used

1шт.

11

L18331

CABLE TIE,375.9mm L, Nylon, Black

CABLE STRAP 7"

7шт.

12

84058092

CONTACT HOUSING,120 Ohm Resistor

1шт.

13

388813A1

OUTLET

Power

2шт.

14

87332624

HARNESS

ACCUSTEER

1шт.

15

87533993

HARNESS

TPH Controller

1шт.

16

227739A2

POWER SOCKET

Power

3шт.

Выбрано товаров: 20