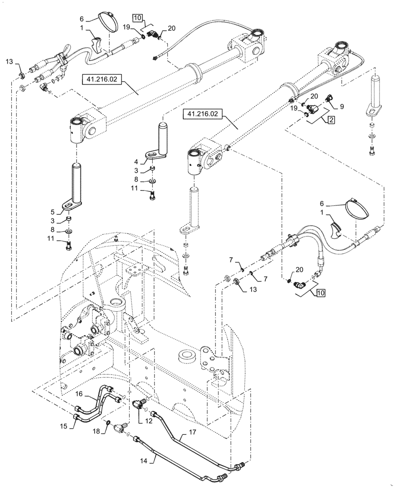
Запчасти Case IH STEIGER 350 (41.200.01[02]) - STEERING CYLINDER, STEERING CYLINDER HYD. LINE (41) - STEERING

Схема запчастей Case IH STEIGER 350 - (41.200.01[02]) - STEERING CYLINDER, STEERING CYLINDER HYD. LINE (41) - STEERING
41.216.02
6
6
11
1
18
14
19
3
8
7
20
19
9
3
20
10
1
15
11
4
17
5
12
13
16
2
13
7
8
10
20
41.216.02
FIT
1:1
100%

Артикул

Название

Примечание

Количество

1

391133A1

CLAMP

Hose

2шт.

2

364967A1

TEE,13/16" - 16 Male ORFS x M18 x 1.5 Male ORB x M14 x 1.5 Female ORB

Incl 19, 20

1шт.

3

70-5967T1

SPACER,16.7mm ID x 22.2mm OD x 11.2mm

4шт.

4

70-6076T3

PIN

44.27mm OD x 184.2mm L

2шт.

5

70-6085T2

PIN

44.323mm OD x 234.95mm L

2шт.

6

214-1472

HOSE CLAMP,#72, 4.06" - 5", Type F Worm

2шт.

7

238-6014

O-RING,0.07" Thk x 0.489" ID, -14, Cl 6, 90 Duro

2шт.

8

496-21066

WASHER,16.6mm ID x 33.5mm OD x 3.8mm Thk

4шт.

9

178889A1

DIAGNOSTIC COUPLER

Fitting

1шт.

10

700-305

ELBOW,90 Degree Elbow, 13/16" - 16 Male ORFS x M18 x 1.5 Male ORB

Incl 20

3шт.

11

87563128

LOCK BOLT,Hex, M16 x 2 x 35mm, Cl 8.8, Full Thd

4шт.

12

701-452

TEE,13/16" - 16 Male ORFS x 13/16" - 16 Male ORFS x 13/16" - 16 Male ORFS

2шт.

13

701-903

NUT,13/16" - 16

4шт.

14

84182434

HYD TUBE,12.70 mm OD

STG Pressure, RH

1шт.

15

84179121

HYD TUBE,12.70 mm OD

Priority Steering Cylinder, RH

1шт.

16

84179116

HYD TUBE

Priority Steering Cylinder, LH

1шт.

17

84162396

HYD TUBE,12.70 mm OD

STG Pressure, LH

1шт.

18

9992898

O-RING

6шт.

19

9992298

O-RING,0.07" Thk x 0.489" ID, -14, Cl 6, 90 Duro

4шт.

20

86598101

O-RING,2.2mm Thk x 15.3mm ID, Cl 6, 90 Duro

4шт.

Выбрано товаров: 20