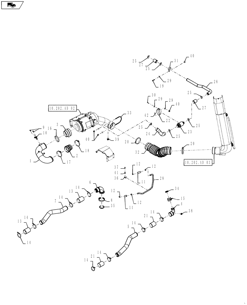
Запчасти Case IH STEIGER 350 (10.202.BD[01]) - AIR INTAKE ASSY. - STEIGER 350 (10) - ENGINE

Схема запчастей Case IH STEIGER 350 - (10.202.BD[01]) - AIR INTAKE ASSY. - STEIGER 350 (10) - ENGINE
26
30
40
6
22
13
25
27
14
38
35
33
31
5
20
14
14
37
41
home
12
10
34
24
29
2
7
25
25
16
3
39
40
21
42
13
9
14
4
23
11
32
12
19
10.202.ad 03
14
28
25
25
11
14
12
14
29
21
8
29
1
10.202.ad 02
17
27
15
25
20
14
40
18
12
36
FIT
1:1
100%

Артикул

Название

Примечание

Количество

1

84263517

AIR INTAKE TUBE

1шт.

2

84426358

AIR INTAKE TUBE,101.6mm ID x 114.3mm L, SAE J200

Turbo Inlet

1шт.

3

84263519

BELLOWS

Rubber

1шт.

4

J918327

ELBOW

Turbo Outlet

1шт.

5

84377970

AIR INTAKE TUBE

Charge Air Compressor

1шт.

6

84223171

ELBOW

Air Intake Connection

1шт.

7

84377969

AIR INTAKE TUBE

Charge Air Intake, Engine

1шт.

8

84223170

CLAMP,125mm ID, V-Band

V-Band

1шт.

9

87482355

SENSOR

Temp. / Humidity

1шт.

10

87698753

FLANGE BOLT,M6 x 12mm, Cl 10.9, Full Thd

Flange

2шт.

11

87486602

HOSE

Breather to Breather Tube

2шт.

12

214-1412

HOSE CLAMP,#12, 0.69" - 1.25", Type F Worm

4шт.

13

84174189

INTAKE AIR HOSE

Air Intake, Cold Side

2шт.

14

L116820

CLAMP,82.55mm - 104.78mm

Hose to Air Cleaner

8шт.

15

J069053

CLAMP,66.54mm ID

Turbo Outlet U-Band

1шт.

16

84281055

HOSE CLAMP,5.25" - 5.56"

Clamp, T-Bolt

1шт.

17

L129159

CLAMP,5-1/4" - 6-1/8", Worm Gear

T-Bolt

1шт.

18

L127771

CLAMP,107.95mm - 130.18mm

T-Bolt

1шт.

19

87656134

HOSE CLAMP,6.38" - 6.69"

T-Bolt

1шт.

20

84319920

HOSE CLAMP,146mm - 168mm

5.75 / 6.625 Constant Torque

2шт.

21

87340760

INTAKE AIR HOSE,88.90 mm ID x 110.00

2шт.

22

87300581

CLAMP

Valve

1шт.

23

87443913

VALVE

Check

1шт.

24

84355811

INTAKE AIR HOSE

Air Intake Aspirator

1шт.

25

214-3240

HOSE CLAMP,1-3/4" - 2-5/8", HD Worm, W/ Liner

6шт.

26

84355812

AIR INTAKE TUBE

Air Intake Aspirator

1шт.

27

84583310

HOSE

Straight Connector

2шт.

28

84266068

AIR INTAKE TUBE

Air Intake, Vacuum

1шт.

29

895-11008

WASHER,9mm ID x 16mm OD x 1.6mm Thk

4шт.

30

827-8045

BOLT,Hex, M8 x 1.25 x 45mm, Cl 10.9

1шт.

31

515-23508

CLAMP,2", Insul, 3/8" Bolt

1шт.

32

84374253

BELLOWS

1шт.

33

84356764

U-BOLT

M8 x 152.4 x 178

1шт.

34

J883284

O-RING,0.07" Thk x 2.364" ID, -36

1шт.

35

238-6240

O-RING,0.139" Thk x 3.734" ID, -240, Cl 6, 90 Duro

1шт.

36

515-24190

CLAMP,3/4", Insul, 7/16" Bolt

1шт.

37

627-10020

BOLT,Hex, M10 x 1.5 x 20mm, Cl 10.9, Full Thd

1шт.

38

J008465

PLUG

Turbo Outlet Pipe

1шт.

39

84272402

VALVE

Vacuator

1шт.

40

832-10408

NUT,M8 x 1.25, Cl 8.8

6шт.

41

895-15010

WASHER,11mm ID x 24mm OD x 2mm Thk

15шт.

42

627-8030

BOLT,Hex, M8 x 1.25 x 30mm, Cl 10.9, Full Thd

4шт.

Выбрано товаров: 42