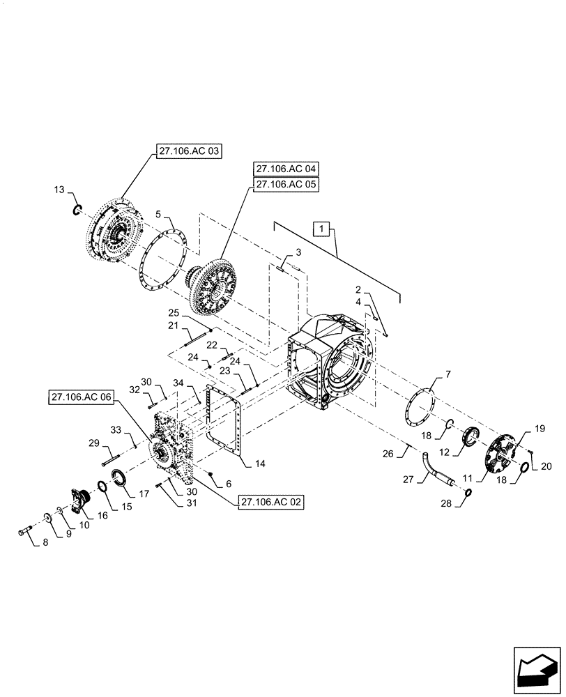
Запчасти Case IH STEIGER 370 (27.106.AC[01]) - VAR - 424823, 424824, 424268 - REAR AXLE CARRIER (27) - REAR AXLE SYSTEM

Схема запчастей Case IH STEIGER 370 - (27.106.AC[01]) - VAR - 424823, 424824, 424268 - REAR AXLE CARRIER (27) - REAR AXLE SYSTEM
29
30
9
25
23
21
17
13
15
1
27.106.ac 02
5
27.106.ac 03
27.106.ac 04
28
18
30
24
19
16
27.106.ac 06
14
34
3
12
32
31
8
18
2
6
27.106.ac 05
4
11
7
10
33
20
22
24
26
27
FIT
1:1
100%

Артикул

Название

Примечание

Количество

1

388968A1

CARRIER

Axle, Incl 2 - 4

1шт.

2

837-12025

DOWEL,M12 x 25

2шт.

3

837-16080

DOWEL,M16 x 80

2шт.

4

837-16040

DOWEL,M16 x 40

2шт.

5

198843A1

SHIM,0.508mm Thk

1шт.

5

178555A1

SHIM,0.130mm Thk

1шт.

5

178554A1

SHIM,0.101mm Thk

1шт.

5

178553A1

SHIM,0.076mm Thk

1шт.

6

221579A1

PLUG,M22 x 1.5 ORB

1шт.

7

255124A1

SHIM,290mm ID x 345mm OD x 0.5mm Thk

1шт.

7

255123A1

SHIM,290mm ID x 345mm OD x 0.13mm Thk

1шт.

7

255122A1

SHIM,290mm ID x 345mm OD x 0.102mm Thk

1шт.

7

255121A1

SHIM,290mm ID x 345mm OD x 0.076mm Thk

1шт.

8

828-24110

BOLT,Hex, M24 x 3 x 110mm, Cl 10.9

1шт.

9

228967A2

WASHER,25mm ID x 78mm OD x 10mm Thk

Yoke Retainer

1шт.

10

178545A1

SHIM,25mm ID x 60mm OD x 0.076mm Thk

1шт.

10

178546A1

SHIM,25mm ID x 60mm OD x 0.101mm Thk

1шт.

10

178547A1

SHIM,25mm ID x 60mm OD x 0.130mm Thk

1шт.

10

220779A1

SHIM,25mm ID x 60mm OD x 0.5mm Thk

1шт.

11

231637A2

COVER,66 mm ID x 136 mm OD x 71.45 mm

1шт.

12

253932A1

ROLLER BEARING,119.99mm ID x 37.98mm W

1шт.

13

139060C2

SEAL,82.6mm ID x 88.6mm OD x 4.5mm Thk

Seal

1шт.

14

226492A2

SHIM,0.076mm Thk

1шт.

14

226493A2

SHIM,393mm OD x 0.1mm Thk

1шт.

14

226494A2

SHIM,393mm OD x 0.13mm Thk

1шт.

14

226496A2

SHIM,0.508mm Thk

1шт.

14

47727155

SHIM,0.254mm Thk

1шт.

15

238-5236

O-RING,0.139" Thk x 3.234" ID, -236, Cl 5, 75 Duro

1шт.

16

47574154

YOKE

8C

1шт.

17

84605370

OIL SEAL

Axle Pinion

1шт.

18

139059C1

SEAL,70mm ID x 90mm OD x 8mm Thk

Axle Planetary Shaft

2шт.

19

1251958C1

WASHER,13mm ID x 25.40mm OD x 1.367mm, HTS

12шт.

20

628-12035

BOLT,Hex, M12 x 1.75 x 35mm, Cl 10.9, Full Thd

12шт.

21

84468348

TUBE

Service Brake Jumper

1шт.

22

86985628

TUBE,7.50mm ID x 11.85mm OD x 117mm L

1шт.

23

245162A1

TUBE,7mm ID x 11.85mm OD x 110.5mm Length

1шт.

24

47795329

O-RING,0.07" Thk x 0.426" ID, -13, Cl 8, Duro 90

4шт.

25

47795330

O-RING,0.07" Thk x 0.551" ID, -15, Cl 8, 90 Duro

2шт.

26

837-6055

DOWEL,M6 x 55

1шт.

27

229553A3

TUBE

Suction

1шт.

28

238-5226

O-RING,0.139" Thk x 1.984" ID, -226, Cl 5, 75 Duro

1шт.

29

828-16180

BOLT,Hex, M16 x 2 x 180mm, Cl 10.9

6шт.

30

896-12012

WASHER,13.5mm ID x 24mm OD x 3mm Thk

22шт.

31

828-12045

BOLT,Hex, M12 x 1.75 x 45mm, Cl 10.9, Full Thd

14шт.

32

828-12080

BOLT,Hex, M12 x 1.75 x 80mm, Cl 10.9

8шт.

33

896-12016

WASHER,17.5mm ID x 30mm OD x 4mm Thk

6шт.

34

238-6373

O-RING,0.21" Thk x 8.97" ID, -373, Cl 6, 90 Duro

1шт.

Выбрано товаров: 47