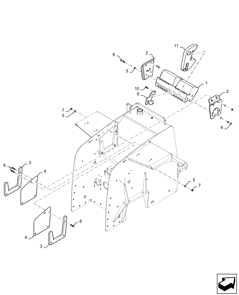
Запчасти Case IH STEIGER 370 (39.140.AK) - REAR WEIGHT CARRIER (39) - FRAMES AND BALLASTING

Схема запчастей Case IH STEIGER 370 - (39.140.AK) - REAR WEIGHT CARRIER (39) - FRAMES AND BALLASTING
7
5
6
7
4
3
5
10
2
4
1
8
6
11
9
8
5
2
3
FIT
1:1
100%

Артикул

Название

Примечание

Количество

1

413394A1

FRAME

Rear Weight

1шт.

2

84211259

BRACKET, SUPPORTING

Weight Lift

2шт.

3

413391A2

BRACKET

Rear Weight Support

2шт.

4

413392A2

PLATE

Weight Support

2шт.

5

896-11020

WASHER,22mm ID x 37mm OD x 4mm Thk

18шт.

6

827-20090

BOLT,Hex, M20 x 2.5 x 90mm, Cl 10.9

10шт.

7

829-1420

NUT,M20, Cl 10

8шт.

8

827-20070

BOLT,Hex, M20 x 2.5 x 70mm, Cl 10.9

6шт.

9

413393A1

PLATE

Suitcase Lock

2шт.

10

627-16040

BOLT,Hex, M16 x 2 x 40mm, Cl 10.9, Full Thd

4шт.

11

405846A3

WEIGHT

Suitcase

1шт.

Выбрано товаров: 11