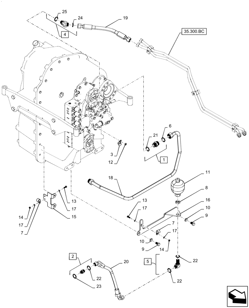
Запчасти Case IH STEIGER 370 (21.105.BL[01]) - TRANSMISSION LUBRICATION LINES, FRONT, BSN ZFF308000 (21) - TRANSMISSION

Схема запчастей Case IH STEIGER 370 - (21.105.BL[01]) - TRANSMISSION LUBRICATION LINES, FRONT, BSN ZFF308000 (21) - TRANSMISSION
12
15
24
17
3
13
22
1
9
7
25
11
7
10
9
10
35.300.bc
13
23
5
4
16
14
22
8
21
22
19
18
14
17
6
17
2
17
20
FIT
1:1
100%

Артикул

Название

Примечание

Количество

1

700-105

HYD CONNECTOR,1-7/16" - 12 Male ORFS x M33 x 2 Male ORB

Incl 6, 21

1шт.

2

700-115

HYD CONNECTOR,1" - 14 Male ORFS x M18 x 1.5 Male ORB

Incl 22 - 23

1шт.

3

515-23238

CLAMP,15/16", Insul, 3/8" Bolt

1шт.

4

700-387

ELBOW,45 Degree Elbow, 1-3/16" - 12 Male ORFS x M27 x 2 Male ORB

Incl 24 - 25

2шт.

5

701-346

ELBOW,90 Degree Elbow, 1" - 14 Male ORFS x 1" - 14 Male ORFS

Incl 22

1шт.

6

87473574

O-RING,0.07" Thk x 0.926" ID, -21, Cl 6, 90 Duro

2шт.

7

515-23254

CLAMP,1", Insul, 3/8" Bolt

2шт.

8

701-919

BHD LOCK NUT,1" - 14

1шт.

9

627-16025

BOLT,Hex, M16 x 2 x 25mm, Cl 10.9, Full Thd

2шт.

10

895-11016

WASHER,17.5mm ID x 30mm OD x 3mm Thk

2шт.

11

87730802

ACCUMULATOR,0.75L

PWM Trans Control

1шт.

12

895-11010

WASHER,11mm ID x 20mm OD x 2mm Thk

1шт.

13

627-8025

BOLT,Hex, M8 x 1.25 x 25mm, Cl 10.9, Full Thd

2шт.

14

829-1408

NUT,Hex, M8 x 1.25, Cl 10.9

2шт.

15

84182314

BRACKET

Transmission Clamp, Middle

1шт.

16

84569294

BRACKET

Transmission Accumulator Support

1шт.

17

895-11008

WASHER,9mm ID x 16mm OD x 1.6mm Thk

4шт.

18

84421400

TUBE

Transmission Supply

1шт.

19

84247000

HOSE ASSY.

To Transmission Cooler

2шт.

20

84591622

HYDRAULIC HOSE,22.23mm ID x 570mm L, SAE 100R1

Transmission Accumulator Supply

1шт.

21

86598104

O-RING,2.9mm Thk x 29.6mm ID, Cl 6, 90 Duro

1шт.

22

9992069

O-RING,0.07" Thk x 0.614" ID, -16, Cl 6, 90 Duro

3шт.

23

86598101

O-RING,2.2mm Thk x 15.3mm ID, Cl 6, 90 Duro

1шт.

24

9991976

O-RING,0.07" Thk x 0.739" ID, -18, Cl 6, 90 Duro

2шт.

25

86598103

O-RING,2.9mm Thk x 23.6mm ID, Cl 6, 90 Duro

2шт.

Выбрано товаров: 25