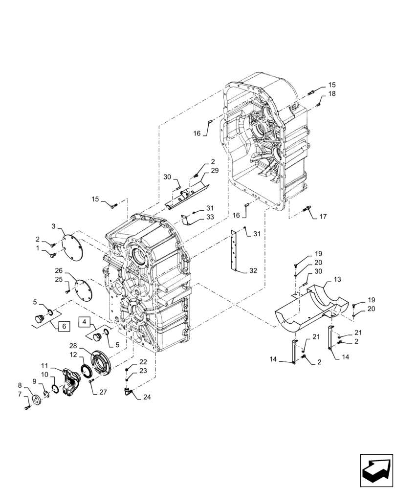
Запчасти Case IH STEIGER 370 (21.113.AD[08]) - TRANSMISSION REAR YOKE, PS4, 8C, 370, 420, 470 HD, ASN ZFF308001 (21) - TRANSMISSION

Схема запчастей Case IH STEIGER 370 - (21.113.AD[08]) - TRANSMISSION REAR YOKE, PS4, 8C, 370, 420, 470 HD, ASN ZFF308001 (21) - TRANSMISSION
13
33
31
19
30
5
6
14
2
16
15
3
24
1
29
32
2
28
27
20
22
18
7
5
4
14
16
8
31
26
9
21
17
25
23
20
10
19
15
2
12
2
30
11
21
FIT
1:1
100%

Артикул

Название

Примечание

Количество

1

427559A1

BOLT

PTO Cover

2шт.

2

86637974

BOLT,Hex, M12 x 1.25 x 25mm, Cl 8.8, Full Thd

8шт.

3

427558A1

COVER

PTO

1шт.

4

303493A1

PLUG,Hex Soc, M42 x 2, ORB

Incl 5

1шт.

5

637-64386

O-RING,2.9mm Thk x 38.6mm ID, Cl 6, 90 Duro

2шт.

6

375456A1

PLUG, DRAIN

Incl 5

1шт.

7

86642438

BOLT,Hex, M12 x 1.25 x 35mm, Cl 10.9, Full Thd

3шт.

8

427515A1

RETAINING PLATE

Output Yoke

1шт.

9

427517A1

SHIM,0.1mm Thk

1шт.

9

427519A1

SHIM,0.3mm Thk

1шт.

10

428165A1

O-RING

Output Yoke

1шт.

11

47402744

YOKE

Output 8C

1шт.

12

84315358

OIL SEAL

Output Yoke

1шт.

13

47825886

BAFFLE

Oil, PS4, Transmission

1шт.

14

47613809

STRAP

Oil Baffle

2шт.

15

86642435

BOLT,Hex, M12 x 1.25 x 45mm, Cl 8.8, Full Thd

21шт.

16

427530A1

DOWEL,14mm OD x 31mm L

2шт.

17

47617540

STUD

Transmission

4шт.

18

445492A2

CHECK VALVE

PWM

5шт.

19

86637962

BOLT,Hex, M10 x 1.25 x 20mm, Cl 8.8, Full Thd

2шт.

20

86624176

WASHER,11mm ID x 20mm OD x 2mm Thk

2шт.

21

18711611

NUT,M10 x 1.25

M12 x 1.25 Cl 8

2шт.

22

428156A1

PLUG

Breather

1шт.

23

427524A1

BREATHER

Filter

1шт.

24

370632A1

TUBE

Breather

1шт.

25

412159

BOLT,Hex, M10 x 1.25 x 25mm, Cl 8.8, Full Thd

6шт.

26

87350468

COVER

Rear 4th

1шт.

27

86637966

BOLT,Hex, M10 x 1.25 x 35mm, Cl 8.8, Full Thd

6шт.

28

87350470

RETAINER

Rear Output

1шт.

29

87350473

GUTTER

Input

1шт.

30

381531

ROLL PIN,10mm OD x 40mm L, Slotted

Gutter

2шт.

31

86977726

BOLT,Hex, M6 x 12mm, Cl 8.8

9шт.

32

370635A2

BAFFLE

Breather

1шт.

33

370634A1

TROUGH

Gutter

1шт.

Выбрано товаров: 34