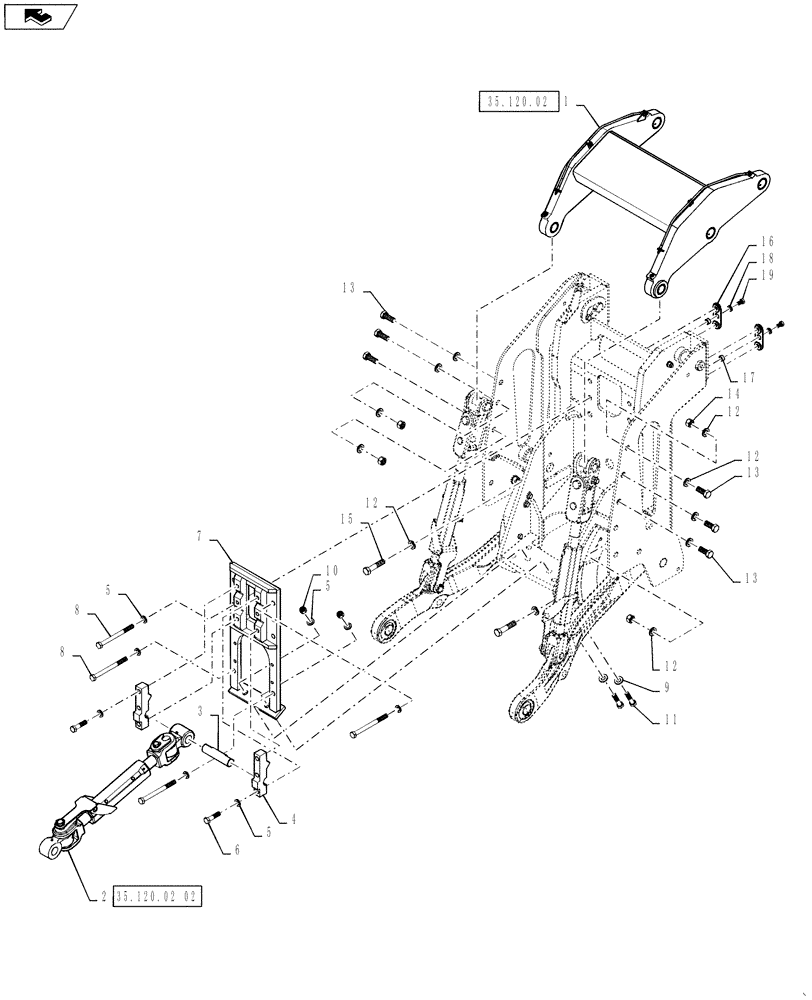
Запчасти Case IH STEIGER 400 (35.120.01[02]) - THREE POINT HITCH LINKAGE WITH PTO (35) - HYDRAULIC SYSTEMS

Схема запчастей Case IH STEIGER 400 - (35.120.01[02]) - THREE POINT HITCH LINKAGE WITH PTO (35) - HYDRAULIC SYSTEMS
9
14
3
5
16
35.120.02 02
7
4
5
6
17
home
12
11
13
8
15
5
19
8
10
1
18
12
13
12
13
2
35.120.02
12
FIT
1:1
100%

Артикул

Название

Примечание

Количество

1

NSS

NOT SOLD SEPARAT

Three Point Hitch Assembly - See Figure 35.120.02

1шт.

2

84192702

LIFT LINK

Three Point Hitch - See Figure 35.120.02(02)

1шт.

3

309663A1

PIN

Upper Link

1шт.

4

403737A1

CLAMP

Mount

2шт.

5

896-11020

WASHER,22mm ID x 37mm OD x 4mm Thk

16шт.

6

827-20080

BOLT,Hex, M20 x 2.5 x 80mm, Cl 10.9

6шт.

7

84261709

MOUNT

Upper Link With PTO

1шт.

8

827-20230

BOLT,Hex, M20 x 2.5 x 230mm, Cl 10.9

8шт.

9

896-15020

WASHER,22mm ID x 44mm OD x 5mm Thk

2шт.

10

829-1420

NUT,M20, Cl 10

2шт.

11

827-20090

BOLT,Hex, M20 x 2.5 x 90mm, Cl 10.9

2шт.

12

896-11024

WASHER,26mm ID x 44mm OD x 5mm Thk

28шт.

13

627-24060

BOLT,Hex, M24 x 3 x 60mm, Cl 10.9, Full Thd

12шт.

14

829-1424

NUT,M24, Cl 10

12шт.

15

827-24110

BOLT,Hex, M24 x 3 x 110mm, Cl 10.9

4шт.

16

259389A1

PLATE

Weld Nut

2шт.

17

70-5967T1

SPACER,16.7mm ID x 22.2mm OD x 11.2mm

Spacer

2шт.

18

896-11016

WASHER,17.5mm ID x 30mm OD x 4mm Thk

2шт.

19

627-16025

BOLT,Hex, M16 x 2 x 25mm, Cl 10.9, Full Thd

2шт.

Выбрано товаров: 19