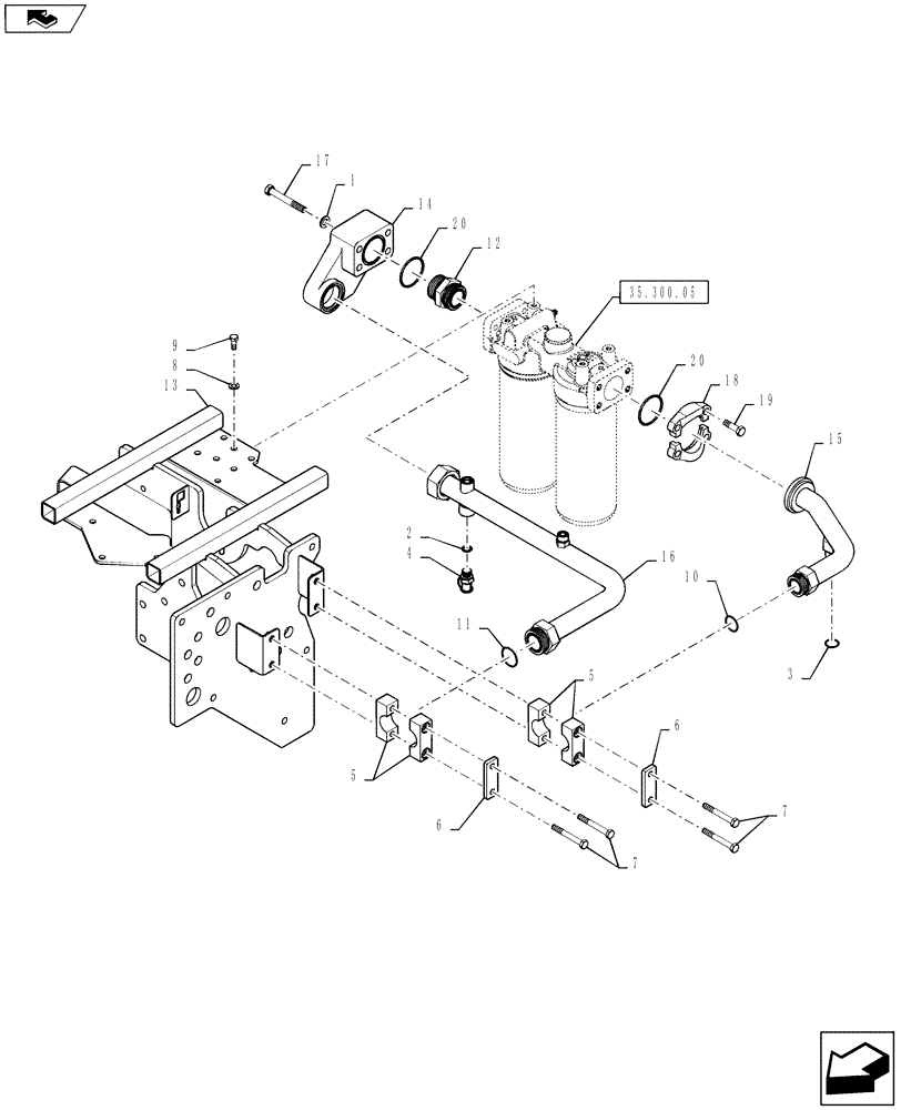
Запчасти Case IH STEIGER 400 (35.300.02[06]) - HYDRAULIC OIL FILTER FILTER SUPPORT, & PLUMBING, HIGH FLOW - WHEELED (35) - HYDRAULIC SYSTEMS

Схема запчастей Case IH STEIGER 400 - (35.300.02[06]) - HYDRAULIC OIL FILTER FILTER SUPPORT, & PLUMBING, HIGH FLOW - WHEELED (35) - HYDRAULIC SYSTEMS
35.300.05
2
20
7
15
7
17
14
home
12
5
18
19
5
1
13
3
8
11
10
6
9
20
16
4
6
FIT
1:1
100%

Артикул

Название

Примечание

Количество

1

895-11012

WASHER,13.5mm ID x 24mm OD x 2.5mm Thk

4шт.

2

238-6014

O-RING,0.07" Thk x 0.489" ID, -14, Cl 6, 90 Duro

1шт.

3

238-6021

O-RING,15/16 X 1 - 1/16, Cl 6

1шт.

4

358968A1

FITTING

Diagnostic

1шт.

5

8500621

BLOCK

Tube Mounting

2шт.

6

8500858

PLATE

Clamp Cover

2шт.

7

827-10080

BOLT,Hex, M10 x 1.5 x 80mm, Cl 10.9

4шт.

8

895-11010

WASHER,11mm ID x 20mm OD x 2mm Thk

4шт.

9

627-10025

BOLT,Hex, M10 x 1.5 x 25mm, Cl 10.9, Full Thd

4шт.

10

238-6025

O-RING,0.07" Thk x 1.176" ID, -25, Cl 6, 90 Duro

1шт.

11

238-6029

O-RING,0.07" Thk x 1.489" ID, -29, Cl 6, 90 Duro

1шт.

12

700-148

HYD CONNECTOR,2" - 12 Male ORFS x M48 x 2 Male ORB

1шт.

13

NSS

NOT SOLD SEPARAT

Filter Assembly, Dual, High Flow - Ref. Figure 35.300.05

1шт.

14

84191470

ADAPTER

Dual Filter

1шт.

15

84183785

HYD TUBE

Filter Inlet, High Flow

1шт.

16

84298512

TUBE

Filter Outlet, High Flow

1шт.

17

827-12090

BOLT,Hex, M12 x 1.75 x 90mm, Cl 10.9

4шт.

18

A14141

FLANGE

Split Half Clamp, 2.0

2шт.

19

627-12040

BOLT,Hex, M12 x 1.75 x 40mm, Cl 10.9, Full Thd

4шт.

20

238-6228

O-RING,0.139" Thk x 2.234" ID, -228, Cl 6, 90 Duro

2шт.

Выбрано товаров: 20