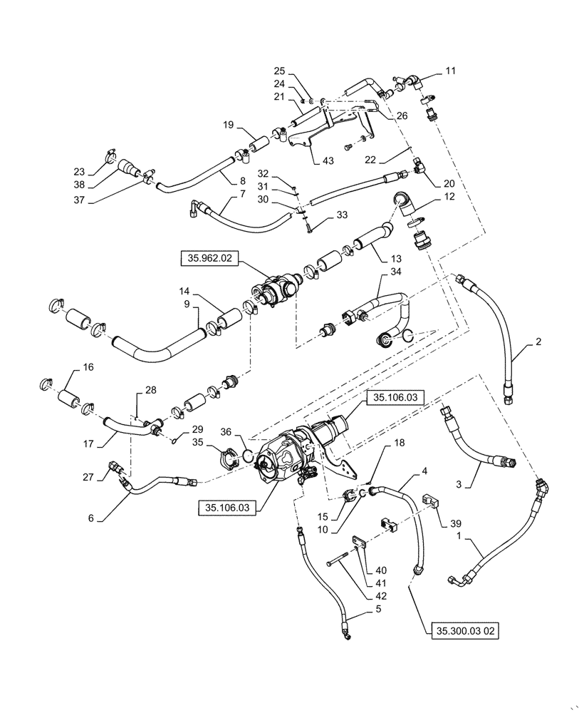
Запчасти Case IH STEIGER 400 (35.300.03[01]) - HIGH CAPACITY PUMP & HOSES POWERSHIFT TRANS RC (35) - HYDRAULIC SYSTEMS

Схема запчастей Case IH STEIGER 400 - (35.300.03[01]) - HIGH CAPACITY PUMP & HOSES POWERSHIFT TRANS RC (35) - HYDRAULIC SYSTEMS
35.106.03
41
24
34
8
31
36
20
22
32
15
25
7
13
9
37
27
21
5
26
11
40
39
30
35
43
14
29
6
10
2
3
33
4
23
38
19
28
1
12
16
42
18
17
35.962.02
35.300.03 02
35.106.03
FIT
1:1
100%

Артикул

Название

Примечание

Количество

1

84288298

HOSE ASSY.,15.88mm ID x 724mm L, SAE 100R1

Axle Lube Pressure

1шт.

2

84241016

HOSE ASSY.

Hydraulic Suction

1шт.

3

84288305

HOSE ASSY.,25.4mm ID x 521mm L, SAE 100R1

Main Charge Pressure

1шт.

4

84180089

HOSE ASSY.

Main Pump Pressure

1шт.

5

84187599

HOSE ASSY.,9.53mm ID x 780mm L, SAE 100R17

Hydraulic Pump

1шт.

6

84376575

HOSE ASSY.,15.88mm ID x 533mm L, SAE 100R1

Pump Drain

1шт.

7

84420675

HOSE ASSY.,12.7mm ID x 1168mm L, SAE 100R1

Air Supply

1шт.

8

84419044

HYD TUBE

Axle Lube Charge Tank

1шт.

9

84376568

TUBE

Main Charge Supply

1шт.

10

238-6222

O-RING,0.139" Thk x 1.484" ID, -222, Cl 6, 90 Duro

1шт.

11

84180095

HOSE

2 In.

1шт.

12

84180096

PLASTIC-RUBBER TUBE

1.25 In.

1шт.

13

84376570

TUBE

Main Charge Supply

1шт.

14

427140A1

HOSE,50.80 mm ID x 101.60 mm

3шт.

15

86980733

CLAMP

2шт.

16

84175844

LARGE HOSE

HOSE,LARGE 1.5 In. I.D.

2шт.

17

84376571

TUBE

Tank Return

1шт.

18

426-828

BOLT,Hex, 1/2" - 13 x 1-3/4", Gr 8

8шт.

19

31-2594

HOSE,1.25" ID x 4.00"

1шт.

20

701-320

ELBOW,90 Degree Elbow, 13/16" - 16 Male ORFS x 13/16" - 16 Female ORFS

1шт.

21

84376567

TUBE

Axle Lube Supply

1шт.

22

238-6014

O-RING,0.07" Thk x 0.489" ID, -14, Cl 6, 90 Duro

2шт.

23

214-1536

HOSE CLAMP,#36, 1.81" - 2.75", Type F Worm, W/ Liner

5шт.

24

832-10410

NUT,M10 x 1.5, Cl 8

2шт.

25

895-15010

WASHER,11mm ID x 24mm OD x 2mm Thk

2шт.

26

253410A1

U-BOLT,M10 x 1.5 x 67mm

BOLT "U"

1шт.

27

701-361

ELBOW,90 Degree Elbow, 1" - 14 Male ORFS x 1" - 14 Female ORFS

1шт.

28

238-6016

O-RING,0.07" Thk x 0.614" ID, -16, Cl 6, 90 Duro

1шт.

29

238-6021

O-RING,15/16 X 1 - 1/16, Cl 6

5шт.

30

515-23206

CLAMP,13/16", Insul, 3/8" Bolt

1шт.

31

895-11008

WASHER,9mm ID x 16mm OD x 1.6mm Thk

27шт.

32

829-1408

NUT,Hex, M8 x 1.25, Cl 10.9

13шт.

33

627-8025

BOLT,Hex, M8 x 1.25 x 25mm, Cl 10.9, Full Thd

6шт.

34

84376573

TUBE

Hydraulic Pump Supply

1шт.

35

L14386

CLAMP

2шт.

36

238-5232

O-RING,0.139" Thk x 2.734" ID, -232, Cl 5, 75 Duro

1шт.

37

214-1520

HOSE CLAMP,#20, 0.81" - 1.75", Type F Worm, W/ Liner

5шт.

38

84379048

HOSE ASSY.

Formed Adaptor

1шт.

39

367489A1

BLOCK

Tube Mount

2шт.

40

84180104

PLATE

Tube Mount

2шт.

41

895-11008

WASHER,9mm ID x 16mm OD x 1.6mm Thk

1шт.

42

827-8070

BOLT,Hex, M8 x 1.25 x 70mm, Cl 10.9

1шт.

43

84376576

BRACKET

Charge Valve Support

1шт.

Выбрано товаров: 43