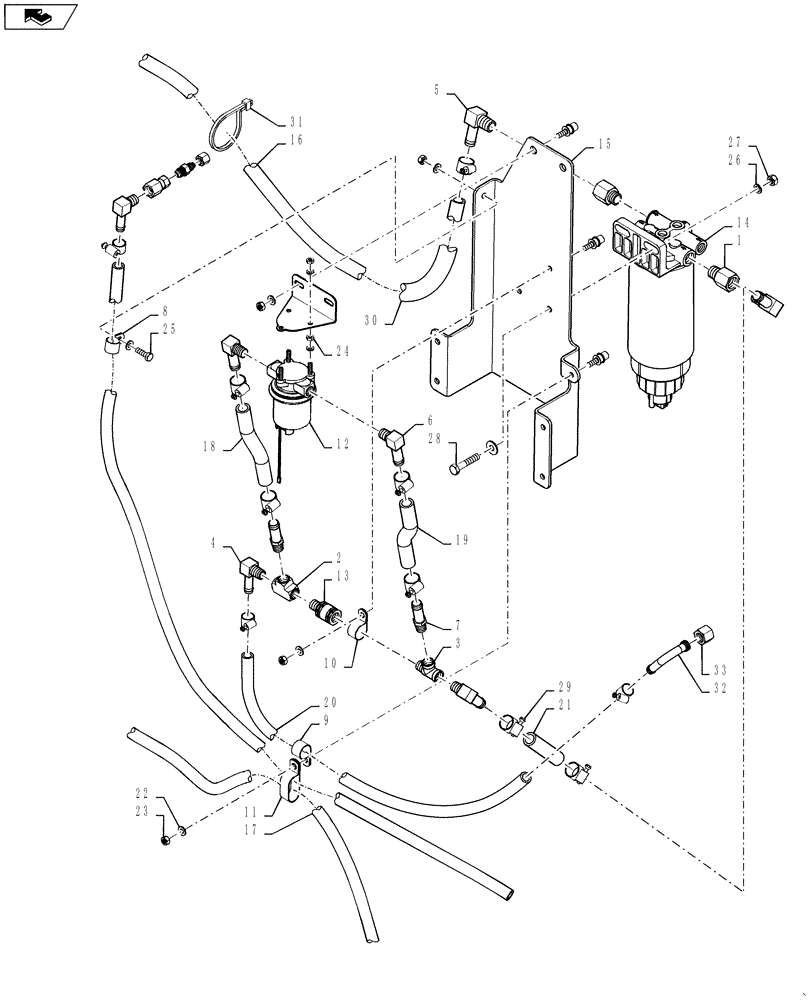
Запчасти Case IH STEIGER 400 (10.210.01) - FUEL FILTER & FUEL TRANSFER PUMP - STEIGER 350 (10) - ENGINE

Схема запчастей Case IH STEIGER 400 - (10.210.01) - FUEL FILTER & FUEL TRANSFER PUMP - STEIGER 350 (10) - ENGINE
13
8
27
22
26
4
21
17
25
12
10
32
29
31
6
1
7
28
2
11
20
19
home
30
24
5
23
18
33
15
14
16
9
3
FIT
1:1
100%

Артикул

Название

Примечание

Количество

1

84322798

ADAPTER

M18 ORR x 1/2 NPTF

2шт.

2

217-12

TEE,3/8"-18 NPTF Fem

1шт.

3

217-52

TEE,3/8"-18 NPTF Fem x 3/8"-18 NPTF Male Run

1шт.

4

217-133

ELBOW,90 Degree Elbow, 1/2" Hose Barb x 3/8" Male NPTF

2шт.

5

217-134

ELBOW,90 Degree Elbow, 5/8" Hose Barb x 1/2" Male NPTF

2шт.

6

217-332

FITTING,90 Degree Elbow, 5/8" Hose Barb x 3/8" Male NPTF

3шт.

7

217-376

FITTING,5/8" Hose Barb x 3/8" Male NPTF

2шт.

8

515-23206

CLAMP,13/16", Insul, 3/8" Bolt

1шт.

9

515-23238

CLAMP,15/16", Insul, 3/8" Bolt

2шт.

10

515-23286

CLAMP,1-1/8", Insul, 3/8" Bolt

1шт.

11

R54363

CLAMP

4шт.

12

87282080

FUEL PUMP,12V, 12A

1шт.

13

87365506

CHECK VALVE

1шт.

14

84322789

FUEL FILTER

Fuel Filter Base

1шт.

15

84365999

BRACKET, SUPPORTING

Fuel Pump - Without Studs (Item #34)

1шт.

16

31-2996

FUEL HOSE

3429mm Length

1шт.

17

84394767

FLEXIBLE HOSE

Fuel, 7160mm Length

1шт.

18

87362717

HOSE,15.9mm ID x 152.4mm L

Fuel, 152.4mm Length

1шт.

19

87362717

HOSE,15.9mm ID x 152.4mm L

Fuel, 152.4mm Length

1шт.

20

8500164

HOSE

Fuel

1шт.

21

31-3016

FUEL HOSE,15.9mm ID x 95.3mm L

95.3mm Length

1шт.

22

895-11008

WASHER,9mm ID x 16mm OD x 1.6mm Thk

36шт.

23

829-1408

NUT,Hex, M8 x 1.25, Cl 10.9

18шт.

24

832-10408

NUT,M8 x 1.25, Cl 8.8

6шт.

25

627-8025

BOLT,Hex, M8 x 1.25 x 25mm, Cl 10.9, Full Thd

8шт.

26

895-15010

WASHER,11mm ID x 24mm OD x 2mm Thk

4шт.

27

832-10410

NUT,M10 x 1.5, Cl 8

2шт.

28

827-10050

BOLT,Hex, M10 x 1.5 x 50mm, Cl 10.9

2шт.

29

214-1408

HOSE CLAMP,11.2mm - 19.8mm

10шт.

30

84401010

PROTECTIVE SLEEVE,24mm ID x 325mm L

Heat

1шт.

31

L11541

CABLE TIE,203.2mm L, Nylon

Nylon, 8 In.

6шт.

32

84203513

FUEL TUBE

Supply - 9L

1шт.

33

703-902

TUBE NUT,13/16" - 16

1шт.

34

432908A1

STUD

Threaded Captive (Not Shown)

4шт.

Выбрано товаров: 34