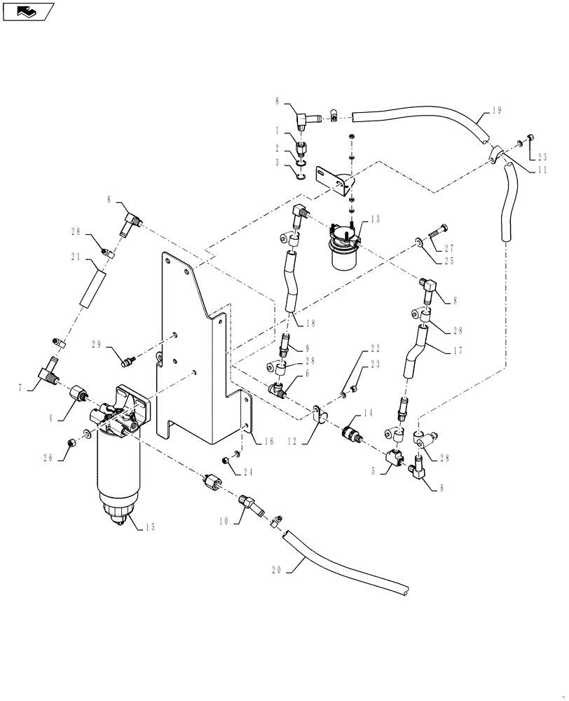
Запчасти Case IH STEIGER 400 (10.210.02) - FUEL FILTER & FUEL TRANSFER PUMP - STEIGER 400 - 450 (10) - ENGINE

Схема запчастей Case IH STEIGER 400 - (10.210.02) - FUEL FILTER & FUEL TRANSFER PUMP - STEIGER 400 - 450 (10) - ENGINE
19
4
29
17
6
8
14
1
8
18
22
12
10
11
24
8
23
13
16
2
21
26
25
28
home
3
28
8
27
28
9
5
28
23
15
20
7
FIT
1:1
100%

Артикул

Название

Примечание

Количество

1

86990398

FITTING

Male / Female NPTF

1шт.

2

86990401

RING

Retaining

1шт.

3

86990399

O-RING

1шт.

4

84322798

ADAPTER

M18 ORR x 1/2 NPTF

2шт.

5

217-12

TEE,3/8"-18 NPTF Fem

1шт.

6

217-52

TEE,3/8"-18 NPTF Fem x 3/8"-18 NPTF Male Run

1шт.

7

217-134

ELBOW,90 Degree Elbow, 5/8" Hose Barb x 1/2" Male NPTF

1шт.

8

217-332

FITTING,90 Degree Elbow, 5/8" Hose Barb x 3/8" Male NPTF

5шт.

9

217-376

FITTING,5/8" Hose Barb x 3/8" Male NPTF

2шт.

10

217-144

45 ELBOW,45 Degree Elbow, 5/8" Hose Barb x 1/2" Male NPTF

1шт.

11

515-23222

CLAMP,7/8", Insul, 3/8" Bolt

2шт.

12

515-23286

CLAMP,1-1/8", Insul, 3/8" Bolt

1шт.

13

87282080

FUEL PUMP,12V, 12A

1шт.

14

87365506

CHECK VALVE

1шт.

15

84322789

FUEL FILTER

1шт.

16

84365999

BRACKET, SUPPORTING

Fuel Pump Support - Without Studs

1шт.

17

87362717

HOSE,15.9mm ID x 152.4mm L

152.4mm (6.00 In)

1шт.

18

87362717

HOSE,15.9mm ID x 152.4mm L

152.4mm (6.00 In)

1шт.

19

84197929

FUEL HOSE,15.9mm ID x 723.9mm L

723.9mm (28.50 In)

1шт.

20

31-2996

FUEL HOSE

3429.0mm (135.00 In)

1шт.

21

31-3016

FUEL HOSE,15.9mm ID x 95.3mm L

95.3mm L (3.75 In)

1шт.

22

895-11008

WASHER,9mm ID x 16mm OD x 1.6mm Thk

14шт.

23

829-1408

NUT,Hex, M8 x 1.25, Cl 10.9

3шт.

24

832-10408

NUT,M8 x 1.25, Cl 8.8

6шт.

25

895-15010

WASHER,11mm ID x 24mm OD x 2mm Thk

4шт.

26

832-10410

NUT,M10 x 1.5, Cl 8

2шт.

27

827-10050

BOLT,Hex, M10 x 1.5 x 50mm, Cl 10.9

2шт.

28

214-1408

HOSE CLAMP,11.2mm - 19.8mm

12шт.

29

432908A1

STUD

4шт.

Выбрано товаров: 29