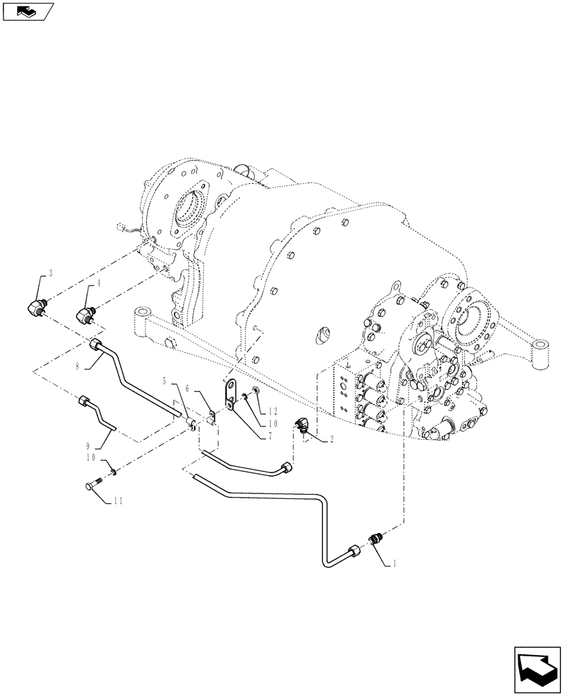
Запчасти Case IH STEIGER 400 (14.102.06) - PTO - POWERSHIFT 4 CLUTCH LUBE (14) - MAIN GEARBOX & DRIVE

Схема запчастей Case IH STEIGER 400 - (14.102.06) - PTO - POWERSHIFT 4 CLUTCH LUBE (14) - MAIN GEARBOX & DRIVE
8
home
12
10
9
3
6
7
2
10
5
1
4
11
FIT
1:1
100%

Артикул

Название

Примечание

Количество

1

86579676

HYD CONNECTOR,13/16" - 16 ORFS x M18 x 1.5 ORB

1шт.

2

86579686

90 ELBOW,11/16"-16 ORFS x M14 x 1.5 ORB

1шт.

3

86579691

90 ELBOW,90 Degree, 13/16"-18 ORFS x M18 x 1.5 ORB

1шт.

4

86579688

ELBOW,90 Degree, 11/16"-18 ORFS x M18 x 1.5 ORB

1шт.

5

86572009

CLAMP,9.5mm, Coat, 10.3mm Bolt Hole, P Type

1шт.

6

86010402

CLAMP,12.7mm, Coat, 10.3mm Bolt Hole, P Type

1шт.

7

84283861

BRACKET

Clutch Tube Support

1шт.

8

84283542

HYD TUBE

Clutch Lube PS4

1шт.

9

84283540

HYD TUBE

Clutch Control PS4

1шт.

10

86624184

WASHER,9mm ID x 16mm OD x 1.6mm Thk

2шт.

11

43234

BOLT,Hex, M8 x 1.25 x 25mm, Cl 10.9, Full Thd

1шт.

12

43362

NUT,M8 x 1.25, Cl 10

1шт.

Выбрано товаров: 12