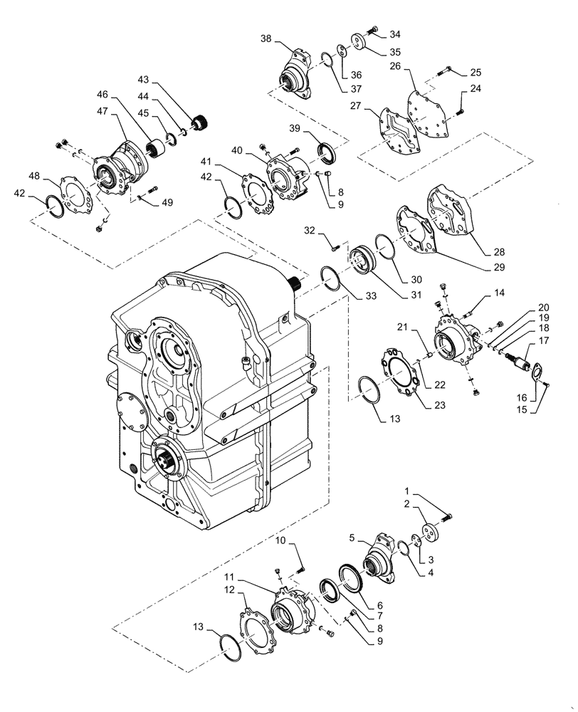
Запчасти Case IH STEIGER 400 (21.113.02) - TRANSMISSION - POWER SHIFT - FRONT HOUSING YOKES AND RETAINERS, PS4, 8C AND 8.5C (21) - TRANSMISSION

Схема запчастей Case IH STEIGER 400 - (21.113.02) - TRANSMISSION - POWER SHIFT - FRONT HOUSING YOKES AND RETAINERS, PS4, 8C AND 8.5C (21) - TRANSMISSION
32
3
34
21
42
42
37
44
30
4
43
31
10
7
9
23
17
48
24
1
11
33
26
39
8
49
9
13
5
28
22
12
38
41
2
13
18
8
46
29
40
36
6
16
25
20
19
15
45
35
14
27
47
FIT
1:1
100%

Артикул

Название

Примечание

Количество

84317502R

REMAN-TRANSMISSION

Reman PS4 Transmission 8C For Steiger 350, Steiger 400, Steiger 450, All (12/10)

1шт.

84317502C

CORE-TRANSMISSION

Return Number

1шт.

1

514-853

BOLT,Hex, M12 x 1.25 x 35mm, Cl 10.9, Full Thd

6шт.

2

427515A1

RETAINING PLATE

Washer

2шт.

3

427517A1

SHIM,0.1mm Thk

1шт.

3

427519A1

SHIM,0.3mm Thk

1шт.

4

428165A1

O-RING

2шт.

5

373137A1

COUPLING FLANGE

Yoke, Output, 8C

1шт.

5

362598A1

COUPLING FLANGE

Yoke, Output, 8.5C

1шт.

6

362601A1

RING

Speed Pick-Up

1шт.

7

427514A1

OIL SEAL

1шт.

8

220064A1

PLUG,M14 x 1.5, ORB

W/ O-ring

14шт.

9

637-63113

O-RING,2.2mm Thk x 11.3mm ID, Cl 6

14шт.

10

514-730

BOLT,Hex, M10 x 1.25 x 35mm, Cl 8.8, Full Thd

24шт.

11

362602A1

RETAINER

Output

1шт.

12

362603A1

GASKET

Output Retainer

1шт.

13

427564A1

SHIM,0.1mm Thk

, Years: -01-AUG-12

1шт.

13

47402749

SHIM,0.2mm Thk

SHIM 0.1mm Thk, Start Year: 01-SEP-12

1шт.

13

427565A1

SHIM,0.15mm Thk

, Years: -01-AUG-12

1шт.

13

47402759

SHIM,0.25mm Thk

SHIM 0.15mm Thk, Start Year: 01-SEP-12

1шт.

13

427566A1

SHIM,0.3mm Thk

1шт.

13

47402839

SHIM,0.35mm Thk

SHIM 0.35mm Thk

1шт.

13

427567A1

SHIM,0.5mm Thk

1шт.

13

427568A1

SHIM,0.7mm Thk

1шт.

14

87351399

MANIFOLD VALVE

Collector Assy, Clutch

1шт.

15

614-8020

BOLT,Hex, M8 x 1.25 x 20mm

2шт.

16

87351402

PLATE

Valve Retainer

1шт.

17

84173878

SOLENOID

Proportional - PWM, Incl 18 - 20

1шт.

18

238-7015

O-RING,0.07" Thk x 0.551" ID, -15, Cl 7, 75 Duro

1шт.

19

238-7016

O-RING,0.07" Thk x 0.614" ID, -16, Cl 7, 75 Duro

1шт.

20

87014033

O-RING,0.07" Thk x 0.801" ID, -19, Cl 7, 75 Duro

1шт.

21

87350436

CHECK VALVE,4.45mm

4.45MM

1шт.

22

100-2156

SNAP RING,0.562", Int, #56

1шт.

23

84315786

GASKET

Collector

1шт.

24

514-712

BOLT,Hex, M10 x 1.25 x 25mm, Cl 8.8, Full Thd

2шт.

25

84315320

BOLT

4шт.

26

84315363

PLATE

Valve

1шт.

27

84315323

GASKET

Valve Plate

1шт.

28

84315365

PLATE

Ditch

1шт.

29

87351393

GASKET

3rd

1шт.

30

362574A1

O-RING

1шт.

31

87362252

BEARING ASSY

3rd Bearing

1шт.

32

614-8040

BOLT,Hex, M8 x 1.25 x 40mm, Cl 8.8, Full Thd

2шт.

33

84315375

SHIM,0.2mm Thk

0.2mm Thk

1шт.

33

84315377

SHIM,0.25mm Thk

0.25mm Thk

1шт.

33

362576A1

SHIM,0.3mm Thk

1шт.

33

84315378

SHIM,0.35mm Thk

0.35mm Thk

1шт.

34

514-915

BOLT,Hex, M14 x 1.5 x 35mm, Cl 8.8, Full Thd

2шт.

35

427539A1

RETAINING PLATE

Washer

1шт.

36

427560A1

SHIM,0.1mm Thk

1шт.

36

427561A1

SHIM,0.3mm Thk

1шт.

36

427562A1

SHIM,0.7mm Thk

1шт.

37

428162A1

O-RING,0.21" Thk x 1.725" ID, -327, Cl 5, 75 Duro

1шт.

38

373136A1

COUPLING FLANGE

Yoke, Input

1шт.

39

428159A1

OIL SEAL

1шт.

40

362564A1

RETAINER

Input

1шт.

41

362565A1

GASKET

Input Retainer

1шт.

42

359242A1

SHIM,0.1mm Thk

, Years: -01-AUG-12

1шт.

42

47403798

SHIM,0.2mm Thk

SHIM 0.1mm Thk, Start Year: 01-SEP-12

1шт.

42

359243A1

SHIM,0.15mm Thk

, Years: -01-AUG-12

1шт.

42

47403799

SHIM,0.25mm Thk

SHIM 0.15mm Thk, Start Year: 01-SEP-12

1шт.

42

359244A1

SHIM,0.3mm Thk

1шт.

42

47403801

SHIM,0.35mm Thk

SHIM 0.35mm Thk

1шт.

42

359251A1

SHIM,0.5mm Thk

1шт.

43

362566A1

ADAPTER

Pump

1шт.

44

800-2128

SNAP RING,M28, Int

1шт.

45

428681A1

RING, SNAP

1шт.

46

362567A1

COUPLING

Pump

1шт.

47

84315338

RETAINER

2nd Shaft Bearing

1шт.

48

362569A1

GASKET

2nd Retainer

1шт.

49

892-11010

LOCK WASHER,M10

6шт.

Выбрано товаров: 71