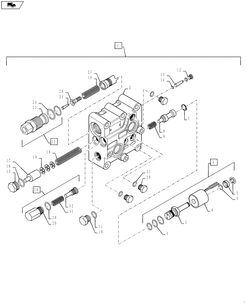
Запчасти Case IH STEIGER 400 (21.135.02) - TRANSMISSION - POWER SHIFT- REGULATOR VALVE (21) - TRANSMISSION

Схема запчастей Case IH STEIGER 400 - (21.135.02) - TRANSMISSION - POWER SHIFT- REGULATOR VALVE (21) - TRANSMISSION
4
29
3
32
18
7
11
5
13
25
1
12
31
21
17
24
15
2
10
5
22
19
14
19
20
9
23
4
8
6
30
16
home
28
27
26
FIT
1:1
100%

Артикул

Название

Примечание

Количество

1

84314757

VALVE

Regulator - Incl 2 - 32

1шт.

2

NSS

NOT SOLD SEPARAT

Valve Body

1шт.

3

371737A1

SOLENOID VALVE

3-Way, Incl 4 - 6

1шт.

3

371737A1R

REMAN-SOLENOID

3-Way, Incl 4 - 6

1шт.

3

371737A1C

CORE-SOLENOID

Return Number

1шт.

4

371738A1

O-RING KIT

O-Ring

1шт.

5

370600A1

SOLENOID VALVE

Pilot Assembly

1шт.

6

371739A1

COIL

1шт.

7

428679A1

RING, SNAP

Retaining

1шт.

8

370597A1

SPOOL

1шт.

9

370596A1

SPRING

1шт.

10

220066A1

PLUG,M18 x 1.5, ORB

Incl 11

1шт.

11

637-63153

O-RING,2.2mm Thk x 15.3mm ID, Cl 6, 90 Duro

1шт.

12

428678A1

PLUG

Hex Socket Boss

1шт.

13

428677A1

FILTER

Conical

1шт.

14

428676A1

O-RING,0.07" Thk x 0.18" ID, -8, Cl 5, 75 Duro

Filter

1шт.

15

87431407

PLUG

Lube Pressure

1шт.

16

87431408

O-RING

1шт.

17

398444A1

VALVE

Spool, Lube

1шт.

18

398445A1

SHIM,0.79mm Thk

1шт.

19

398443A1

SPRING

2шт.

20

220064A1

PLUG,M14 x 1.5, ORB

Inc. 21

3шт.

21

637-63113

O-RING,2.2mm Thk x 11.3mm ID, Cl 6

3шт.

22

47368269

VALVE, PRESSURE CONT

Assembly, Incl 23 - 24

1шт.

23

87350403

PILOT VALVE

1шт.

24

87350407

KIT

Pilot Valve O-Ring

1шт.

25

87362229

FILTER SCREEN

1шт.

26

87350417

FILTER COVER

1шт.

27

87350419

SPOOL

Main Pressure

1шт.

28

84314761

BY-PASS VALVE

Assembly, Incl 29 - 32

1шт.

29

84314762

VALVE

Body, Bypass

1шт.

30

84314796

O-RING

1шт.

31

87431406

VALVE SPRING

1шт.

32

84314768

VALVE

Bypass Poppet

1шт.

Выбрано товаров: 34