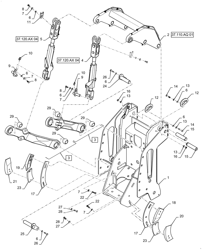
Запчасти Case IH STEIGER 400 (37.120.AX[05]) - 3 POINT HITCH MOUNT / ASSY, ASN ZDF138001 (37) - HITCHES, DRAWBARS & IMPLEMENT COUPLINGS

Схема запчастей Case IH STEIGER 400 - (37.120.AX[05]) - 3 POINT HITCH MOUNT / ASSY, ASN ZDF138001 (37) - HITCHES, DRAWBARS & IMPLEMENT COUPLINGS
37.110.aq 01
28
13
14
29
6
10
12
10
26
6
17
4
6
29
2
8
24
16
22
5
28
8
19
1
15
9
7
13
16
23
6
7
17
7
25
7
15
7
13
13
3
12
22
6
8
27
3
26
27
9
14
11
20
18
6
29
23
29
21
6
37.120.ax 04
37.120.ax 04
FIT
1:1
100%

Артикул

Название

Примечание

Количество

1

47509749

MOUNT

Three Point Hitch

1шт.

2

84192696

ROCKSHAFT

1шт.

3

84384102

LINK ARM ASSY KIT

Lower

2шт.

4

47514388

LIFT LINK

RH

1шт.

5

47514303

LIFT LINK

LH

1шт.

6

70-5967T1

SPACER,16.7mm ID x 22.2mm OD x 11.2mm

8шт.

7

896-15016

WASHER,17.5mm ID x 34mm OD x 5mm Thk

22шт.

8

627-16035

BOLT,Hex, M16 x 2 x 35mm, Cl 10.9, Full Thd

4шт.

9

322096A1

PIN,31.85mm OD x 132mm L

Weld

2шт.

10

A30338

PIN

2шт.

11

84209045

PIN,44.37mm OD x 115mm L

Upper Lift Link

2шт.

12

403204A1

PLATE

Retainer

2шт.

13

896-11016

WASHER,17.5mm ID x 30mm OD x 4mm Thk

4шт.

14

827-16080

BOLT,Hex, M16 x 2 x 80mm, Cl 10.9

2шт.

15

321188A2

PIN,50.9mm OD x 215mm L

2шт.

16

829-1416

NUT,M16, Cl 10

10шт.

17

47503595

SUPPORT

Hitch sway

2шт.

18

47544464

LINK BLOCK

No Sway RT RH Lower

1шт.

19

47543874

LINK BLOCK

RH

1шт.

20

47543872

LINK BLOCK

LH

1шт.

21

47544462

LINK BLOCK

No Sway RT LH Lower

1шт.

22

627-16060

BOLT,Hex, M16 x 2 x 60mm, Cl 10.9, Full Thd

10шт.

23

47543870

SUPPORT

Sway Restriction RT RH

1шт.

24

47503583

SUPPORT

Sway Restriction RT LH

1шт.

25

347641A1

PIN

Weld

1шт.

26

348061A1

PIN

Weld

1шт.

27

827-16060

BOLT,Hex, M16 x 2 x 60mm, Cl 10.9

2шт.

28

827-16090

BOLT,Hex, M16 x 2 x 90mm, Cl 10.9

2шт.

29

275912A1

BALL,51.31mm ID x 82.35mm OD

4шт.

Выбрано товаров: 29