Запчасти Case IH STEIGER 400 (55.100.DP[03]) - ENGINE WIRING - STEIGER 400-500 (55) - ELECTRICAL SYSTEMS

Схема запчастей Case IH STEIGER 400 - (55.100.DP[03]) - ENGINE WIRING - STEIGER 400-500 (55) - ELECTRICAL SYSTEMS
18
6
16
15
31
28
14
24
14
13
2
14
16
13
14
12
9
22
14
home
26
1
13
22
17
14
15
13
20
25
22
23
10
21
29
11
14
4
13
16
13
30
15
13
7
19
3
13
8
13
13
27
5
FIT
1:1
100%

Артикул

Название

Примечание

Количество

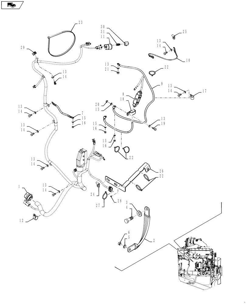
1

84392265

WIRE HARNESS

Engine, 13L - See Figure 55.100.DP(04)

1шт.

2

87362573

GROUND CABLE

Engine to Chassis

1шт.

3

896-15018

WASHER,20mm ID x 41mm OD x 5mm Thk

1шт.

4

87384304

BOLT,Hex, M18 x 2 x 50mm, Cl 10.9

Hex Head, M18 x 2 x 50 CL10.9 ZND

1шт.

5

896-11012

WASHER,13.5mm ID x 24mm OD x 3mm Thk

1шт.

6

829-1412

NUT,M12, Cl 10.9

1шт.

7

87548592

CABLE

Grid Heater to Ground

1шт.

8

87542685

CABLE

Alternator to Grid Heater

1шт.

9

87548591

CABLE

Grid Heater Relay

1шт.

10

87353517

GROUND CABLE

A/C Compressor Ground

1шт.

11

84418779

RESTRICTION SWITCH

Air Filter

1шт.

12

515-22254

CLAMP,1", Insul, 5/16" Bolt

1шт.

13

895-11008

WASHER,9mm ID x 16mm OD x 1.6mm Thk

10шт.

14

627-8020

BOLT,Hex, M8 x 1.25 x 20mm, Cl 10.9, Full Thd

7шт.

15

895-11006

WASHER,6.6mm ID x 12mm OD x 1.6mm Thk

3шт.

16

832-10406

NUT,M6 x 1, Cl 8

3шт.

17

515-23175

CLAMP,11/16", Insul, 3/8" Bolt

1шт.

18

L101181

CLAMP,0.75" D Clamping pipes x 2

Insulated, Double

1шт.

19

627-8025

BOLT,Hex, M8 x 1.25 x 25mm, Cl 10.9, Full Thd

1шт.

20

829-1408

NUT,Hex, M8 x 1.25, Cl 10.9

1шт.

21

832-10408

NUT,M8 x 1.25, Cl 8.8

1шт.

22

L11541

CABLE TIE,203.2mm L, Nylon

Tie, Black, 7 - 8 Inch

6шт.

23

440567A1

CABLE TIE

1шт.

24

515-2595

CLAMP,3/8", Insul, 1/2" Bolt

1шт.

25

515-2395

CLAMP,3/8", Insul, 3/8" Bolt

1шт.

26

84305983

BRACKET

Harness

1шт.

27

86590413

BASE,15.87mm W x 22.22mm OAL x 9.9mm Thk

Wire Tie

1шт.

28

445394

RIVET,Pop, 3/16" x 1/2" OAL

1шт.

29

833-40408

NUT,M8, U

1шт.

30

217-1014

ELBOW,1/8" - 27 Female x 1/8" - 27 Male

1шт.

31

D36264

FITTING

Air Cleaner Adaptor

1шт.

Выбрано товаров: 31