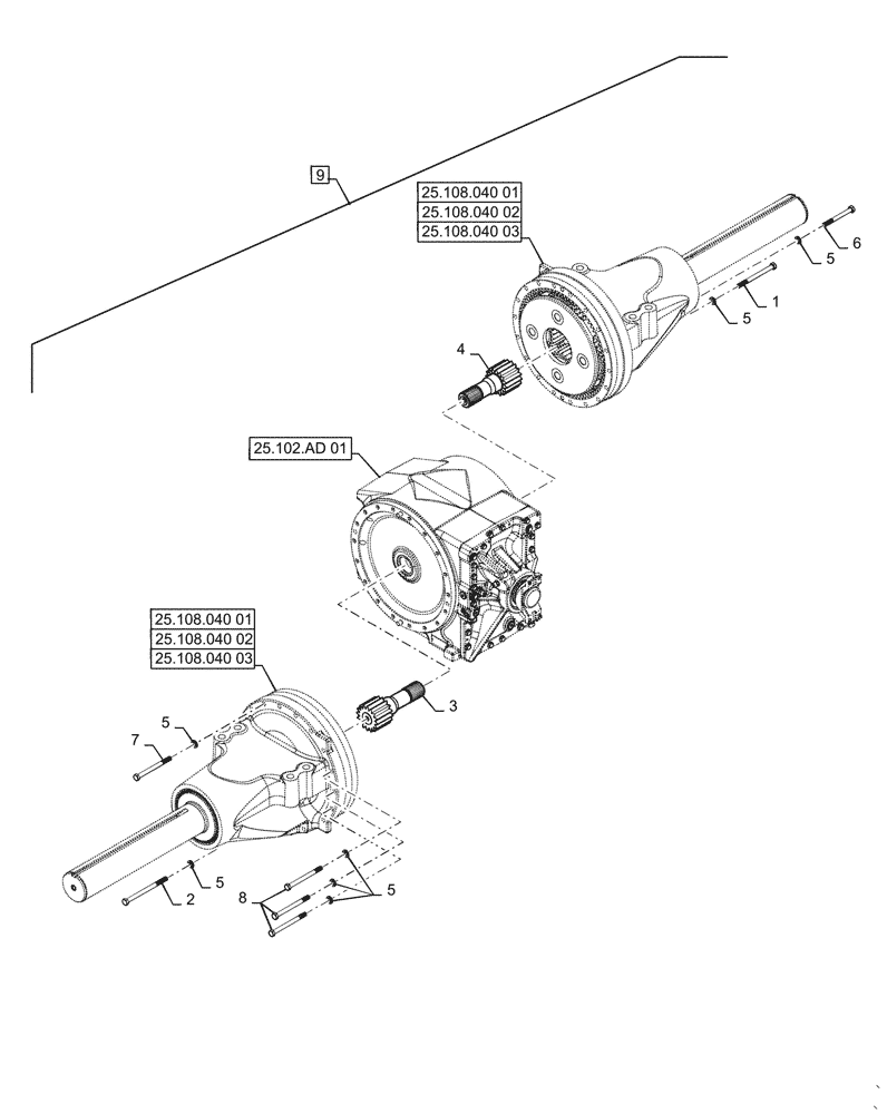
Запчасти Case IH STEIGER 420 (25.100.040) - VAR - 424823, 424824 - FRONT AXLE, 425 SERIES (25) - FRONT AXLE SYSTEM

Схема запчастей Case IH STEIGER 420 - (25.100.040) - VAR - 424823, 424824 - FRONT AXLE, 425 SERIES (25) - FRONT AXLE SYSTEM
25.108.040 02
2
5
5
5
3
4
6
8
5
9
1
7
5
25.108.040 03
25.108.040 03
25.102.ad 01
25.108.040 01
25.108.040 01
25.108.040 02
FIT
1:1
100%

Артикул

Название

Примечание

Количество

1

84233540

BOLT,Hex, M16 x 190mm, Cl 12.9

4шт.

2

84233541

BOLT,Hex, M16 x 220mm, Cl 12.9

4шт.

3

310692A1

SHAFT

Sun Gear, 16T, Long

1шт.

4

310693A1

SHAFT

Sun Gear, 16T, Short

1шт.

5

896-12016

WASHER,17.5mm ID x 30mm OD x 4mm Thk

36шт.

6

84233538

BOLT,Hex, M16 x 150mm, Cl 12.9

14шт.

7

84233539

BOLT,Hex, M16 x 180mm, Cl 12.9

11шт.

8

390873A1

SPECIAL BOLT

M16 x 180mm, Cl 10.9

3шт.

9

84254599

W/O Diff Lock, Serial Range: -ZFF308257

1шт.

9

47812938

FRONT AXLE

W/O Diff Lock, Start Serial: ZFF308258

1шт.

9

84254602

W/ Diff Lock, Serial Range: -ZFF308257

1шт.

9

47812940

FRONT AXLE

W/ Diff Lock, Serial Range: ZFF308258-ZGF309433

1шт.

9

47813459

W/ Diff Lock, Start Serial: ZGF309434

FRONT AXLE

1шт.

Выбрано товаров: 13