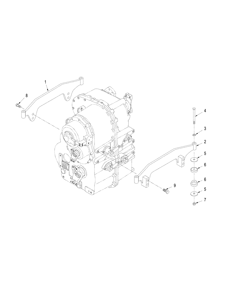
Запчасти Case IH STEIGER 430 (06-29) - TRANSMISSION MOUNTING, MANUAL SHIFT TRANSMISSION (06) - POWER TRAIN

Схема запчастей Case IH STEIGER 430 - (06-29) - TRANSMISSION MOUNTING, MANUAL SHIFT TRANSMISSION (06) - POWER TRAIN
7
5
9
2
4
6
3
5
8
6
1
FIT
1:1
100%

Артикул

Название

Примечание

Количество

1

388851A1

PLATE

Transmission Mounting, LH

1шт.

2

397581A1

PLATE

Transmission, RH

1шт.

3

896-11022

WASHER,24mm ID x 44mm OD x 4mm Thk

4шт.

4

828-22190

BOLT,Hex, M22 x 2.5 x 190mm, Cl 10.9

4шт.

5

379611A1

WASHER

8шт.

6

340967A1

RUBBER MOUNTING

4шт.

7

829-1422

NUT,M22 x 2.5, Cl 10

4шт.

8

627-20060

BOLT,Hex, M20 x 2.5 x 60mm, Cl 10.9, Full Thd

8шт.

9

827-20120

BOLT,Hex, M20 x 2.5 x 120mm, Cl 10.9

4шт.

Выбрано товаров: 9