Запчасти Case IH STEIGER 435 (04-40) - CAB POWER CUT-OFF SWITCH (04) - ELECTRICAL SYSTEMS

Схема запчастей Case IH STEIGER 435 - (04-40) - CAB POWER CUT-OFF SWITCH (04) - ELECTRICAL SYSTEMS
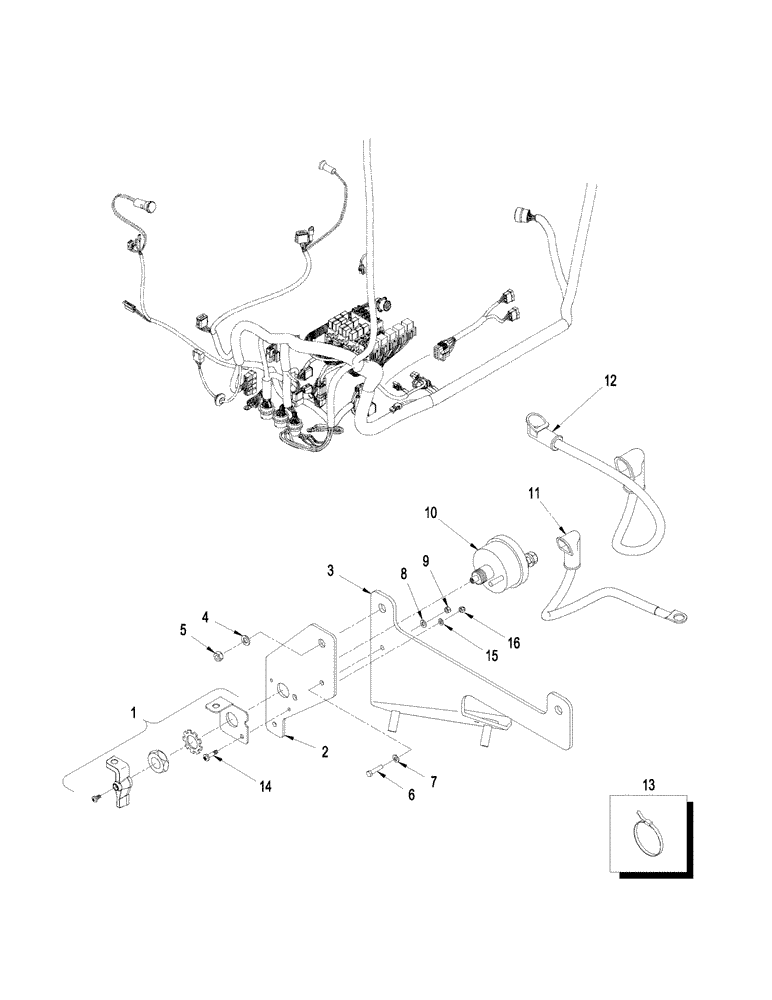
9
1
16
3
10
13
2
7
5
4
8
14
15
12
6
11
FIT
1:1
100%

Артикул

Название

Примечание

Количество

1

87409315

KIT

Disconnect Switch

1шт.

2

87489244

BRACKET

Switch Mounting

1шт.

3

87537777

BRACKET

Cab Harness

1шт.

4

895-11010

WASHER,11mm ID x 20mm OD x 2mm Thk

4шт.

5

829-1410

NUT,M10 x 1.5, Cl 10.9

4шт.

6

614-5020

BOLT,Hex, M5 x 0.8 x 20mm, Cl 8.8, Full Thd

1шт.

7

895-11005

WASHER,5.5mm ID x 10mm OD x 1mm Thk

1шт.

8

892-11005

LOCK WASHER,M5

1шт.

9

825-1405

NUT,M5, Cl 8

1шт.

10

87458467

ROTARY SWITCH

Master Disconnect

1шт.

11

87489548

WIRE HARNESS

Switch to Cab B+ Power Stud

1шт.

12

87489547

WIRE HARNESS

Circuit, Serial Range: Breaker-Swtich

1шт.

13

L11541

CABLE TIE,203.2mm L, Nylon

CABLE STRAP 7-8" Nylon

1шт.

14

840-1412

SCREW,Hex Skt, M4 x 12mm, Cl 4.8

2шт.

15

895-11004

WASHER,4.3mm ID x 9mm OD x 0.8mm Thk

2шт.

16

832-10404

NUT,M4 x 0.7, Cl 8.8

2шт.

Выбрано товаров: 16