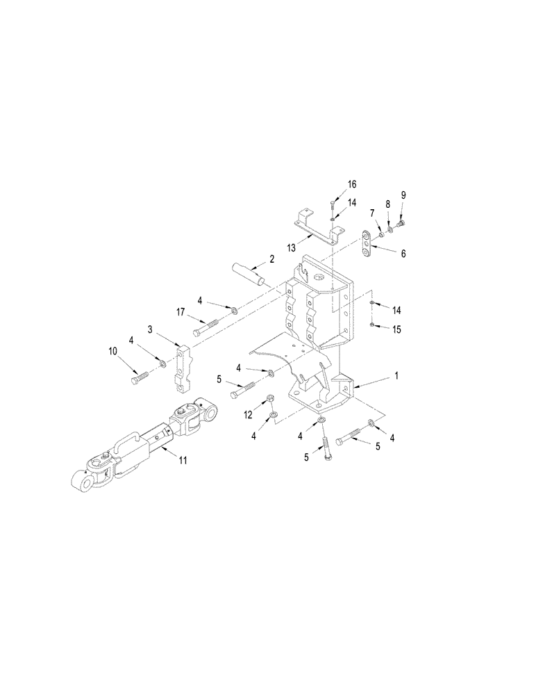
Запчасти Case IH STEIGER 435 (09-03) - THREE POINT HITCH - UPPER LINK, WITHOUT POWER TAKEOFF (09) - CHASSIS

Схема запчастей Case IH STEIGER 435 - (09-03) - THREE POINT HITCH - UPPER LINK, WITHOUT POWER TAKEOFF (09) - CHASSIS
4
9
2
4
4
16
17
5
3
1
4
5
14
15
10
8
4
14
12
11
13
7
4
6
5
FIT
1:1
100%

Артикул

Название

Примечание

Количество

1

403739A1

BRACKET

Mounting, Upper Link, without PTO

1шт.

2

309663A1

PIN

1шт.

3

403737A1

CLAMP

2шт.

4

896-11020

WASHER,22mm ID x 37mm OD x 4mm Thk

16шт.

5

827-20130

BOLT,Hex, M20 x 2.5 x 130mm, Cl 10.9

4шт.

6

259389A1

PLATE

Retaining

2шт.

7

70-5967T1

SPACER,16.7mm ID x 22.2mm OD x 11.2mm

2шт.

8

896-11016

WASHER,17.5mm ID x 30mm OD x 4mm Thk

2шт.

9

627-16025

BOLT,Hex, M16 x 2 x 25mm, Cl 10.9, Full Thd

2шт.

10

827-20080

BOLT,Hex, M20 x 2.5 x 80mm, Cl 10.9

6шт.

11

NSS

NOT SOLD SEPARAT

Link, Upper, See Figure: 09-05

1шт.

12

829-1420

NUT,M20, Cl 10

2шт.

13

403736A1

PLATE

1шт.

14

895-11010

WASHER,11mm ID x 20mm OD x 2mm Thk

4шт.

15

829-1410

NUT,M10 x 1.5, Cl 10.9

2шт.

16

627-10035

BOLT,Hex, M10 x 1.5 x 35mm, Cl 10.9, Full Thd

2шт.

17

827-20090

BOLT,Hex, M20 x 2.5 x 90mm, Cl 10.9

4шт.

Выбрано товаров: 17