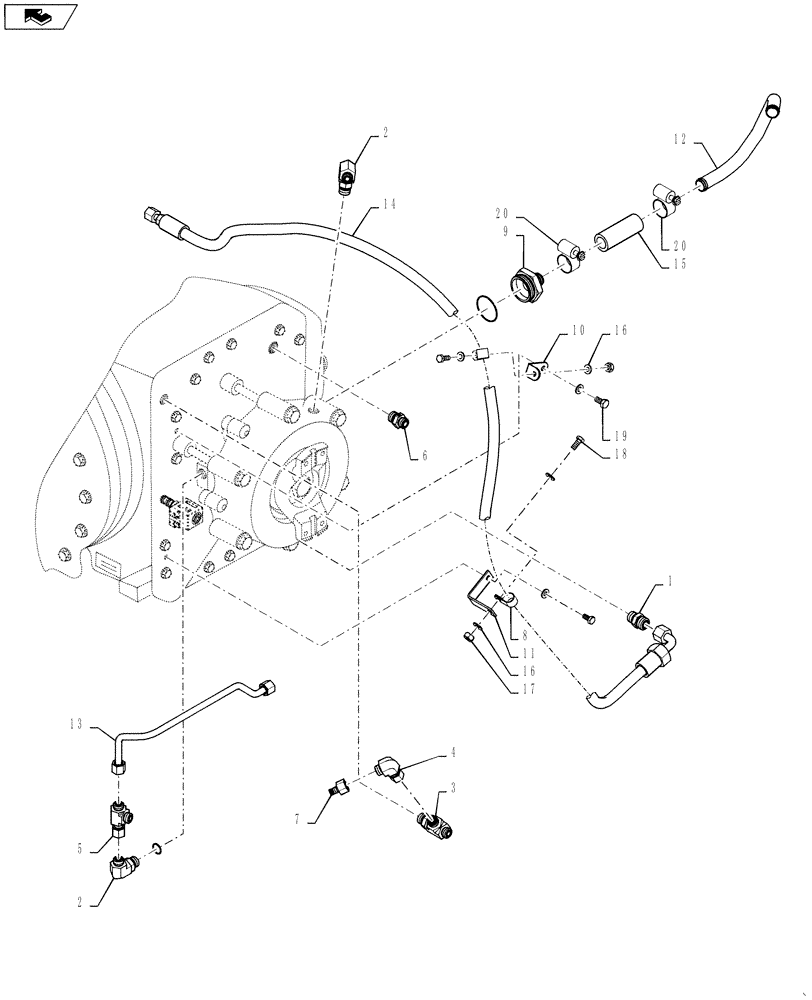
Запчасти Case IH STEIGER 450 (35.128.05) - 315 / 425 SERIES AXLE LUBE, REAR AXLE W/O DIFF. LOCK - HOSE & FITTINGS (35) - HYDRAULIC SYSTEMS

Схема запчастей Case IH STEIGER 450 - (35.128.05) - 315 / 425 SERIES AXLE LUBE, REAR AXLE W/O DIFF. LOCK - HOSE & FITTINGS (35) - HYDRAULIC SYSTEMS
4
2
2
20
9
3
home
10
20
6
15
19
8
16
13
16
18
5
12
7
14
17
11
1
FIT
1:1
100%

Артикул

Название

Примечание

Количество

1

700-103

HYD CONNECTOR,1" - 14 Male ORFS x M22 x 1.5 Male ORB

1шт.

2

700-326

ELBOW,90 Degree Elbow, 13/16" - 16 Male ORFS x M22 x 1.5 Male ORB

1шт.

3

700-445

TEE,13/16" - 16 Male ORFS x 13/16" - 16 Male ORFS x M22 x 1.5 Male ORB

1шт.

4

701-320

ELBOW,90 Degree Elbow, 13/16" - 16 Male ORFS x 13/16" - 16 Female ORFS

1шт.

5

701-416

TEE,13/16" - 16 Male ORFS x 13/16" - 16 Male ORFS x 13/16" - 16 Female ORFS

1шт.

6

84513641

CHECK VALVE,M22 x 1.5 ORB x 13/16" - 16 ORFS

Check relief, 25 PSI, Start Serial: ZBF128637

1шт.

7

190316A1

COUPLING

Coupler

1шт.

8

515-23206

CLAMP,13/16", Insul, 3/8" Bolt

1шт.

9

337545A1

HYD CONNECTOR

1шт.

10

369960A1

BRACKET

Fuel Line

1шт.

11

416512A1

BRACKET

Axle Plate

1шт.

12

84280337

RIGID TUBE

Rear Axle Drain

1шт.

13

84280342

RIGID TUBE

Rear Axle Lube

1шт.

14

84189754

HOSE ASSY.

Aux. Drain to Rear Axle

1шт.

15

31-2757

HOSE,1.00" ID x 4.00"

1шт.

16

895-11008

WASHER,9mm ID x 16mm OD x 1.6mm Thk

1шт.

17

829-1408

NUT,Hex, M8 x 1.25, Cl 10.9

1шт.

18

627-8020

BOLT,Hex, M8 x 1.25 x 20mm, Cl 10.9, Full Thd

1шт.

19

627-8016

BOLT,Hex, M8 x 1.25 x 16mm, Cl 10.9, Full Thd

1шт.

20

214-1420

HOSE CLAMP,#20, 0.81" - 1.75", Type F Worm

1шт.

Выбрано товаров: 20