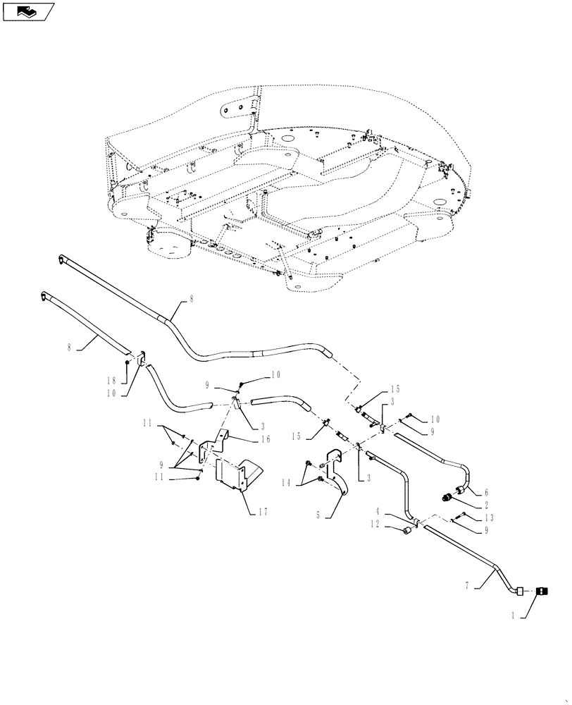
Запчасти Case IH STEIGER 450 (50.100.03) - HEATING SYSTEM - PLUMBING, RC13L - STEIGER 400-450 (50) - CAB CLIMATE CONTROL

Схема запчастей Case IH STEIGER 450 - (50.100.03) - HEATING SYSTEM - PLUMBING, RC13L - STEIGER 400-450 (50) - CAB CLIMATE CONTROL
10
1
10
11
6
11
15
10
9
17
3
18
3
13
9
8
2
8
3
7
9
9
4
12
home
15
16
5
14
FIT
1:1
100%

Артикул

Название

Примечание

Количество

1

86984542

END FITTING

Connector

1шт.

2

84196966

FITTING

M22 x 1.5 Port to 10 ORF

1шт.

3

R54363

CLAMP

15/16 Double

2шт.

4

515-23159

CLAMP,5/8", Insul, 3/8" Bolt

3шт.

5

84351552

BRACKET, SUPPORTING

Heater Tube Support, 13L

1шт.

6

84196924

TUBE

Heater Supply

1шт.

7

84241065

TUBE

Heater Return

1шт.

8

364159A1

HOSE,15.88 mm ID x 76.50 mm

Heater Supply, Order Bulk PN A42610- Cut to 1943mm L

2шт.

9

895-11008

WASHER,9mm ID x 16mm OD x 1.6mm Thk

6шт.

10

627-8025

BOLT,Hex, M8 x 1.25 x 25mm, Cl 10.9, Full Thd

2шт.

11

829-1408

NUT,Hex, M8 x 1.25, Cl 10.9

3шт.

12

8500571

SPACER,10mm ID x 25.4mm OD x 25mm L

Block

1шт.

13

827-8050

BOLT,Hex, M8 x 1.25 x 50mm, Cl 10.9

1шт.

14

844-10020

BOLT,Hvy Hex, M10 x 20mm, Cl 8.8

2шт.

15

214-1408

HOSE CLAMP,11.2mm - 19.8mm

4шт.

16

84351556

BRACKET, SUPPORTING

DEf Hose Support

1шт.

17

84351557

BRACKET, SUPPORTING

DEF Heat Shield RC

1шт.

18

825-2408

FLANGE NUT,M8 x 1.25, Flg, Cl 8

1шт.

19

84351556

BRACKET, SUPPORTING

DEF Hose Support

1шт.

Выбрано товаров: 19