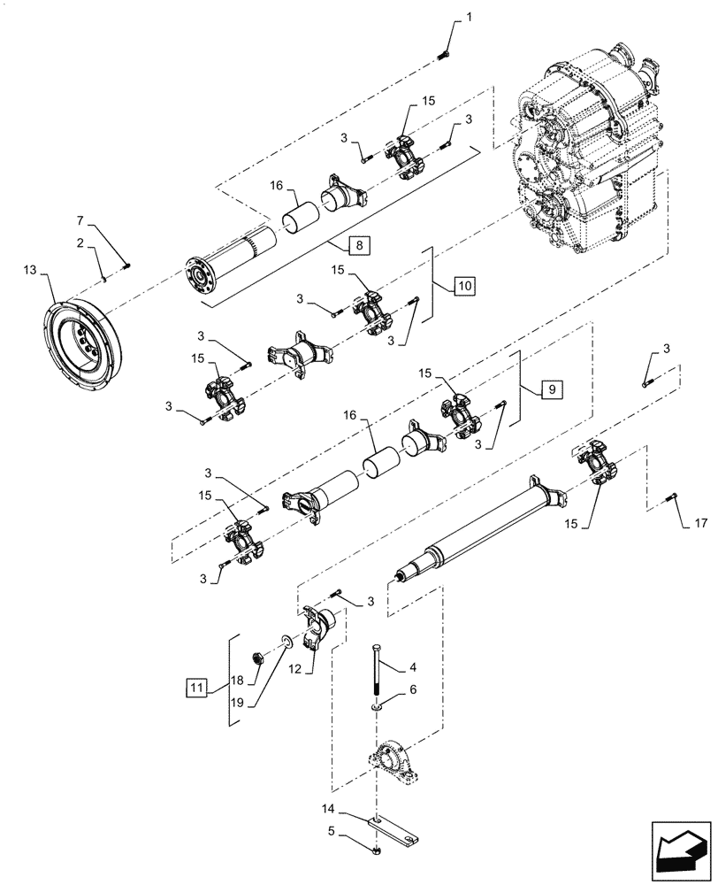
Запчасти Case IH STEIGER 470 (23.314.050) - DRIVE SHAFT ASSY, 8C (23) - FOUR WHEEL DRIVE SYSTEM

Схема запчастей Case IH STEIGER 470 - (23.314.050) - DRIVE SHAFT ASSY, 8C (23) - FOUR WHEEL DRIVE SYSTEM
19
18
11
17
14
3
3
6
3
1
15
7
4
15
2
13
15
3
3
3
5
9
8
10
16
3
3
15
3
3
15
16
3
12
15
FIT
1:1
100%

Артикул

Название

Примечание

Количество

1

426-1028

BOLT,Hex, 5/8" - 11 x 1-3/4", Gr 8

10шт.

2

496-81010

WASHER

0.469" x 1" x 0.105"

12шт.

3

827-12050

BOLT,Hex, M12 x 1.75 x 50mm, Cl 10.9

44шт.

4

827-20250

BOLT,Hex, M20 x 2.5 x 250mm, Cl 10.9

2шт.

5

829-1420

NUT,M20, Cl 10

2шт.

6

896-15020

WASHER,22mm ID x 44mm OD x 5mm Thk

2шт.

7

47379836

12 PT SCREW

ZGF

12шт.

8

84182420

DRIVE SHAFT

Engine, Incl 3, 15 - 16

1шт.

9

84221212

DRIVE SHAFT

Articulation, Incl 3, 15 - 16

1шт.

10

84219450

DRIVE SHAFT

Front Axle, Incl 3, 15

1шт.

11

84302363

DRIVE SHAFT

Rear Axle, Incl 12, 15, 17 -19, Serial Range: -ZGF308725

1шт.

11

47755880

DRIVE SHAFT

Rear Axle, Incl 12, 15, 17 - 19, Start Serial: ZGF308726

1шт.

12

404451A1

YOKE

8C

1шт.

13

378758A2

DAMPER

Vibration

1шт.

14

406056A1

SPACER

Pillow Block, Serial Range: -ZGF308725

1шт.

15

86000308

UNIVERSAL JOINT

U-Joint Spider

6шт.

16

404151A1

SEAL,76.2mm ID x 93.98mm OD x 11.68mm Thk

Drive Shaft Wiper

2шт.

17

87015724

BOLT,M12 x 1.75 x 62.68mm OAL, Cl 10.9

4шт.

18

86637649

LOCK NUT,1 1/4"-18

1шт.

19

86637815

WASHER,1.31" ID x 2.5" OD x 0.15" Thk

1шт.

Выбрано товаров: 20