Запчасти Case IH STEIGER 470 (23.314.090) - DRIVE SHAFT ASSY, 8.5C (23) - FOUR WHEEL DRIVE SYSTEM

Схема запчастей Case IH STEIGER 470 - (23.314.090) - DRIVE SHAFT ASSY, 8.5C (23) - FOUR WHEEL DRIVE SYSTEM
19
8
5
19
18
12
11
17
21
16
7
3
22
5
2
17
4
6
5
10
13
1
20
17
15
9
14
18
FIT
1:1
100%

Артикул

Название

Примечание

Количество

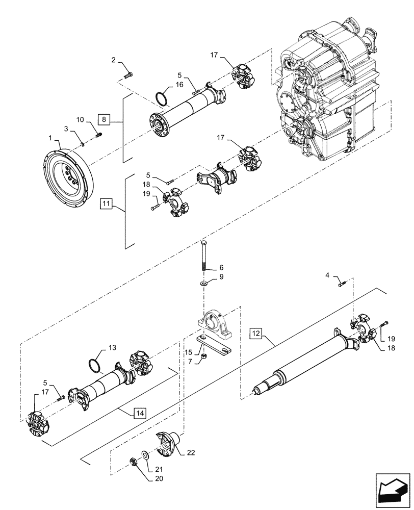
1

378758A2

DAMPER

Vibration

1шт.

2

426-1028

BOLT,Hex, 5/8" - 11 x 1-3/4", Gr 8

10шт.

3

496-81010

WASHER

0.469" x 1" x 0.105"

12шт.

4

827-12050

BOLT,Hex, M12 x 1.75 x 50mm, Cl 10.9

8шт.

5

827-12060

BOLT,Hex, M12 x 1.75 x 60mm, Cl 10.9

32шт.

6

827-20250

BOLT,Hex, M20 x 2.5 x 250mm, Cl 10.9

2шт.

7

829-1420

NUT,M20, Cl 10

2шт.

8

84300980

DRIVE SHAFT

Engine, 8.5C, Incl 5, 16 - 17

1шт.

9

896-15020

WASHER,22mm ID x 44mm OD x 5mm Thk

2шт.

10

47379836

12 PT SCREW

Flange, 7/16" x 1"

12шт.

11

84300979

DRIVE SHAFT

Front Axle, Incl 5, 17 - 19

1шт.

12

84300981

DRIVE SHAFT

Rear Axle, Incl 18 - 22, Serial Range: -ZGF308725

1шт.

12

47907481

DRIVE SHAFT

Rear Axle, Incl 18 - 22, Start Serial: ZGF308726

1шт.

13

404151A1

SEAL,76.2mm ID x 93.98mm OD x 11.68mm Thk

Drive Shaft Wiper

1шт.

14

402192A1

DRIVE SHAFT

Articulation, Incl 5, 17, 25

1шт.

15

406056A1

SPACER

Pillow Block, Serial Range: -ZGF308725

1шт.

16

47538943

SEAL

Drive Shaft Wiper

1шт.

17

309093A1

UNIVERSAL JOINT

8.5C

4шт.

18

86000308

UNIVERSAL JOINT

U-Joint Spider, 8C

2шт.

19

87015724

BOLT,M12 x 1.75 x 62.68mm OAL, Cl 10.9

8шт.

20

86637649

LOCK NUT,1 1/4"-18

1шт.

21

86637815

WASHER,1.31" ID x 2.5" OD x 0.15" Thk

1шт.

22

407633A1

YOKE

8.5C

1шт.

Выбрано товаров: 23