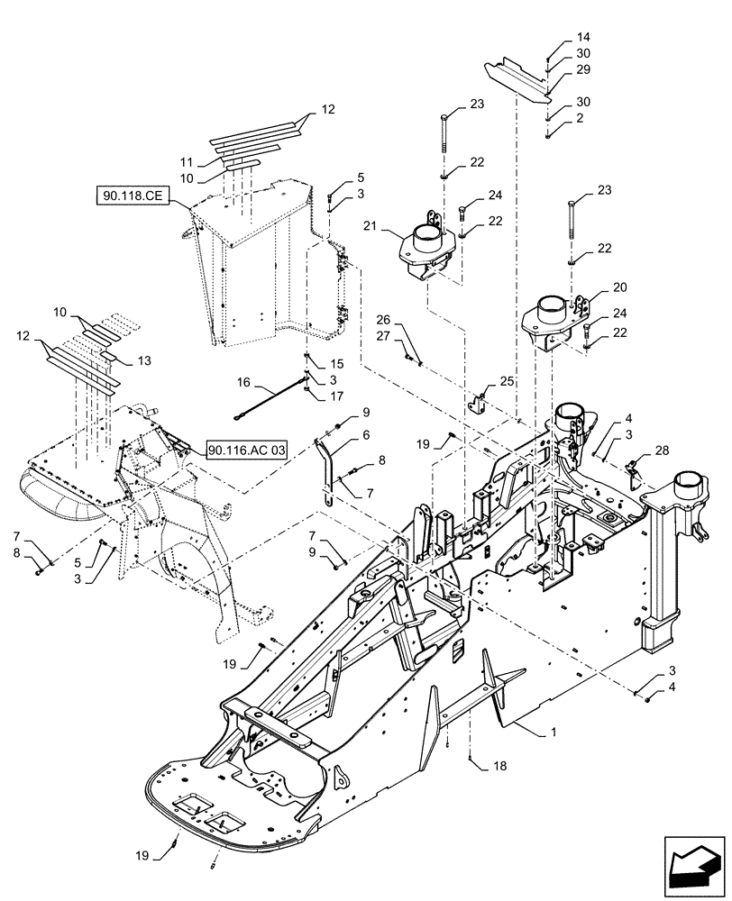
Запчасти Case IH STEIGER 470 (39.100.AY[04]) - FRONT FRAME, SUSPENDED CAB, 400, 420, 450, 470 (39) - FRAMES AND BALLASTING

Схема запчастей Case IH STEIGER 470 - (39.100.AY[04]) - FRONT FRAME, SUSPENDED CAB, 400, 420, 450, 470 (39) - FRAMES AND BALLASTING
22
26
90.118.ce
7
15
30
17
7
21
3
27
20
9
22
19
12
28
90.116.ac 03
4
3
19
1
12
3
9
4
30
22
5
2
22
7
14
29
25
10
8
18
3
13
6
8
16
23
10
11
24
24
23
3
19
5
FIT
1:1
100%

Артикул

Название

Примечание

Количество

1

84542369

FRAME

Front, Used With Suspended Cab, Steiger 400, 420, 450, 470, Serial Range: ZEF300001-ZFF308000

1шт.

1

47699098

FRAME

Front, Used With Suspended Cab, Steiger 400, 420, 450, 470, Start Serial: ZFF308001

1шт.

2

829-1408

NUT,Hex, M8 x 1.25, Cl 10.9

2шт.

3

896-15012

WASHER,13.5mm ID x 28mm OD x 4mm Thk

20шт.

4

829-1412

NUT,M12, Cl 10.9

14шт.

5

627-12045

BOLT,Hex, M12 x 1.75 x 45mm, Cl 10.9, Full Thd

3шт.

6

47502640

SUPPORT

RH Fender

1шт.

7

896-15016

WASHER,17.5mm ID x 34mm OD x 5mm Thk

8шт.

8

86900235

BOLT,Hex, M16 x 55mm, Cl 10.9, Full Thd

M16 x 55

4шт.

9

829-1416

NUT,M16, Cl 10

6шт.

10

D55216

PAD,2" x 9"

7шт.

11

26-211

ADHESIVE STRIP

Bulk, Cut To Length Of 16" Each

1шт.

12

87307237

ANTI-SKID STRIP,2" x 23-1/4"

4шт.

13

87750668

PAD,2" x 4-1/2"

Anti-Skid Strip

1шт.

14

627-8025

BOLT,Hex, M8 x 1.25 x 25mm, Cl 10.9, Full Thd

2шт.

15

47455748

BUSHING,12.65mm ID x 17.46mm OD x 4.2mm L

Retaining Cable

2шт.

16

47455742

CABLE,480mm L

Retaining

1шт.

17

832-10412

NUT,M12 x 1.75, Cl 8

1шт.

18

404287A1

INSERT,M6

Threaded, M6

2шт.

19

426285A1

STUD

Threaded, M8

33шт.

20

84515553

BRACKET, SUPPORTING

Cab Mount, LH Front

1шт.

21

84515558

BRACKET, SUPPORTING

Cab Mount, RH Front

1шт.

22

896-11024

WASHER,26mm ID x 44mm OD x 5mm Thk

6шт.

23

827-24270

BOLT,Hex, M24 x 3 x 270mm, Cl 10.9

4шт.

24

827-24080

BOLT,Hex, M24 x 3 x 80mm, Cl 10.9

2шт.

25

84485672

BRACKET

Damper

1шт.

26

896-11016

WASHER,17.5mm ID x 30mm OD x 4mm Thk

4шт.

27

627-16045

BOLT,Hex, M16 x 2 x 45mm, Cl 10.9, Full Thd

2шт.

28

84425151

BRACKET

DEF Fill

1шт.

29

84390461

PROTECTION PLATE

Shield

1шт.

30

896-15008

WASHER,9mm ID x 21mm OD x 2.5mm Thk

4шт.

Выбрано товаров: 31