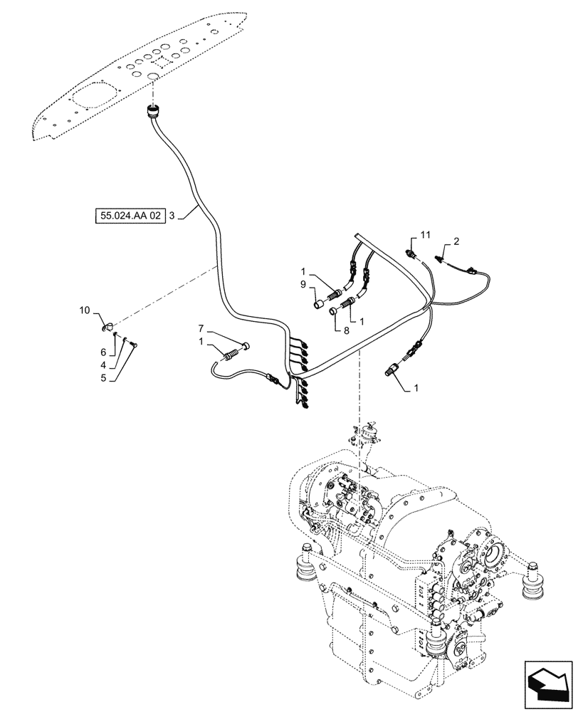
Запчасти Case IH STEIGER 470 (55.024.AA[01]) - TRANSMISSION HARNESS MOUNTING, PS4, BSN ZFF308000 (55) - ELECTRICAL SYSTEMS

Схема запчастей Case IH STEIGER 470 - (55.024.AA[01]) - TRANSMISSION HARNESS MOUNTING, PS4, BSN ZFF308000 (55) - ELECTRICAL SYSTEMS
55.024.aa 02
6
3
5
4
8
1
9
10
1
7
2
1
1
11
FIT
1:1
100%

Артикул

Название

Примечание

Количество

1

47942959

Speed, Transmission Gear

SENSOR

4шт.

2

87521424

TEMPERATURE SENDER

Transmission Oil

1шт.

3

84195943

WIRE HARNESS

Transmission Control

1шт.

4

895-18010

WASHER,10.5mm ID x 18mm OD x 1.6mm Thk

6шт.

5

627-8016

BOLT,Hex, M8 x 1.25 x 16mm, Cl 10.9, Full Thd

2шт.

6

934120R1

THIN NUT,Thin, M20 x 1.5

1шт.

7

84233293

SPACER,20.5mm ID x 28.5mm OD x 14.4mm W

Speed Sensor

1шт.

8

87351748

SPACER,20.5mm ID x 28.5mm OD x 15.22mm W

1ST Shaft Speed Sensor

1шт.

9

87351750

SPACER,20.5mm ID x 28.5mm OD x 29.39mm W

2ND Shaft Speed Sensor

1шт.

10

515-24190

CLAMP,3/4", Insul, 7/16" Bolt

2шт.

11

404450A1

SENSOR

Transmission Pressure

1шт.

Выбрано товаров: 11