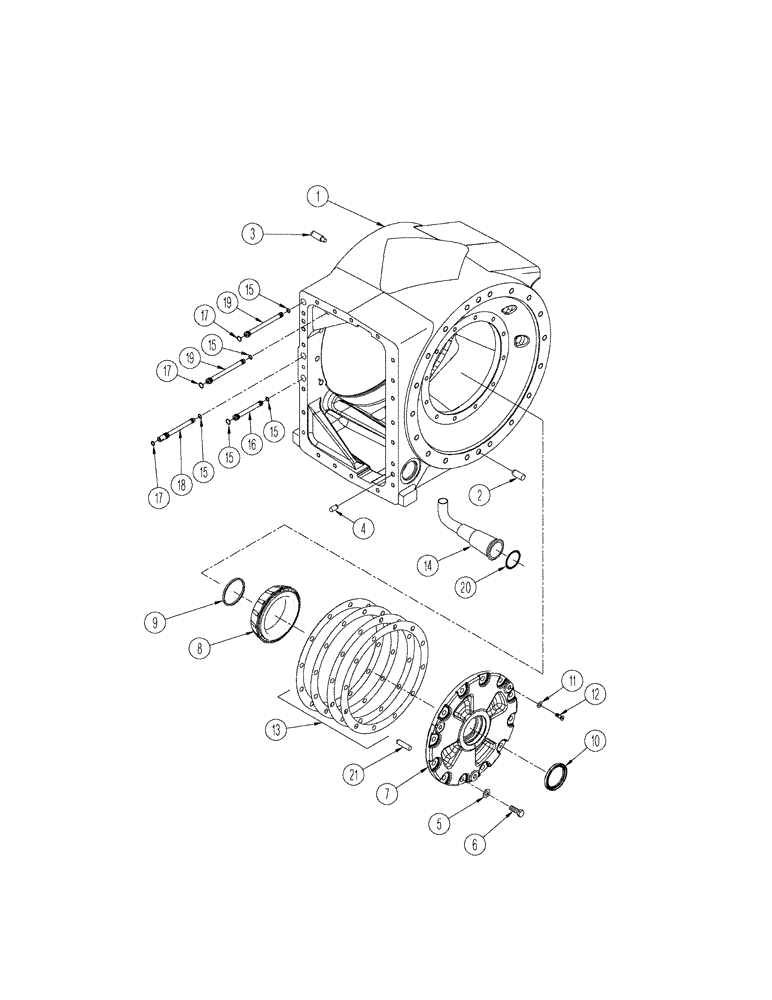
Запчасти Case IH STEIGER 485 (06-65) - 450 SERIES AXLE ASSEMBLY - CENTER AND LEFT-HAND CARRIER (06) - POWER TRAIN

Схема запчастей Case IH STEIGER 485 - (06-65) - 450 SERIES AXLE ASSEMBLY - CENTER AND LEFT-HAND CARRIER (06) - POWER TRAIN
9
15
12
18
6
5
1
4
15
17
13
15
19
16
20
17
10
21
19
15
15
17
8
11
7
14
3
2
FIT
1:1
100%

Артикул

Название

Примечание

Количество

87365608

FRONT AXLE

STD W/Diff

1шт.

87365608R

REMAN-FRT AXLE 4 WD

STD Front Axle W/ Diff

1шт.

87365608C

CORE-FRT AXLE 4 WD

CORE-PRESSURE SWITCH STD Front Axle W/Diff

1шт.

87365625

REAR AXLE

STD W/Diff

1шт.

87365625R

REMAN-RR AXLE STD DL

REMAN-REAR AXLE, STD w/DIFF LOCK Steiger 385, Steiger 435, Steiger 485, N.A. Only

1шт.

87365625C

CORE-RR AXLE STDw/DL

CORE-REAR AXLE, STD w/DIFF LOCK Return Number, For N.A. Only

1шт.

87365639

FRONT AXLE

STD W/O Diff

1шт.

87365639R

REMAN-FRT AXLE w/DL

REMAN-FRONT AXLE, w/o DIFF LOCK Steiger 380, Steiger 430, Steiger 480, All ASN Z6F105001, N.A. Only

1шт.

STX380, STX430, STX 480, All BTW SN Z6F100023 - Z6F105001, N.A. Only

1шт.

Steiger 385, Steiger 435, Steiger 485, N.A. Only

1шт.

87365639C

CORE-FRT AXLE w/o DL

Return Number, For N.A. Only

1шт.

87365643

REAR AXLE

STD W/O Diff

1шт.

87365643R

REMAN-REAR AXLE

Steiger 385, Steiger 435, Steiger 485, N.A. Only

1шт.

87365643C

CORE-REAR AXLE

Return Number, For N.A. Only

1шт.

388968A1

CARRIER

Center, Inc. 1 - 4

1шт.

1

NSS

NOT SOLD SEPARAT

Carrier

1шт.

2

837-16080

DOWEL,M16 x 80

Pin, Dowel

2шт.

3

837-16040

DOWEL,M16 x 40

Pin, 16 x 40 mm

2шт.

4

837-12025

DOWEL,M12 x 25

Pin, 12 x 25 mm

2шт.

5

1251958C1

WASHER,13mm ID x 25.40mm OD x 1.367mm, HTS

12шт.

6

628-12035

BOLT,Hex, M12 x 1.75 x 35mm, Cl 10.9, Full Thd

12шт.

7

231637A2

COVER,66 mm ID x 136 mm OD x 71.45 mm

Bearing, Left-Hand

1шт.

8

253932A1

ROLLER BEARING,119.99mm ID x 37.98mm W

1шт.

9

139060C2

SEAL,82.6mm ID x 88.6mm OD x 4.5mm Thk

1шт.

10

139059C1

SEAL,70mm ID x 90mm OD x 8mm Thk

1шт.

11

95-81100

WASHER,33/64" x 7/8" x .049"

3шт.

12

843-1812

SCREW,Flat, M8 x 12mm, Class 4.8

3шт.

13

255121A1

SHIM,290mm ID x 345mm OD x 0.076mm Thk

1шт.

13

255122A1

SHIM,290mm ID x 345mm OD x 0.102mm Thk

1шт.

13

255123A1

SHIM,290mm ID x 345mm OD x 0.13mm Thk

1шт.

13

255124A1

SHIM,290mm ID x 345mm OD x 0.5mm Thk

1шт.

14

229553A3

TUBE

Suction

1шт.

15

238-6013

O-RING,0.07" Thk x 0.426" ID, -13, Cl 6, 90 Duro

5шт.

16

245162A1

TUBE,7mm ID x 11.85mm OD x 110.5mm Length

Jumper, Lubrication

1шт.

17

238-6015

O-RING,0.07" Thk x 0.551" ID, -15, Cl 6, 90 Duro

3шт.

18

86985628

TUBE,7.50mm ID x 11.85mm OD x 117mm L

Jumper, Lubrication

1шт.

19

228893A2

TUBE,7.47 mm ID, 11.85 mm OD

Service / Park Brake

2шт.

20

238-5226

O-RING,0.139" Thk x 1.984" ID, -226, Cl 5, 75 Duro

1шт.

21

837-6055

DOWEL,M6 x 55

1шт.

Выбрано товаров: 39