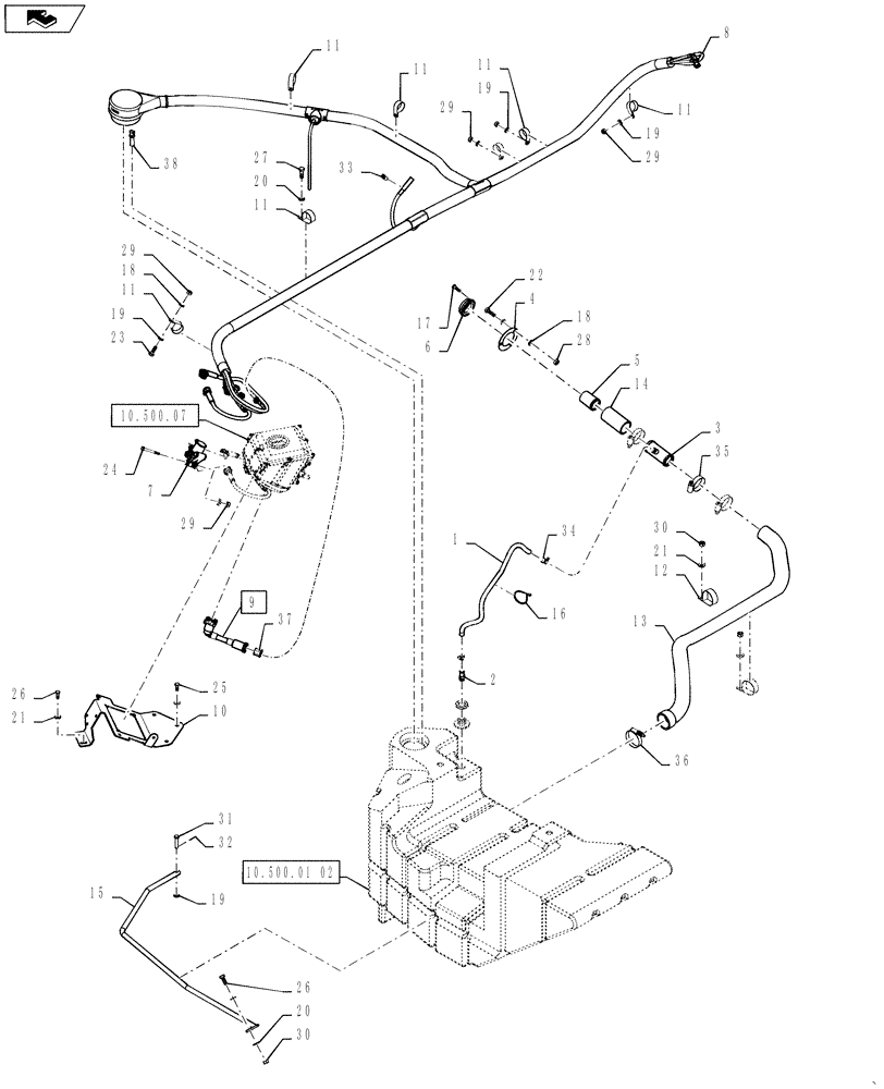
Запчасти Case IH STEIGER 500 (10.500.02[01]) - SCR TANK AND PLUMBING - WHEELED (10) - ENGINE

Схема запчастей Case IH STEIGER 500 - (10.500.02[01]) - SCR TANK AND PLUMBING - WHEELED (10) - ENGINE
15
14
11
11
9
6
16
19
17
19
34
1
8
12
27
26
25
11
29
5
21
23
20
19
22
home
28
31
11
38
29
18
4
20
13
3
10
11
30
30
36
10.500.01 02
11
26
21
32
24
35
18
10.500.07
2
7
29
19
33
29
37
FIT
1:1
100%

Артикул

Название

Примечание

Количество

1

84425050

HOSE

DEF Tank Fill Vent

1шт.

2

84281937

FITTING

Male Connector, Plastic Nipple

1шт.

3

84207724

TEE

DEF Fill Tee

1шт.

4

84315307

FILLER

1шт.

5

87483158

NECK FILLER

1шт.

6

84206552

FILLER CAP,Male

DEF Tank

1шт.

7

84151635

HEATER VALVE

Heater

1шт.

8

84346280

HOSE ASSY.

Hose Assembly, DEF Bundle, Incl 9

1шт.

9

84263625

HOSE ASSY.

DEF Inline Filter Supply, Incl 37

1шт.

10

84346284

BRACKET, SUPPORTING

SCR SM

1шт.

11

515-23412

CLAMP,1 5/8", Insul, 3/8" Bolt

6шт.

12

515-25635

CLAMP,2 1/2", Insul, 1/2" Bolt

2шт.

13

84360581

HOSE

DEF Fill

1шт.

14

84360578

HOSE

DEF Fill

1шт.

15

84295126

BRACKET, SUPPORTING

SUPPORT, DEF Tank

1шт.

16

L18331

CABLE TIE,375.9mm L, Nylon, Black

CABLE STRAP 15" In

1шт.

17

84246766

HEX SOC SCREW,M4 x 12mm, SST

M4 X 12 H-SOC 8.8 DOR

4шт.

18

895-11006

WASHER,6.6mm ID x 12mm OD x 1.6mm Thk

6шт.

19

895-11008

WASHER,9mm ID x 16mm OD x 1.6mm Thk

11шт.

20

895-11010

WASHER,11mm ID x 20mm OD x 2mm Thk

3шт.

21

895-15010

WASHER,11mm ID x 24mm OD x 2mm Thk

6шт.

22

627-6020

BOLT,Hex, M6 x 1 x 20mm, Cl 10.9, Full Thd

3шт.

23

627-8025

BOLT,Hex, M8 x 1.25 x 25mm, Cl 10.9, Full Thd

1шт.

24

827-8070

BOLT,Hex, M8 x 1.25 x 70mm, Cl 10.9

3шт.

25

844-8025

BOLT,Hvy Hex, M8 x 25mm, Cl 8.8

4шт.

26

627-10025

BOLT,Hex, M10 x 1.5 x 25mm, Cl 10.9, Full Thd

5шт.

27

627-10035

BOLT,Hex, M10 x 1.5 x 35mm, Cl 10.9, Full Thd

1шт.

28

829-1406

NUT,Hex, M6 x 1, Cl 10.9

3шт.

29

829-1408

NUT,Hex, M8 x 1.25, Cl 10.9

6шт.

30

829-1410

NUT,M10 x 1.5, Cl 10.9

3шт.

31

728-840

CLEVIS PIN,M8 x 40

1шт.

32

733-1616

COTTER PIN,M1.6 x 16

1шт.

33

214-1406

HOSE CLAMP,#06, 0.44" - 0.78", Type F Worm

2шт.

34

214-1712

HOSE CLAMP,17.53mm - 31.75mm

2шт.

35

214-3140

HOSE CLAMP,1-3/4" - 2-5/8", HD Worm

3шт.

36

L115549

CLAMP,69.85mm - 92.08mm

Hose, Constant Torque

1шт.

37

84367903

FILTER

Element, DEF Inline

1шт.

38

84208502

PLUG,10mm OD x 42.4mm L

Vent Hole

1шт.

Выбрано товаров: 38