Запчасти Case IH STEIGER 500 (35.106.AN[03]) - PUMP - DRIVE - HYDRAULIC - W/ PTO - MOUNTING & VALVES (35) - HYDRAULIC SYSTEMS

Схема запчастей Case IH STEIGER 500 - (35.106.AN[03]) - PUMP - DRIVE - HYDRAULIC - W/ PTO - MOUNTING & VALVES (35) - HYDRAULIC SYSTEMS
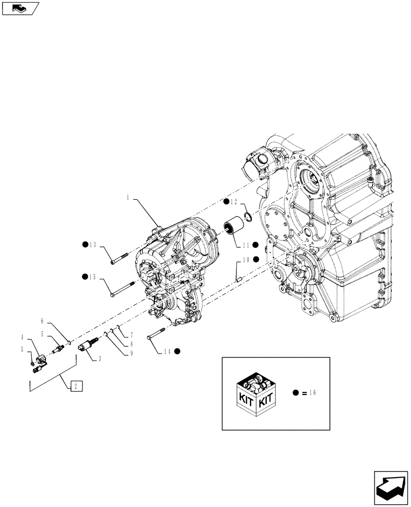
2
home
16
13
5
15
16
7
8
3
16
12
16
11
16
16
14
10
16
16
1
5
4
6
9
FIT
1:1
100%

Артикул

Название

Примечание

Количество

1

84317510

DRIVE

PTO W/ Hydraulic Pump

1шт.

1

84317512

TRANSMISSION

Hydraulic Pump

1шт.

2

84315880

SOLENOID VALVE

PTO W/ Hydraulic Pump

1шт.

3

84173878

SOLENOID

Proportional, PWM, PTO W/ Hydraulic Pump

1шт.

4

84315878

COIL

1шт.

5

84315877

SPOOL

Assy.

1шт.

6

84315876

O-RING

1шт.

7

87014033

O-RING,0.07" Thk x 0.801" ID, -19, Cl 7, 75 Duro

1шт.

8

87016960

O-RING,0.614" ID x 0.754" OD x 0.07"

1шт.

9

14453281

O-RING,14mm ID x 1.78" Width

1шт.

10

427530A1

DOWEL,14mm OD x 31mm L

2шт.

11

428660A1

SLEEVE

Coupling, PTO

1шт.

12

800-2147

SNAP RING,M47, Int

1шт.

13

84214205

BOLT

Hex, M12 x 1.25, L=100mm

1шт.

14

84214201

BOLT

M12 x 1.25, L=105mm

8шт.

15

SM8124208

BOLT

M12 x 1.25, L=150mm

4шт.

16

84211194

KIT

PTO Clutch Mounting, Incl 10 - 15

1шт.

Выбрано товаров: 17