Запчасти Case IH STEIGER 500 (35.106.AN[05]) - PUMP - DRIVE - HYDRAULIC - W/PTO - HOUSING COVERS, SERVO & YOKE (35) - HYDRAULIC SYSTEMS

Схема запчастей Case IH STEIGER 500 - (35.106.AN[05]) - PUMP - DRIVE - HYDRAULIC - W/PTO - HOUSING COVERS, SERVO & YOKE (35) - HYDRAULIC SYSTEMS
7
14
14.100.ar 11
12
4
14.100.ar 06
16
24
5
7
3
23
9
6
20
18
2
10
25
17
11
8
13
14.100.ar 03
15
14.100.ar 03
17
1
home
14.100.ar 06
16
19
22
14.100.ar 06
21
FIT
1:1
100%

Артикул

Название

Примечание

Количество

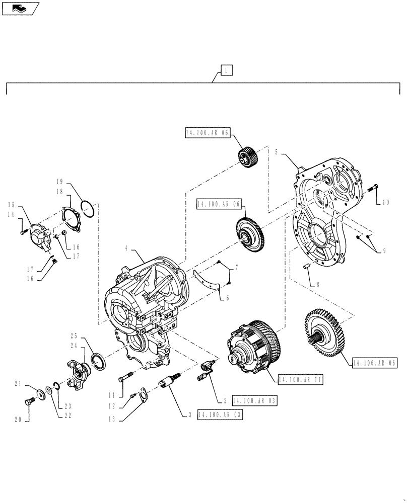
1

84317510

DRIVE

PTO W/ Hydraulic Pump

1шт.

2

84315880

SOLENOID VALVE

1шт.

3

84173878

SOLENOID

Proportional PWM

1шт.

4

84315884

HOUSING

PTO Rear

1шт.

5

84315886

HOUSING

PTO Front

1шт.

6

84315889

GUTTER

PTO

1шт.

7

614-6012

BOLT,Hex, M6 x 1 x 12mm, Cl 8.8, Full Thd

2шт.

8

427530A1

DOWEL,14mm OD x 31mm L

Pin

2шт.

9

637-63153

O-RING,2.2mm Thk x 15.3mm ID, Cl 6, 90 Duro

2шт.

10

514-855

BOLT,Hex, M12 x 1.25 x 50mm, Cl 8.8

6шт.

11

514-847

BOLT,Hex, M12 x 1.25 x 50mm, Cl 8.8

4шт.

12

614-8020

BOLT,Hex, M8 x 1.25 x 20mm

2шт.

13

87351402

PLATE

Valve Retainer

1шт.

14

84315890

BOLT

5шт.

15

84315899

CASE

PTO Servo

1шт.

16

84315898

PLUG

M14 W/ O-ring

2шт.

17

84315895

O-RING

2шт.

18

84315894

GASKET

PTO Servo

1шт.

19

S9910S00F

SHIM,0.1mm Thk

1шт.

19

S9920S00F

SHIM,0.3mm Thk

1шт.

19

S9930S00F

SHIM,0.5mm Thk

1шт.

19

S9940S00F

SHIM,0.7mm Thk

1шт.

20

514-1021

BOLT,Hex, M16 x 1.5 x 35mm, Cl 10.9

1шт.

21

S8860S00F

THRUST WASHER

Retaining

1шт.

22

S9950S00F

SHIM,0.1mm Thk

1шт.

22

S9960S00F

SHIM,0.31mm Thk

1шт.

22

S9970S00F

SHIM,0.51mm Thk

1шт.

22

S9980S00F

SHIM,0.71mm Thk

1шт.

23

375512A1

O-RING

1шт.

24

398447A1

YOKE

PTP, 6C

1шт.

25

S8820S00F

OIL SEAL

1шт.

Выбрано товаров: 31