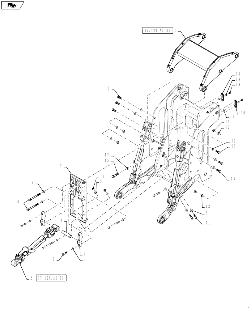
Запчасти Case IH STEIGER 500 (37.120.AX[01]) - 3 POINT HITCH - LINKAGE - W/PTO (37) - HITCHES, DRAWBARS & IMPLEMENT COUPLINGS

Схема запчастей Case IH STEIGER 500 - (37.120.AX[01]) - 3 POINT HITCH - LINKAGE - W/PTO (37) - HITCHES, DRAWBARS & IMPLEMENT COUPLINGS
16
7
5
8
13
18
12
2
1
37.120.ax 01
6
home
5
12
12
37.110.aq 01
4
10
5
15
19
11
17
13
14
16
3
9
13
12
FIT
1:1
100%

Артикул

Название

Примечание

Количество

1

84192696

ROCKSHAFT

Ref. Figure 37.110.AQ(01)

1шт.

2

84192702

LIFT LINK

Three Point Hitch

1шт.

3

309663A1

PIN

Upper Link

1шт.

4

403737A1

CLAMP

Mount

2шт.

5

896-11020

WASHER,22mm ID x 37mm OD x 4mm Thk

16шт.

6

827-20080

BOLT,Hex, M20 x 2.5 x 80mm, Cl 10.9

6шт.

7

84261709

MOUNT

Upper Link With PTO

1шт.

8

827-20230

BOLT,Hex, M20 x 2.5 x 230mm, Cl 10.9

8шт.

9

896-15020

WASHER,22mm ID x 44mm OD x 5mm Thk

2шт.

10

829-1420

NUT,M20, Cl 10

2шт.

11

827-20090

BOLT,Hex, M20 x 2.5 x 90mm, Cl 10.9

2шт.

12

896-11024

WASHER,26mm ID x 44mm OD x 5mm Thk

28шт.

13

627-24060

BOLT,Hex, M24 x 3 x 60mm, Cl 10.9, Full Thd

12шт.

14

829-1424

NUT,M24, Cl 10

12шт.

15

827-24110

BOLT,Hex, M24 x 3 x 110mm, Cl 10.9

4шт.

16

259389A1

PLATE

Weld Nut

2шт.

17

70-5967T1

SPACER,16.7mm ID x 22.2mm OD x 11.2mm

Spacer

2шт.

18

896-11016

WASHER,17.5mm ID x 30mm OD x 4mm Thk

2шт.

19

627-16025

BOLT,Hex, M16 x 2 x 25mm, Cl 10.9, Full Thd

2шт.

Выбрано товаров: 19