Запчасти Case IH STEIGER 500 (41.216.AT[01]) - STEERING CYLINDER - ATTACHMENTS (41) - STEERING

Схема запчастей Case IH STEIGER 500 - (41.216.AT[01]) - STEERING CYLINDER - ATTACHMENTS (41) - STEERING
2
8
3
3
4
13
10
41.216.at 02
8
11
1
3
7
3
3
7
3
10
9
home
1
9
6
12
5
FIT
1:1
100%

Артикул

Название

Примечание

Количество

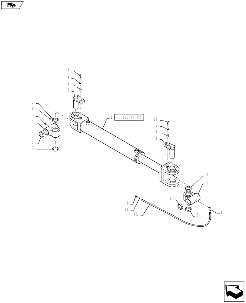
1

409685A1

JOINT

Knuckle

2шт.

2

84577088

STEERING CYLINDER,Double Acting, 50mm Rod, 568.7mm Stroke

See Fig. 41.216.AT(02)

1шт.

84577088R

Reman Cyl See Fig. 41.216.AT(02)

REMAN-HYD CYLINDER

1шт.

84577088C

Return Number

CORE-HYD CYLINDER

1шт.

3

D95143

WIPER SEAL,44.42mm ID x 57.17mm OD x 7.92mm Thk

Wiper

8шт.

4

217-429

PLUG,Hex Soc, 1/8" - 27 NPTF

2шт.

5

219-36

LUBE NIPPLE,45 Degree Elbow, 1/8" - 27 NPTF

1шт.

6

217-1014

ELBOW,1/8" - 27 Female x 1/8" - 27 Male

1шт.

7

70-6013T2

PIN

2шт.

8

70-5967T1

SPACER,16.7mm ID x 22.2mm OD x 11.2mm

2шт.

9

496-21066

WASHER,16.6mm ID x 33.5mm OD x 3.8mm Thk

2шт.

10

87563128

LOCK BOLT,Hex, M16 x 2 x 35mm, Cl 8.8, Full Thd

M16 x 35, Full, 8.8 ZND

2шт.

11

219-20

LUBE NIPPLE,1/4" - 28

1шт.

12

F53473

LOCK NUT,1/8-27 NPSM

Hex, 1/8 - 27 NPSM

1шт.

13

1339090C1

HOSE

Grease Line

1шт.

Выбрано товаров: 15