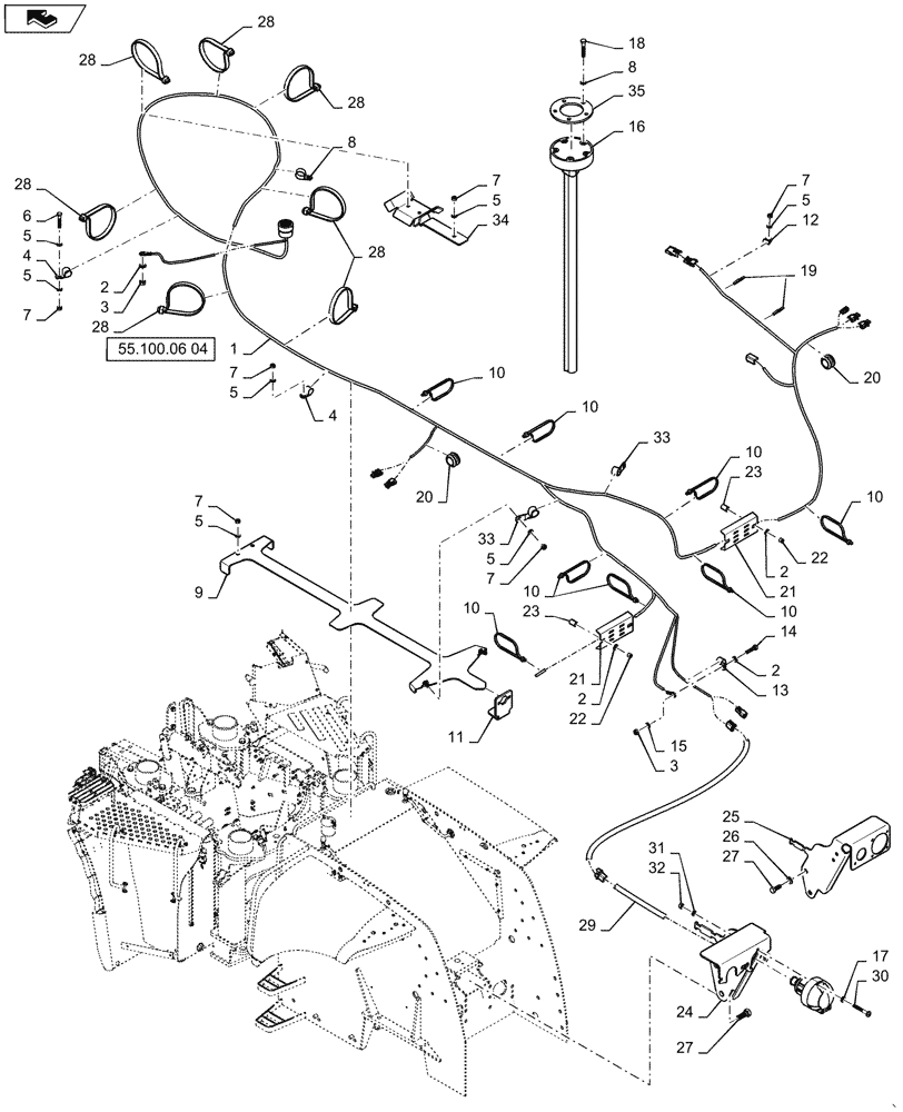
Запчасти Case IH STEIGER 500 (55.101.AC[04]) - REAR FRAME WIRE HARNESS LAYOUT - SUSPENDED CAB - EURO (55) - ELECTRICAL SYSTEMS

Схема запчастей Case IH STEIGER 500 - (55.101.AC[04]) - REAR FRAME WIRE HARNESS LAYOUT - SUSPENDED CAB - EURO (55) - ELECTRICAL SYSTEMS
3
28
23
18
21
33
10
2
4
29
7
2
11
10
28
5
22
20
5
5
19
10
14
4
16
23
22
1
10
31
10
2
27
7
5
25
home
28
6
28
13
17
7
32
9
5
12
34
7
15
26
30
3
35
27
20
7
7
33
10
28
5
8
8
55.100.06 04
21
5
24
10
28
2
FIT
1:1
100%

Артикул

Название

Примечание

Количество

1

84427183

WIRE HARNESS

Rear Frame, EURO

1шт.

2

895-11010

WASHER,11mm ID x 20mm OD x 2mm Thk

6шт.

3

829-1410

NUT,M10 x 1.5, Cl 10.9

2шт.

4

515-23206

CLAMP,13/16", Insul, 3/8" Bolt

2шт.

5

895-11008

WASHER,9mm ID x 16mm OD x 1.6mm Thk

9шт.

6

614-8040

BOLT,Hex, M8 x 1.25 x 40mm, Cl 8.8, Full Thd

1шт.

7

829-1408

NUT,Hex, M8 x 1.25, Cl 10.9

8шт.

8

515-22254

CLAMP,1", Insul, 5/16" Bolt

1шт.

9

84534775

MOUNT

Center Link Electrical - EURO

1шт.

10

L18331

CABLE TIE,375.9mm L, Nylon, Black

9шт.

11

84197692

BRACKET

L

1шт.

12

515-2395

CLAMP,3/8", Insul, 3/8" Bolt

1шт.

13

515-24190

CLAMP,3/4", Insul, 7/16" Bolt

1шт.

14

614-10040

BOLT,Hex, M10 x 1.5 x 40mm, Cl 8.8, Full Thd

1шт.

15

892-11010

LOCK WASHER,M10

1шт.

16

84370298

SENSOR

Fuel Sender

1шт.

17

895-11005

WASHER,5.5mm ID x 10mm OD x 1mm Thk

8шт.

18

814-5030

BOLT,Hex, M5 x 0.8 x 30mm, Cl 8.8

5шт.

19

435437A1

CABLE TIE,3/16" x 7 1/4"

2шт.

20

328265A1

GROMMET

2шт.

21

84345696

COVER

Rear Wiring Access

2шт.

22

832-10410

NUT,M10 x 1.5, Cl 8

4шт.

23

47564256

SPACER,11mm ID x 15.9mm OD x 24mm L

16mm OD x 11mm ID x 24mm

4шт.

24

84474469

BRACKET

7 PIN & TPH Bulkhead

1шт.

25

84474454

BRACKET

AFS & ISO Bulkhead

1шт.

26

895-11012

WASHER,13.5mm ID x 24mm OD x 2.5mm Thk

4шт.

27

627-12025

BOLT,Hex, M12 x 1.75 x 25mm, Cl 10.9, Full Thd

4шт.

28

440567A1

CABLE TIE

Cabel Tie

3шт.

29

84275821

HARNESS

EURO 7 PIN Trailer Adaptor

1шт.

30

840-1535

SCREW,Pan, M5 x 35mm, Cl 4.8

3шт.

31

892-11005

LOCK WASHER,M5

3шт.

32

824-1405

NUT,M5, Cl 5

3шт.

33

R43926

CLAMP

90 deg. Twist, 3/4 Clamp. 3/8 Mounting

2шт.

34

84379787

BRACKET

Cab Wiring Cradle

1шт.

35

87537695

GASKET

Fuel Sender

1шт.

Выбрано товаров: 35