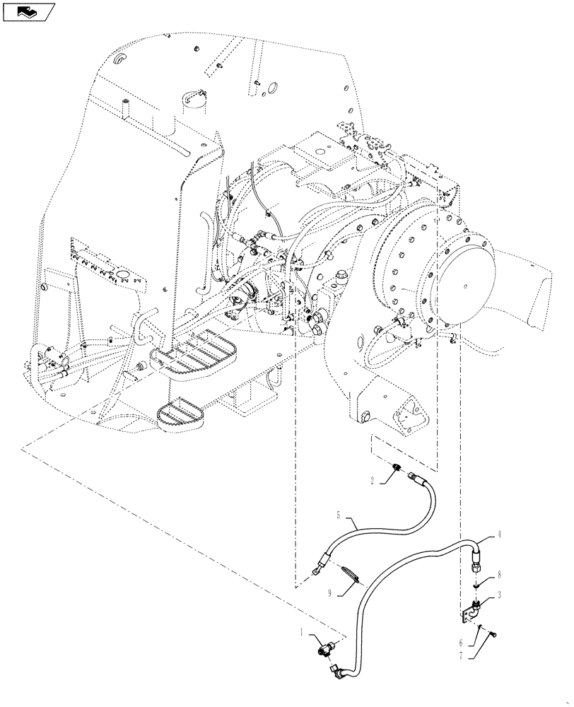
Запчасти Case IH STEIGER 500 (14.100.AR[07]) - PTO - TRANSFER CASE LUBE (14) - MAIN GEARBOX & DRIVE

Схема запчастей Case IH STEIGER 500 - (14.100.AR[07]) - PTO - TRANSFER CASE LUBE (14) - MAIN GEARBOX & DRIVE
8
7
1
6
9
home
4
2
3
5
FIT
1:1
100%

Артикул

Название

Примечание

Количество

1

701-433

TEE,1" - 14 Male ORFS x 1" - 14 Male ORFS x 1" - 14 Female ORFS

16mm (.625 IN)

1шт.

2

84199773

FITTING

Orifice

1шт.

3

86992408

FITTING

Adapter, Drop Box

1шт.

4

47448184

HYDRAULIC HOSE

Return

1шт.

5

84199820

HOSE ASSY.

Lube

1шт.

6

895-11010

WASHER,11mm ID x 20mm OD x 2mm Thk

4шт.

7

627-10025

BOLT,Hex, M10 x 1.5 x 25mm, Cl 10.9, Full Thd

4шт.

8

238-6018

O-RING,0.07" Thk x 0.739" ID, -18, Cl 6, 90 Duro

1шт.

9

L18331

CABLE TIE,375.9mm L, Nylon, Black

1шт.

Выбрано товаров: 9