Запчасти Case IH STEIGER 500 (39.100.AY[02]) - FRONT FRAME, SUSPENDED CAB (39) - FRAMES AND BALLASTING

Схема запчастей Case IH STEIGER 500 - (39.100.AY[02]) - FRONT FRAME, SUSPENDED CAB (39) - FRAMES AND BALLASTING
21
13
22
90.118.ce
15
18
19
17
1
3
6
14
11
8
4
5
9
17
7
5
3
16
3
4
5
20
6
10
90.116.ac 01
19
12
2
8
9
90.116.ac 02
FIT
1:1
100%

Артикул

Название

Примечание

Количество

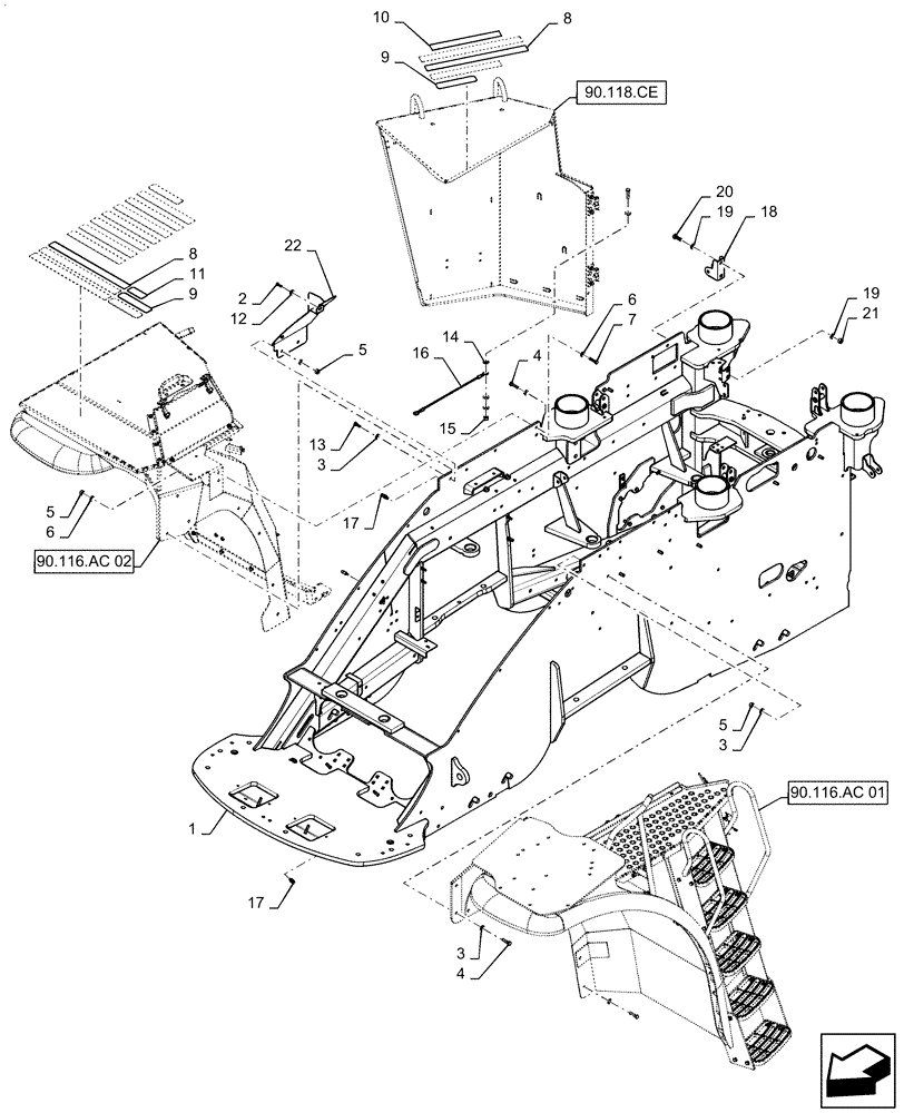
1

84542377

FRAME

Front, Suspended Cab, Serial Range: ZEF300001-ZFF308000

1шт.

1

47699092

FRAME

Front, Suspended Cab, Start Serial: ZFF308001

1шт.

2

627-8030

BOLT,Hex, M8 x 1.25 x 30mm, Cl 10.9, Full Thd

1шт.

3

896-11012

WASHER,13.5mm ID x 24mm OD x 3mm Thk

46шт.

4

627-12045

BOLT,Hex, M12 x 1.75 x 45mm, Cl 10.9, Full Thd

16шт.

5

829-1412

NUT,M12, Cl 10.9

33шт.

6

896-15012

WASHER,13.5mm ID x 28mm OD x 4mm Thk

12шт.

7

827-12050

BOLT,Hex, M12 x 1.75 x 50mm, Cl 10.9

4шт.

8

D55216

PAD,2" x 9"

2" x 9"

4шт.

9

26-211

ADHESIVE STRIP

Bulk, Cut To Length Of 16" Each

1шт.

10

87307237

ANTI-SKID STRIP,2" x 23-1/4"

2" x 23-1/4"

5шт.

11

87750668

PAD,2" x 4-1/2"

2" x 4-1/2"

1шт.

12

896-15008

WASHER,9mm ID x 21mm OD x 2.5mm Thk

1шт.

13

627-12035

BOLT,Hex, M12 x 1.75 x 35mm, Cl 10.9, Full Thd

2шт.

14

47455748

BUSHING,12.65mm ID x 17.46mm OD x 4.2mm L

Retaining Cable

2шт.

15

832-10412

NUT,M12 x 1.75, Cl 8

1шт.

16

47455742

CABLE,480mm L

Retaining

1шт.

17

426285A1

STUD

Threaded, M8

30шт.

18

84485672

BRACKET

Damper

1шт.

19

896-11016

WASHER,17.5mm ID x 30mm OD x 4mm Thk

4шт.

20

627-16045

BOLT,Hex, M16 x 2 x 45mm, Cl 10.9, Full Thd

2шт.

21

829-1416

NUT,M16, Cl 10

2шт.

22

47418823

SHIELD

Debris

1шт.

Выбрано товаров: 23