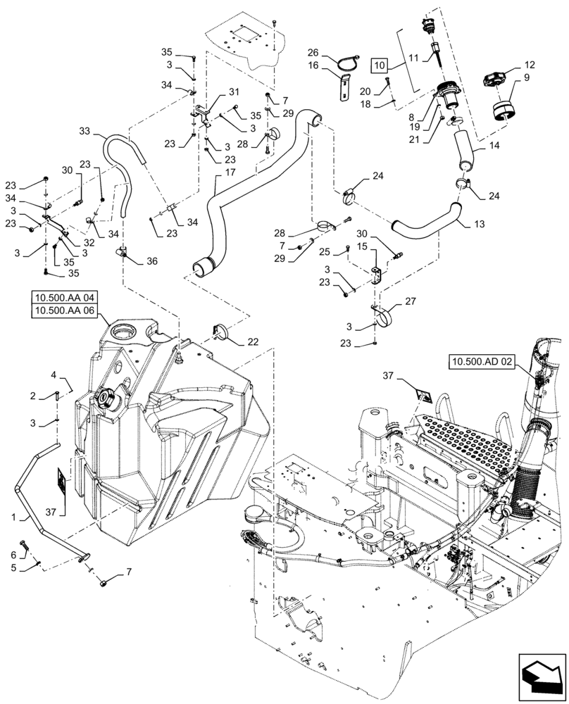
Запчасти Case IH STEIGER 500 (10.500.AA[05]) - DEF/ADBLUE TANK LINES, ASN ZFF304110 (10) - ENGINE

Схема запчастей Case IH STEIGER 500 - (10.500.AA[05]) - DEF/ADBLUE TANK LINES, ASN ZFF304110 (10) - ENGINE
23
3
20
10
22
16
30
3
23
10.500.aa 04
7
23
31
35
17
3
15
24
23
7
7
4
33
35
28
3
29
34
30
37
3
35
35
34
29
10.500.ad 02
5
13
25
3
10.500.aa 06
3
24
9
21
19
3
8
23
1
14
23
3
11
6
37
34
27
23
28
23
2
34
12
26
32
36
18
FIT
1:1
100%

Артикул

Название

Примечание

Количество

1

84295126

BRACKET, SUPPORTING

DEF Tank

1шт.

2

728-840

CLEVIS PIN,M8 x 40

1шт.

3

895-11008

WASHER,9mm ID x 16mm OD x 1.6mm Thk

17шт.

4

733-1616

COTTER PIN,M1.6 x 16

1шт.

5

895-11010

WASHER,11mm ID x 20mm OD x 2mm Thk

2шт.

6

627-10025

BOLT,Hex, M10 x 1.5 x 25mm, Cl 10.9, Full Thd

1шт.

7

829-1410

NUT,M10 x 1.5, Cl 10.9

6шт.

8

47381867

ADAPTER

DEF/ADBLUE Filler

1шт.

9

84236736

NECK FILLER

DEF/ADBLUE

1шт.

10

47657024

FILTER, DEF,100 Micron

100 Micron, Incl 11

1шт.

11

47680524

FILTER, DEF,100 Micron

Screen, 100 Micron

1шт.

12

84206552

FILLER CAP,Male

DEF/ADBLUE

1шт.

13

84425053

TUBE

DEF Fill

1шт.

14

47507801

HOSE

DEF Tank Fill

1шт.

15

84425052

BRACKET

DEF Fill Support

1шт.

16

84425077

BRACKET

DEF LH Fill Lock

1шт.

17

84563334

HOSE

DEF FIll

1шт.

18

895-11006

WASHER,6.6mm ID x 12mm OD x 1.6mm Thk

3шт.

19

895-25006

WASHER,6.6mm ID x 18mm OD x 1.6mm Thk

3шт.

20

627-6025

BOLT,Hex, M6 x 1 x 25mm, Cl 10.9, Full Thd

3шт.

21

829-1406

NUT,Hex, M6 x 1, Cl 10.9

3шт.

22

L115548

CLAMP,57.15mm - 79.38mm

Hose

1шт.

23

829-1408

NUT,Hex, M8 x 1.25, Cl 10.9

11шт.

24

214-3140

HOSE CLAMP,1-3/4" - 2-5/8", HD Worm

3шт.

25

627-8025

BOLT,Hex, M8 x 1.25 x 25mm, Cl 10.9, Full Thd

1шт.

26

L18331

CABLE TIE,375.9mm L, Nylon, Black

15"

1шт.

27

515-23508

CLAMP,2", Insul, 3/8" Bolt

1шт.

28

515-25635

CLAMP,2 1/2", Insul, 1/2" Bolt

3шт.

29

895-15010

WASHER,11mm ID x 24mm OD x 2mm Thk

3шт.

30

426285A1

STUD

Threaded, M8

4шт.

31

47357924

BRACKET

DEF Tank Breather

1шт.

32

47398268

BRACKET

DEF Tank Breather

1шт.

33

47397693

HOSE

DEF Tank Vent

1шт.

34

515-23190

CLAMP,3/4", Insul, 3/8" Bolt

4шт.

35

120104

BOLT,Hex, M8 x 1.25 x 20mm, Cl 8.8

4шт.

36

214-1408

HOSE CLAMP,11.2mm - 19.8mm

1шт.

37

84284896

DECAL,DEF TANK identification label

DEF

2шт.

Выбрано товаров: 37