Запчасти Case IH STEIGER 535 (06-30) - TRANSMISSION MOUNTING, POWER SHIFT TRANSMISSION (06) - POWER TRAIN

Схема запчастей Case IH STEIGER 535 - (06-30) - TRANSMISSION MOUNTING, POWER SHIFT TRANSMISSION (06) - POWER TRAIN
5
8
4
3
7
2
5
8
1
6
FIT
1:1
100%

Артикул

Название

Примечание

Количество

87546434

TRANSMISSION

TRANSMISSION, 8.0C Yoke

1шт.

87546434R

REMAN-TRANSMISSION

Remanufactured TRANSMISSION, POWERSHIFT - 7C (6.375 inches) and 8C (8.5 inches) Yoke Machine - Models STX280/330; STX380/430/480 Std Duty; Steiger 335; Steiger 385/435/485 Std Duty. ASN Z6F105039 ONLY, Start Serial: Z6F105039

1шт.

87546434C

CORE-TRANSMISSION

Return Number

1шт.

87546435

TRANSMISSION

TRANSMISSION, 8.5C Yoke

1шт.

87546435R

REMAN-TRANSMISSION

Remanufactured TRANSMISSION, POWERSHIFT - 8.5C (6.875 inches) Yoke Machine - Models STX380/430/480 HD; STX530; Steiger 385/435/480 HD; Quadtrac 385 thru 535, Steiger 535. ASN Z6F105039 ONLY, Start Serial: Z6F105039

1шт.

87546435C

CORE-TRANSMISSION

Return Number

1шт.

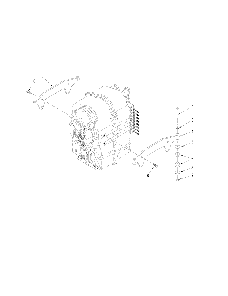
1

408706A1

PLATE

Transmission Mounting, LH

1шт.

2

87335427

MOUNTING PLATE

Transmission, RH

1шт.

3

896-11022

WASHER,24mm ID x 44mm OD x 4mm Thk

4шт.

4

828-22190

BOLT,Hex, M22 x 2.5 x 190mm, Cl 10.9

4шт.

5

379611A1

WASHER

8шт.

6

340967A1

RUBBER MOUNTING

4шт.

7

829-1422

NUT,M22 x 2.5, Cl 10

4шт.

8

627-20060

BOLT,Hex, M20 x 2.5 x 60mm, Cl 10.9, Full Thd

8шт.

Выбрано товаров: 14