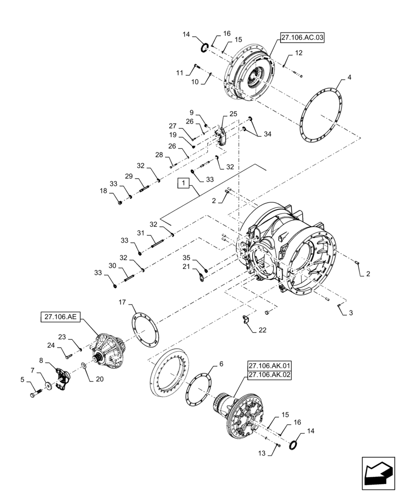
Запчасти Case IH STEIGER 540 (27.106.AC[01]) - REAR AXLE CARRIER, 500, 540 (27) - REAR AXLE SYSTEM

Схема запчастей Case IH STEIGER 540 - (27.106.AC[01]) - REAR AXLE CARRIER, 500, 540 (27) - REAR AXLE SYSTEM
33
27.106.ae
1
13
9
16
23
12
2
35
14
18
17
32
6
27.106.ak.01
20
26
31
19
11
15
32
30
16
34
15
10
26
8
33
27
24
2
7
25
32
5
33
3
21
28
33
22
32
14
29
27.106.ak.02
4
27.106.ac.03
FIT
1:1
100%

Артикул

Название

Примечание

Количество

1

47495718

HOUSING

Assembly, Center 500 Series, Incl 2 - 3

1шт.

2

837-16040

DOWEL,M16 x 40

6шт.

3

837-12025

DOWEL,M12 x 25

1шт.

4

279709A1

SHIM,513.5mm ID x 573mm OD x 0.076mm Thk

1шт.

4

279710A1

SHIM,513.5mm ID x 573mm OD x 0.102mm Thk

1шт.

4

279711A1

SHIM,513.5mm ID x 573mm OD x 0.127mm Thk

1шт.

4

279712A1

SHIM,513.5mm ID x 573mm OD x 0.508mm Thk

1шт.

5

828-24110

BOLT,Hex, M24 x 3 x 110mm, Cl 10.9

1шт.

6

255121A1

SHIM,290mm ID x 345mm OD x 0.076mm Thk

1шт.

6

255122A1

SHIM,290mm ID x 345mm OD x 0.102mm Thk

1шт.

6

255123A1

SHIM,290mm ID x 345mm OD x 0.13mm Thk

1шт.

6

255124A1

SHIM,290mm ID x 345mm OD x 0.5mm Thk

1шт.

7

228967A2

WASHER,25mm ID x 78mm OD x 10mm Thk

25mm ID x 78mm OD x 10mm Thk

1шт.

8

284185A1

YOKE

9 C Fixed

1шт.

9

218-5211

PLUG,Hex Soc, 7/8"-14 ORB

1шт.

10

896-12014

WASHER,15.5mm ID x 28mm OD x 3mm Thk

18шт.

11

828-14055

BOLT,Hex, M14 x 2 x 55mm, Cl 10.9

18шт.

12

896-12012

WASHER,13.5mm ID x 24mm OD x 3mm Thk

12шт.

13

628-12035

BOLT,Hex, M12 x 1.75 x 35mm, Cl 10.9, Full Thd

12шт.

14

139059C1

SEAL,70mm ID x 90mm OD x 8mm Thk

Oil

1шт.

15

95-81100

WASHER,33/64" x 7/8" x .049"

3шт.

16

843-1812

SCREW,Flat, M8 x 12mm, Class 4.8

3шт.

17

279714A4

SHIM,288mm ID x 363mm OD x 0.076mm Thk

Pinion, 0.076 Thk

1шт.

17

279715A4

SHIM,288mm ID x 363mm OD x 0.102mm Thk

1шт.

17

279716A4

SHIM,288mm ID x 363mm OD x 0.127mm Thk

1шт.

17

279717A4

SHIM,288mm ID x 363mm OD x 0.508mm Thk

1шт.

18

221580A1

PLUG,M27 x 2 ORB

1шт.

19

221576A1

PLUG,Hex Soc, M14 x 1.5, ORB

1шт.

20

178545A1

SHIM,25mm ID x 60mm OD x 0.076mm Thk

1шт.

20

178546A1

SHIM,25mm ID x 60mm OD x 0.101mm Thk

1шт.

20

178547A1

SHIM,25mm ID x 60mm OD x 0.130mm Thk

1шт.

20

220779A1

SHIM,25mm ID x 60mm OD x 0.5mm Thk

1шт.

21

87306552

BRACKET

Axle

1шт.

22

417271A1

BRACKET

Hose

1шт.

23

896-12016

WASHER,17.5mm ID x 30mm OD x 4mm Thk

8шт.

24

828-16055

BOLT,Hex, M16 x 2 x 55mm, Cl 10.9

8шт.

25

47434754

MANIFOLD

Axle Lube

1шт.

26

895-11010

WASHER,11mm ID x 20mm OD x 2mm Thk

3шт.

27

628-10035

BOLT,Hex, M10 x 1.5 x 35mm, Cl 10.9, Full Thd

2шт.

28

828-10075

BOLT,Hex, M10 x 1.5 x 75mm, Cl 10.9

1шт.

29

86985628

TUBE,7.50mm ID x 11.85mm OD x 117mm L

2шт.

30

84468365

TUBE

Service Break Jumper

1шт.

31

298567A1

TUBE,11.85 mm OD, 156 mm Length

1шт.

32

47795329

O-RING,0.07" Thk x 0.426" ID, -13, Cl 8, Duro 90

4шт.

33

47795330

O-RING,0.07" Thk x 0.551" ID, -15, Cl 8, 90 Duro

4шт.

34

238-5122

O-RING,0.103" Thk x 1.11" ID, -122, Cl 5, 75 Duro

2шт.

35

238-5110

O-RING,0.103" Thk x 0.362" ID, -110, Cl 5, 75 Duro

1шт.

Выбрано товаров: 47