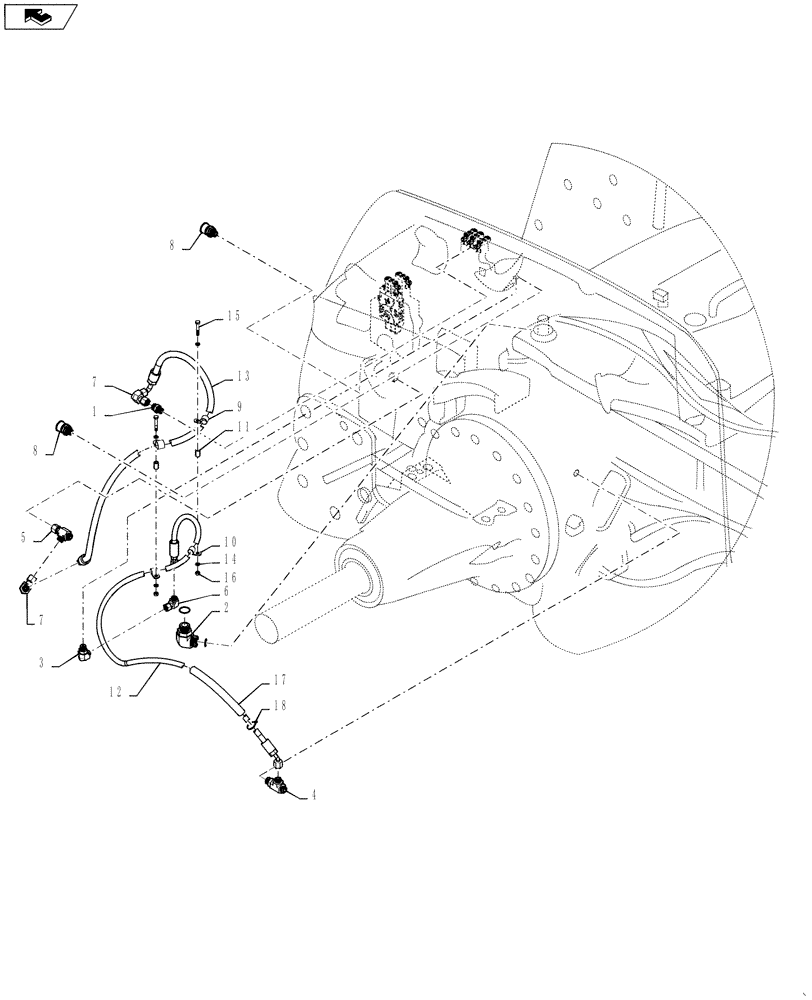
Запчасти Case IH STEIGER 600 (33.220.08) - TRAILER BRAKES - HYDRAULIC LAYOUT - WHEELED (33) - BRAKES & CONTROLS

Схема запчастей Case IH STEIGER 600 - (33.220.08) - TRAILER BRAKES - HYDRAULIC LAYOUT - WHEELED (33) - BRAKES & CONTROLS
12
17
7
1
14
11
7
18
6
3
8
2
5
home
15
4
10
13
8
9
16
FIT
1:1
100%

Артикул

Название

Примечание

Количество

1

700-102

HYD CONNECTOR,13/16" - 16 Male ORFS x M18 x 1.5 Male ORB

1шт.

2

700-308

ELBOW,90 Degree Elbow, 1-7/16" - 12 Male ORFS x M33 x 2 Male ORB

1шт.

3

700-345

ELBOW,90 Degree Elbow, 11/16" - 16 Male ORFS x M18 x 1.5 Male ORB

1шт.

4

700-445

TEE,13/16" - 16 Male ORFS x 13/16" - 16 Male ORFS x M22 x 1.5 Male ORB

1шт.

5

701-416

TEE,13/16" - 16 Male ORFS x 13/16" - 16 Male ORFS x 13/16" - 16 Female ORFS

1шт.

6

701-319

ELBOW,90° Elbow, 11/16" - 16 Male ORFS x 11/16" - 16 Female ORFS

1шт.

7

701-320

ELBOW,90 Degree Elbow, 13/16" - 16 Male ORFS x 13/16" - 16 Female ORFS

2шт.

8

87371306

COUPLING, QUICK, FEM

Trailer Brake

1шт.

9

515-23206

CLAMP,13/16", Insul, 3/8" Bolt

2шт.

10

515-23159

CLAMP,5/8", Insul, 3/8" Bolt

2шт.

11

414937A1

SPACER

Tube

2шт.

12

84212015

HOSE ASSY.

Trailer Brake Pressure

1шт.

13

87713536

HOSE

LF Trailer Brake Drain

1шт.

14

895-11008

WASHER,9mm ID x 16mm OD x 1.6mm Thk

4шт.

15

827-8050

BOLT,Hex, M8 x 1.25 x 50mm, Cl 10.9

2шт.

16

829-1408

NUT,Hex, M8 x 1.25, Cl 10.9

2шт.

17

86020619

SLEEVE

Nylon, 1" ID x 570

1шт.

18

L11541

CABLE TIE,203.2mm L, Nylon

CABLE STRAP 8" IN Black Nylon

2шт.

Выбрано товаров: 18