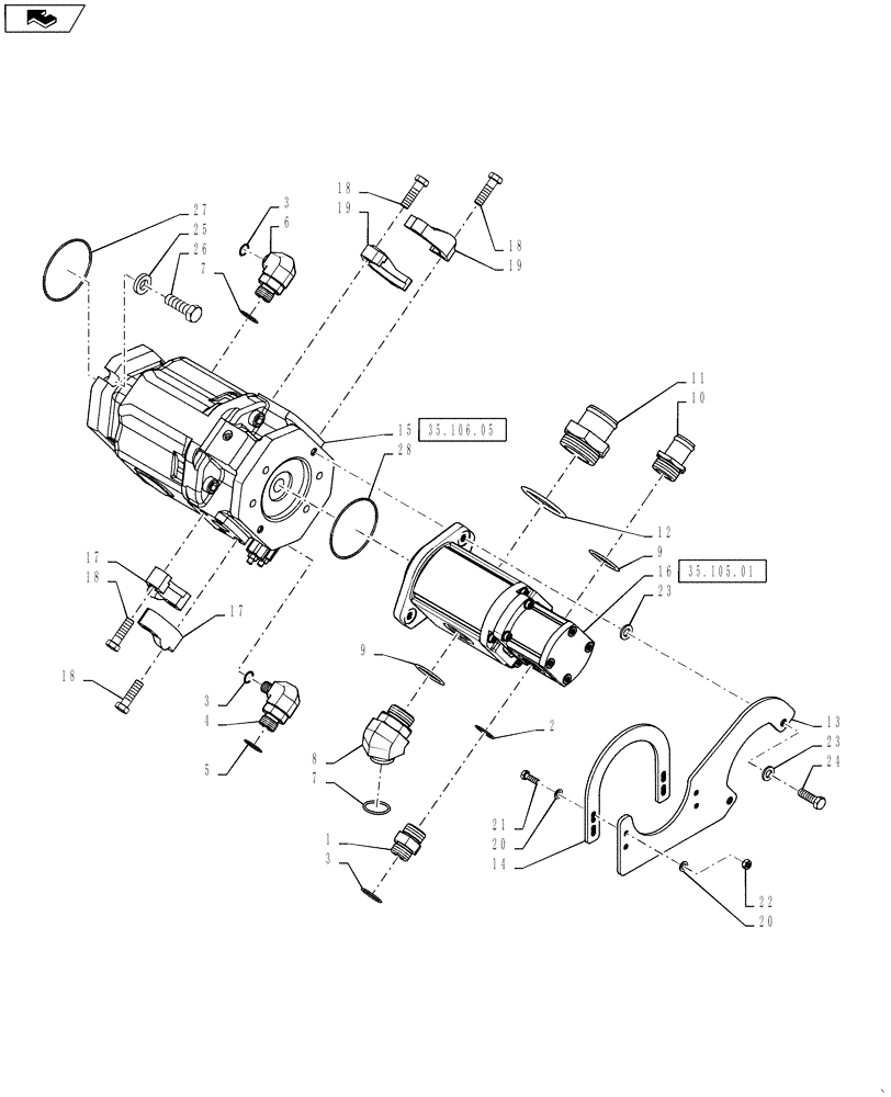
Запчасти Case IH STEIGER 600 (35.106.04) - HYDRAULIC PUMP MOUNTING & FITTINGS - HIGH OUTPUT HYDRAULICS (35) - HYDRAULIC SYSTEMS

Схема запчастей Case IH STEIGER 600 - (35.106.04) - HYDRAULIC PUMP MOUNTING & FITTINGS - HIGH OUTPUT HYDRAULICS (35) - HYDRAULIC SYSTEMS
3
23
home
21
18
2
25
4
19
22
3
26
35.105.01
10
5
6
8
19
20
13
18
24
17
18
14
27
20
35.106.05
7
28
1
16
17
9
3
18
12
9
11
7
15
23
FIT
1:1
100%

Артикул

Название

Примечание

Количество

1

201-129

HYD CONNECTOR,1-3/16" - 12 ORFS x 1-5/16" - 12 ORB

PS4 Transmission, Incl 2, 3

1шт.

1

201-376

ELBOW,45 Degree Elbow, 1-3/16" - 12 Male ORFS x 1-5/16" - 12 Male ORB

PS6 Transmission, Incl 2, 3 (Not Shown)

1шт.

2

237-6016

O-RING,0.116" Thk x 1.171" ID, -916, Cl 6, 90 Duro

1шт.

3

238-6012

O-RING,0.07" Thk x 0.364" ID, -12, Cl 6, 90 Duro

1шт.

4

201-311

ELBOW,90 Degree Elbow, 11/16" - 16 Male ORFS x 7/16" - 20 Male ORB

Incl 3, 5

1шт.

5

237-6004

O-RING,0.072" Thk x 0.351" ID, -904, Cl 6, 90 Duro

1шт.

6

201-341

ELBOW,90 Degree, 1"-14 x 1 1/16"-12, Adj, ORFS

Incl 3, 7

1шт.

7

238-6021

O-RING,15/16 X 1 - 1/16, Cl 6

1шт.

8

201-371

ELBOW,45 Degree Elbow, 1-7/16" - 12 Male ORFS x 1-5/16" - 12 Male ORB

PS4 Transmission, Incl 7, 9

1шт.

8

201-122

HYD CONNECTOR,1 7/16"-12 ORFS x 1 5/8"-12 ORB

PS6 Transmission, Incl 7, 9 (Not Shown)

1шт.

9

237-6020

O-RING,0.118" Thk x 1.475" ID, -920, Cl 6, 90 Duro

1шт.

10

217-178

FITTING,1-1/4" Hose Barb x 1-5/8" - 12 Male ORB

Incl 9

1шт.

11

84188435

HYD CONNECTOR,2-1/2” - 12 x 2-15/16” L

2 HOSE 2-1/2-12, Incl 12

1шт.

12

218-5013

O-RING,0.118" Thk x 2.337" ID, -932, Cl 6, 90 Duro

1шт.

13

84288314

BRACKET

Draiveshaft Guard, PS4 Transmission

1шт.

13

84275978

BRACKET

Draiveshaft Guard, PS6 Transmission (Not Shown)

1шт.

14

87419159

PLATE

Draiveshaft Guard, PS4 Transmission

1шт.

14

84140506

BRACKET

Draiveshaft Guard, PS6 Transmission (Not Shown)

1шт.

15

87308196

PUMP

Piston, Standard Hydraulics, 100CC

1шт.

15

87308196R

REMAN-HYD PUMP,100 CC

Reman for New PN 87308196

1шт.

15

87308196C

CORE-HYDRAULIC PUMP

Return Number

1шт.

16

84130469

HYDRAULIC PUMP,110 CC

Axle/Main Charge

1шт.

16

84130469R

REMAN-HYD PUMP

Axle/Main Charge

1шт.

16

84130469C

CORE-HYDRAULIC PUMP

Return Number

1шт.

17

86980733

CLAMP

Split Flange, Code 62, 32mm

2шт.

18

426-828

BOLT,Hex, 1/2" - 13 x 1-3/4", Gr 8

8шт.

19

L14386

CLAMP

Split Half Clamp, 2.50

2шт.

20

895-11008

WASHER,9mm ID x 16mm OD x 1.6mm Thk

8шт.

21

627-8025

BOLT,Hex, M8 x 1.25 x 25mm, Cl 10.9, Full Thd

4шт.

22

829-1408

NUT,Hex, M8 x 1.25, Cl 10.9

4шт.

23

896-11012

WASHER,13.5mm ID x 24mm OD x 3mm Thk

4шт.

24

627-12040

BOLT,Hex, M12 x 1.75 x 40mm, Cl 10.9, Full Thd

2шт.

25

86637955

WASHER,0.66" ID x 1.25" OD x 0.24" Thk

0.656X1.25X0.239 HTS ZND HDN

2шт.

26

627-16050

BOLT,Hex, M16 x 2 x 50mm, Cl 10.9, Full Thd

2шт.

27

238-5250

O-RING,0.139" Thk x 4.984" ID, -250, Cl 5, 75 Duro

1шт.

28

436514A1

O-RING

1шт.

Выбрано товаров: 36