Запчасти Case IH STEIGER 600 (35.120.03) - THREE POINT HITCH - UPPER LINK, WITHOUT POWER TAKEOFF (35) - HYDRAULIC SYSTEMS

Схема запчастей Case IH STEIGER 600 - (35.120.03) - THREE POINT HITCH - UPPER LINK, WITHOUT POWER TAKEOFF (35) - HYDRAULIC SYSTEMS
5
10
3
12
13
6
17
8
9
7
4
1
15
17
35.120.05
home
4
2
4
4
11
4
14
5
4
16
14
FIT
1:1
100%

Артикул

Название

Примечание

Количество

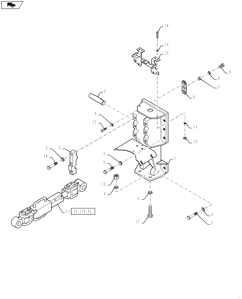
1

403739A1

BRACKET

Mounting, Upper Link, without PTO

1шт.

2

309663A1

PIN

Upper Link

1шт.

3

403737A1

CLAMP

Mount

2шт.

4

896-11020

WASHER,22mm ID x 37mm OD x 4mm Thk

22шт.

5

827-20130

BOLT,Hex, M20 x 2.5 x 130mm, Cl 10.9

4шт.

6

259389A1

PLATE

Retaining

2шт.

7

70-5967T1

SPACER,16.7mm ID x 22.2mm OD x 11.2mm

22 OD 17 ID 11 W

2шт.

8

896-11016

WASHER,17.5mm ID x 30mm OD x 4mm Thk

2шт.

9

627-16025

BOLT,Hex, M16 x 2 x 25mm, Cl 10.9, Full Thd

2шт.

10

827-20080

BOLT,Hex, M20 x 2.5 x 80mm, Cl 10.9

6шт.

11

403725A1

LINK

Upper, Refer To 35.120.05

1шт.

12

829-1420

NUT,M20, Cl 10

2шт.

13

84276288

BRACKET

Support

1шт.

14

895-11010

WASHER,11mm ID x 20mm OD x 2mm Thk

4шт.

15

829-1410

NUT,M10 x 1.5, Cl 10.9

2шт.

16

627-10035

BOLT,Hex, M10 x 1.5 x 35mm, Cl 10.9, Full Thd

2шт.

17

827-20090

BOLT,Hex, M20 x 2.5 x 90mm, Cl 10.9

6шт.

Выбрано товаров: 17