Запчасти Case IH STEIGER 600 (55.100.23[02]) - HARNESS - MAIN CAB - EUROPE (55) - ELECTRICAL SYSTEMS

Схема запчастей Case IH STEIGER 600 - (55.100.23[02]) - HARNESS - MAIN CAB - EUROPE (55) - ELECTRICAL SYSTEMS
55.100.23 01
21
8
3
12
home
6
9
18
15
14
25
55.100.23 03
11
32
22
17
34
36
20
38
8
16
40
7
35
39
24
9
2
8
13
4
10
28
27
33
26
37
1
5
19
23
30
31
29
FIT
1:1
100%

Артикул

Название

Примечание

Количество

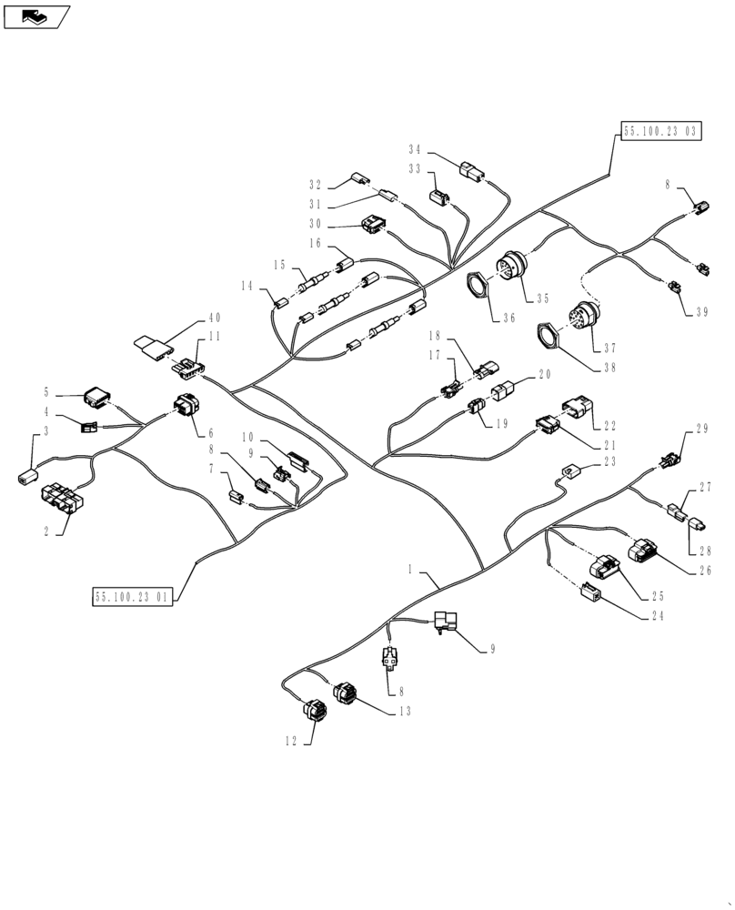
1

84311783

HARNESS

Main Cab, Europe, Incl 2 - 40 & Fig.'s 55.100.23(01), 55.100.23(03), & 55.510.03

1шт.

2

179483A1

CONNECTOR, ELEC

TO HVAC ATC Floor Module, C055F

1шт.

3

239451A1

MULTIPOLE CONNECTOR,Female, 4 Pin

HVAC Module J1939, C059M

1шт.

4

225316C1

ELEC CONNECTOR,Female, 2 Pin

Armrest Electric Adjust, C688M

1шт.

5

225389C1

CONNECTOR, ELEC

To Seat Controls, C642M

1шт.

6

87410946

MULTIPOLE CONNECTOR,Female, 34 Cavities

ACM, C054M

1шт.

7

877291R1

ELEC CONNECTOR,Female

Radar Interface, C663

1шт.

8

84177907

ELEC CONNECTOR

Cigar Lighter 1, 2, & 4, C048, C030, C046

3шт.

9

227728A1

CONNECTION,ELECTRIC

Aux Power Outlet 1 & 2, C028M, C027M

2шт.

10

872290R1

ELEC CONNECTOR,Male

Cab Pressurization Blower, C687

1шт.

11

245488C1

ELEC CONNECTOR,6 Pin

Lighting Logic Diode, C670M

1шт.

12

87410948

CONTACT HOUSING,Female, 26 Pole

ICU, Top, C051T

1шт.

13

87419488

MULTIPOLE CONNECTOR,Female, 26 Pole

ICU, Middle, C053M

1шт.

14

631801C1

CONNECTION

High, Low, & Work Lighting, CM494J, CM440B/CM440A, CM477C

3шт.

15

113699A1

RECTIFIER

Diode, High, Low, & Work Lighting

3шт.

16

739070C1

CONNECTOR, ELEC

High, Low, & Work Lighting, CM491G, CM491A, CM491B

3шт.

17

245482C1

ELEC CONNECTOR,2 Pin

Implement Switch Interface, C680M

1шт.

18

245483C1

ELEC CONNECTOR,Male, 2 Pin

Plug, DC680F

1шт.

19

280451A1

CONNECTOR,ELECTRIC

To Implement Connections, C686M

1шт.

20

280453A1

ELEC CONNECTOR,Male, 6 Pin

Plug, DC686F

1шт.

21

223671A1

CONTACT HOUSING,Female, 12 Pin

Scraper Remote/Draft Interface, C684M

1шт.

22

223672A1

MULTIPOLE CONNECTOR,Male, 12 Pin

Plug, DC684F

1шт.

23

87697628

ELEC CONNECTOR

Cab/Foot Decel Switch, C624

1шт.

24

225351C1

ELEC CONNECTOR,Female, 6 Pin

Decel Dash Panel 3, C095M

1шт.

25

87696573

ELEC CONNECTOR

Dash Panel, C093M

1шт.

26

87698287

ELEC CONNECTOR

Dash Panel, C094M

1шт.

27

87382910

WIRE CONNECTOR,Female, 3 Cavities

Lower Wiper Interface, C683F

1шт.

28

87382911

WIRE CONNECTOR,Male, 3 Cavities

Plug, DC683M

1шт.

29

335461A1

CONNECTOR, ELEC

BOB Switch, C634M

1шт.

30

223671A1

CONTACT HOUSING,Female, 12 Pin

Color Display, C602M

1шт.

31

NSS

NOT SOLD SEPARAT

2-Way BB Radio Power, C623

1шт.

32

NSS

NOT SOLD SEPARAT

Plug, DC623

1шт.

33

239451A1

MULTIPOLE CONNECTOR,Female, 4 Pin

Implement Bus, C611M

1шт.

34

225326C1

ELEC CONNECTOR,Male, 4 Pin

Implement Bus, C611F

1шт.

35

84177900

ELEC CONNECTOR

Cab Roof Bulkhead, C010F

1шт.

36

87696184

NUT

Panel Single Hole Mounting Bayonet Coupling, C010F

1шт.

37

84178657

ELEC CONNECTOR

Cab Roof Wiper Bulkhead, C013F

1шт.

38

87696194

THIN NUT

Panel Single Hole Mounting Bayonet Coupling, C013F

1шт.

39

298079A1

CONNECTOR, ELEC

To Right & Left Rear Speakers, C621F, C620F

2шт.

40

131735A1

DIODE

Lighting Logic, C670M

1шт.

Выбрано товаров: 40