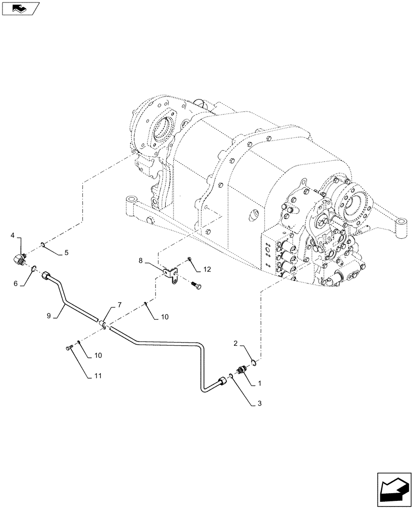
Запчасти Case IH STEIGER 600 (14.100.01) - LUBE - HYDRAULIC PUMP DRIVE WITHOUT PTO (14) - MAIN GEARBOX & DRIVE

Схема запчастей Case IH STEIGER 600 - (14.100.01) - LUBE - HYDRAULIC PUMP DRIVE WITHOUT PTO (14) - MAIN GEARBOX & DRIVE
7
6
10
4
9
1
home
10
2
5
3
11
12
8
FIT
1:1
100%

Артикул

Название

Примечание

Количество

1

86579676

HYD CONNECTOR,13/16" - 16 ORFS x M18 x 1.5 ORB

1шт.

2

9992298

O-RING,0.07" Thk x 0.489" ID, -14, Cl 6, 90 Duro

1шт.

3

86598101

O-RING,2.2mm Thk x 15.3mm ID, Cl 6, 90 Duro

1шт.

4

86579691

90 ELBOW,90 Degree, 13/16"-18 ORFS x M18 x 1.5 ORB

1шт.

5

9992298

O-RING,0.07" Thk x 0.489" ID, -14, Cl 6, 90 Duro

1шт.

6

86598101

O-RING,2.2mm Thk x 15.3mm ID, Cl 6, 90 Duro

1шт.

7

86010402

CLAMP,12.7mm, Coat, 10.3mm Bolt Hole, P Type

1шт.

8

84283861

BRACKET

PTO Clutch Tube Support

1шт.

9

84283540

HYD TUBE

PTO Clutch Lube, PS4 Transmission

1шт.

9

84283544

HYD TUBE

PTO Clutch Lube, PS6 Transmission

1шт.

10

86624184

WASHER,9mm ID x 16mm OD x 1.6mm Thk

2шт.

11

43234

BOLT,Hex, M8 x 1.25 x 25mm, Cl 10.9, Full Thd

1шт.

12

43362

NUT,M8 x 1.25, Cl 10

1шт.

Выбрано товаров: 13