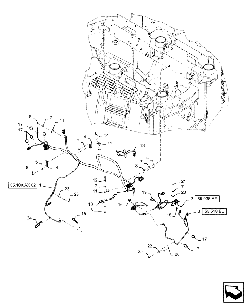
Запчасти Case IH STEIGER 620 (55.100.AX[01]) - FRONT FRAME HARNESS MOUNTING, BSN ZFF308000 (55) - ELECTRICAL SYSTEMS

Схема запчастей Case IH STEIGER 620 - (55.100.AX[01]) - FRONT FRAME HARNESS MOUNTING, BSN ZFF308000 (55) - ELECTRICAL SYSTEMS
17
6
17
18
11
22
16
26
17
13
55.518.bl
22
17
23
25
7
10
1
55.100.ax 02
8
55.036.af
7
14
4
7
3
11
24
7
12
21
9
8
20
8
15
2
4
11
5
19
7
FIT
1:1
100%

Артикул

Название

Примечание

Количество

1

47434310

WIRE HARNESS

Front Frame

1шт.

2

84250841

HARNESS

Hydraulic Sub Assembly

1шт.

3

84297600

HARNESS

Window Washer

1шт.

4

87561071

CLAMP

Double

3шт.

5

896-11010

WASHER,11mm ID x 21mm OD x 2.5mm Thk

5шт.

6

829-1410

NUT,M10 x 1.5, Cl 10.9

3шт.

7

896-11008

WASHER,9mm ID x 17mm OD x 2mm Thk

19шт.

8

829-1408

NUT,Hex, M8 x 1.25, Cl 10.9

14шт.

9

515-23254

CLAMP,1", Insul, 3/8" Bolt

3шт.

10

84427703

BRACKET

Rear Cab Wiring

1шт.

11

515-23286

CLAMP,1-1/8", Insul, 3/8" Bolt

2шт.

12

827-8040

BOLT,Hex, M8 x 1.25 x 40mm, Cl 10.9

1шт.

13

84331723

BRACKET, SUPPORTING

Cab Wiring Cradle

1шт.

14

627-8025

BOLT,Hex, M8 x 1.25 x 25mm, Cl 10.9, Full Thd

1шт.

15

47655851

PRESSURE SWITCH

Axle Lube Pressure

1шт.

16

515-23190

CLAMP,3/4", Insul, 3/8" Bolt

1шт.

17

L11541

CABLE TIE,203.2mm L, Nylon

8шт.

18

87521424

TEMPERATURE SENDER

Hydraulic Oil

1шт.

19

515-23159

CLAMP,5/8", Insul, 3/8" Bolt

1шт.

20

515-2395

CLAMP,3/8", Insul, 3/8" Bolt

1шт.

21

627-8020

BOLT,Hex, M8 x 1.25 x 20mm, Cl 10.9, Full Thd

1шт.

22

515-2495

CLAMP,3/8", Insul, 7/16" Bolt

3шт.

23

627-8016

BOLT,Hex, M8 x 1.25 x 16mm, Cl 10.9, Full Thd

2шт.

24

L18331

CABLE TIE,375.9mm L, Nylon, Black

15"

1шт.

25

627-10025

BOLT,Hex, M10 x 1.5 x 25mm, Cl 10.9, Full Thd

1шт.

26

832-10410

NUT,M10 x 1.5, Cl 8

2шт.

Выбрано товаров: 26